PMP20023, 12V to 1V, 30A Voltage Mode Synchronous Buck Converter with PMBUs Control Reference Design

Reference Design using part TPS544C25RVFR by Texas Instruments

Manufacturer

Texas Instruments
  • Application Category
    Power Supplies
  • Product Type
    DC to DC Single Output Power Supplies

Description

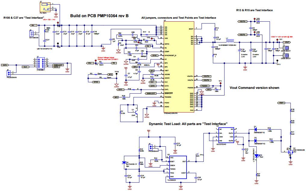
  • PMP20023, 12V to 1V, 30A Voltage Mode Synchronous Buck Converter with PMBUs Control Reference Design. Fixed frequency voltage mode control is used for communications and computing applications where a predictable frequency and synchronization to an external clock is needed. With control and power in one IC and inductor on top of the IC with its raised leads, a very small size solution is achieved. PMP20023 focuses on ease of electrical testing and ability to make changes "on the fly" thru the PMBUs interface. A high speed dynamic load rounds out the rich test interface

Key Features

  • Conversion Type
    DC to DC
  • Input Voltage
    10.8 to 13.2 V
  • Output Voltage
    1 V
  • Output Current
    30 A
  • Output Power
    30 W
  • Topology
    Buck- Synchronous

We've updated our privacy policy. Please take a moment to review these changes. By clicking I Agree to Arrow Electronics Terms Of Use  and have read and understand the Privacy Policy and Cookie Policy.

Our website places cookies on your device to improve your experience and to improve our site. Read more about the cookies we use and how to disable them here. Cookies and tracking technologies may be used for marketing purposes.
By clicking “Accept”, you are consenting to placement of cookies on your device and to our use of tracking technologies. Click “Read More” below for more information and instructions on how to disable cookies and tracking technologies. While acceptance of cookies and tracking technologies is voluntary, disabling them may result in the website not working properly, and certain advertisements may be less relevant to you.
We respect your privacy. Read our privacy policy here