PMP11438.3, Three Different Buck Converter Circuits to Convert 12V to 1.2V at >6A Load Current Reference Design

Reference Design using part TPS54A20RNJR by Texas Instruments

Manufacturer

Texas Instruments
  • Application Category
    Power Supplies
  • Product Type
    DC to DC Multi-Output Power Supplies

For End Products

  • Communications Equipment
  • Enterprise Phones
  • Ethernet Switch

Description

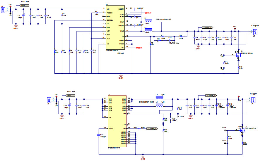
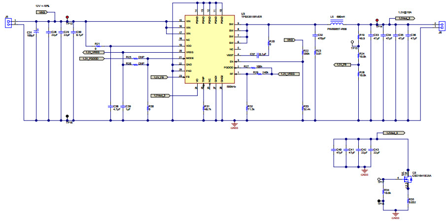
  • PMP11438.3, Buck Converter Circuit to Convert 12V to 1.2V at >6A Load Current Reference Design. The PMP11438 is a vehicle used to compare three different power solutions for converting a 12V bus to 1.2V at 6 - 10A. The 1.2V output voltage is applicable to DDR4 memory applications. Each solution offers an advantage in either full load efficiency, light load efficiency, density, height, transient response, or some combination of these

Key Features

  • Conversion Type
    DC to DC
  • Input Voltage
    10.8 to 13.2 V
  • Output Voltage
    1.2 V
  • Output Current
    10 A
  • Output Power
    12 W
  • Efficiency
    89 %
  • Topology
    Buck- Synchronous

We've updated our privacy policy. Please take a moment to review these changes. By clicking I Agree to Arrow Electronics Terms Of Use  and have read and understand the Privacy Policy and Cookie Policy.

Our website places cookies on your device to improve your experience and to improve our site. Read more about the cookies we use and how to disable them here. Cookies and tracking technologies may be used for marketing purposes.
By clicking “Accept”, you are consenting to placement of cookies on your device and to our use of tracking technologies. Click “Read More” below for more information and instructions on how to disable cookies and tracking technologies. While acceptance of cookies and tracking technologies is voluntary, disabling them may result in the website not working properly, and certain advertisements may be less relevant to you.
We respect your privacy. Read our privacy policy here