PMP11399.6, PMBUs Power System for Enterprise Ethernet Switches Reference Design
Reference Design using part TPS53317ARGBR by Texas Instruments
Associated Documents
For End Products
- Communications Equipment
- Enterprise Phones
- Ethernet Switch
Description
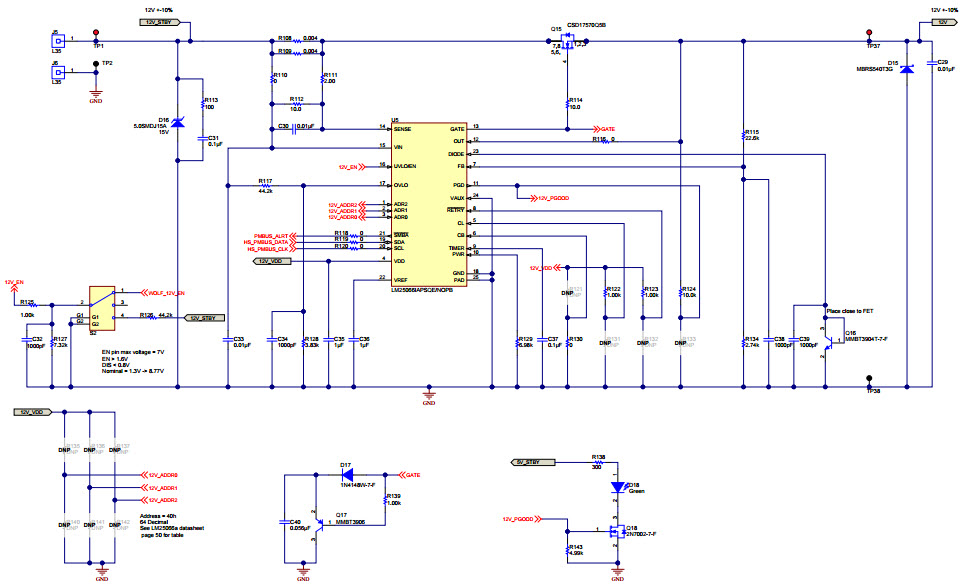
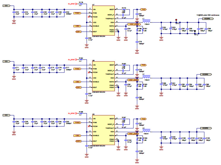
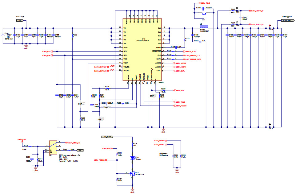
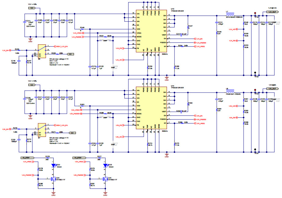
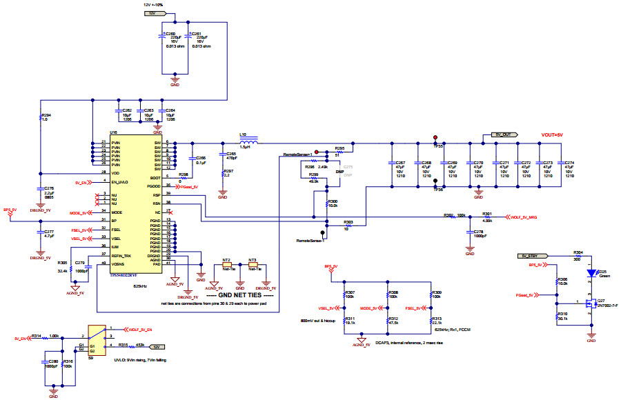
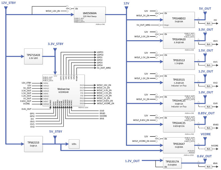
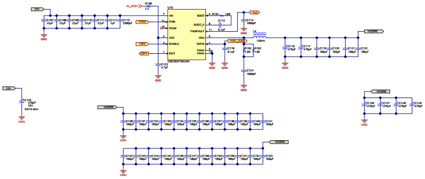
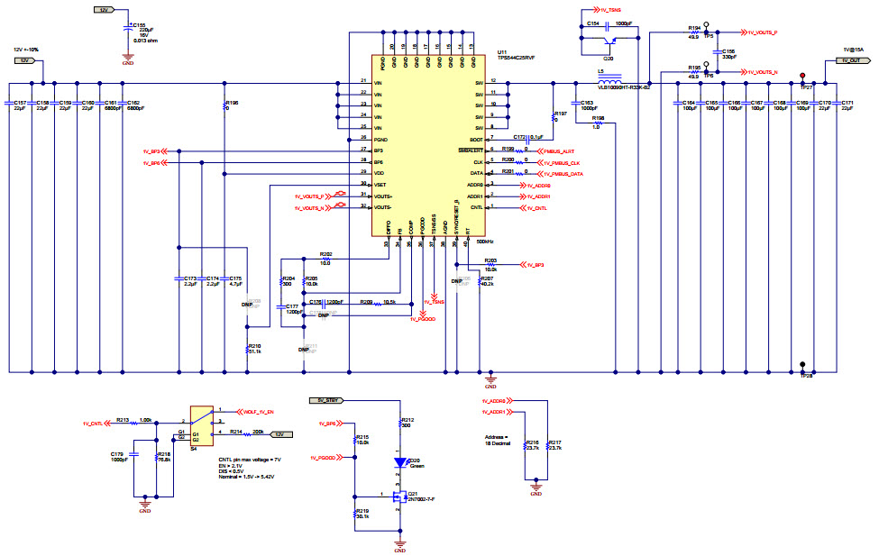
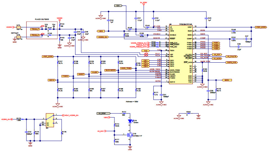
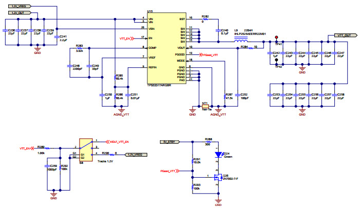
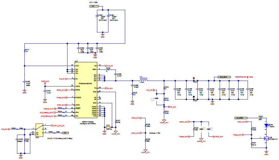
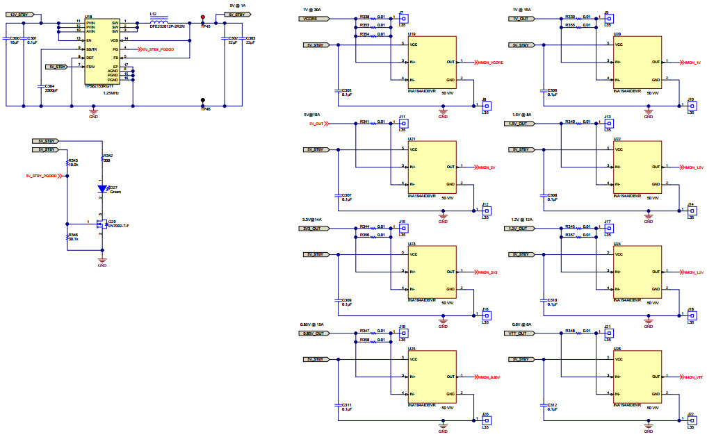
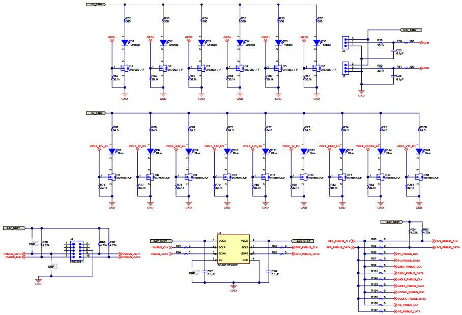
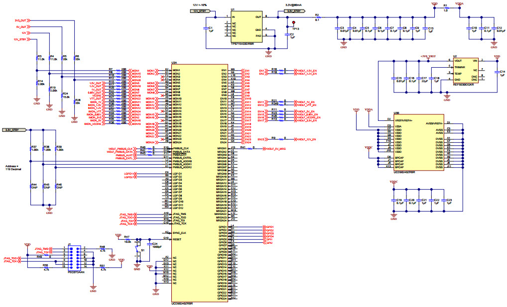
- PMP11399.6, PMBUs Power System for Enterprise Ethernet Switches Reference Design. The PMP11399 is a complete PMBUs power system for 3 ASIC/FPGA cores, DDR3 core memory, VTT termination and auxiliary voltages commonly found on high-performance Ethernet Switches. The hardware is accompanied by a GUI that allows the user to perform real-time configuration and monitoring of the power supplies
Key Features
-
Conversion TypeDC to DC
-
Input Voltage10.8 to 13.2 V
-
Output Voltage1.5 V
-
Output Current8 A
-
Output Power12 W
-
TopologyBuck- Synchronous
Featured Parts (19)
| Part Number | Manufacturer | Type | Description | |||
|---|---|---|---|---|---|---|
|
|
REF5030IDGKR | Texas Instruments | Voltage References | V-Ref Precision 3V 10mA 8-Pin VSSOP T/R | Buy | |
|
|
TPS53647RTAR | Texas Instruments | DC to DC Controllers | DC/DC Cntrlr Single-OUT Step Down 240A 1000kHz 40-Pin WQFN EP T/R | Buy | |
|
|
CSD95372BQ5M | Texas Instruments | Gate and Power Drivers | Smart Power Stage IC 12-Pin SON EP T/R | Buy | |
|
|
TPS549A20RVER | Texas Instruments | DC to DC Converter and Switching Regulator Chip | Conv DC-DC 1.5V to 20V Synchronous Step Down Single-Out 0.6V to 5.5V 15A 28-Pin VQFN EP T/R | Buy | |
|
|
INA194AIDBVR | Texas Instruments | Special Purpose Amplifiers | SP Amp Current Shunt Monitor Single 18V 5-Pin SOT-23 T/R | Buy | |
|
|
1825255-8 | TE Connectivity | Switch Slide | Switch Slide SP3T Top Slide 20VAC 20VDC 0.4VA PC Pins Thru-Hole Tray | Buy | |
|
|
MHS133G04 | TE Connectivity | Switch Slide | Switch Slide SP3T Top Slide 20VAC 20VDC 0.4VA PC Pins Thru-Hole Tray | Buy | |
|
|
LM25066IAPSQE/NOPB | Texas Instruments | Hot Swap Controllers | Hot Swap Controller 1-CH 17V N-Channel 24-Pin WQFN EP T/R | Buy | |
|
|
TPS544C25RVFR | Texas Instruments | DC to DC Converter and Switching Regulator Chip | Conv DC-DC 4.5V to 18V Synchronous Step Down Single-Out 0.5V to 5.5V 30A 40-Pin LQFN-CLIP EP T/R | Buy | |
|
|
TPS53515RVER | Texas Instruments | DC to DC Converter and Switching Regulator Chip | Conv DC-DC 1.5V to 18V Synchronous Step Down Single-Out 0.6V to 5.5V 12A 28-Pin VQFN EP T/R | Buy | |
|
|
TPS715A33DRBR | Texas Instruments | Linear Regulators | LDO Regulator Pos 3.3V 0.08A 8-Pin VSON EP T/R | Buy | |
|
|
TCA9517DGKR | Texas Instruments | Signal Buffers and Repeaters | I2C Repeater 3.3V/5V 8-Pin VSSOP T/R | Buy | |