P-NUCLEO-USB002, STUSB1602 USB Type-C and Power Delivery Nucleo Pack with NUCLEO-F072RB
Reference Design using part STUSB1602 by STMicroelectronics
For End Products
- USB Power Delivery
Description
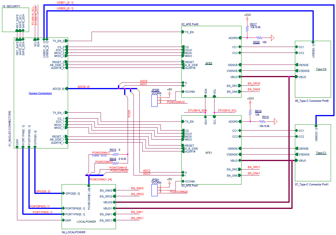
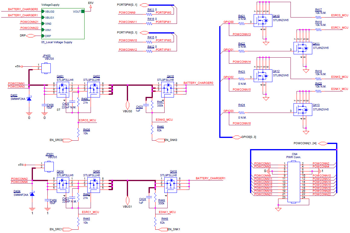
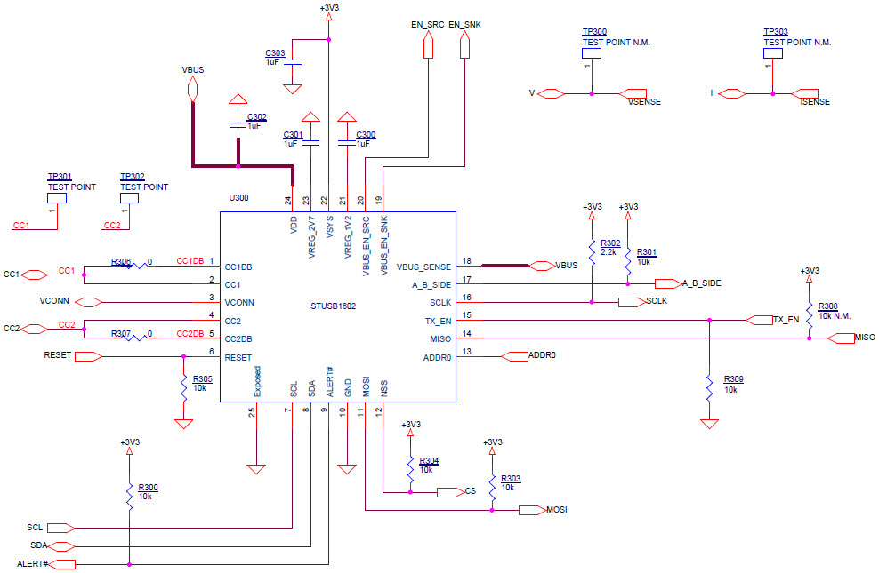
- P-NUCLEO-USB002, Evaluation kit The P-NUCLEO-USB002 kit is designed to exploit the performance of the STM32F072 32-bit microcontroller based on ARM Cortex-M0 and two STUSB1602 USB Type-C port controllers, to develop applications managing up to two USB Type-C ports. These components, together with the X-CUBE-USB-PD certified STM32F0 USB Type-C PD middleware stack, form a platform for demonstrating USB Type-C and USB Power Delivery (USB PD) capabilities and facilitating solution development. The new USB PD protocol expands USB functionality by providing up to 100 W power over the same cable used for data communication
Key Features
-
Interface StandardsUSB 1.3|USB 2.0|USB 3.0
Featured Parts (12)
| Part Number | Manufacturer | Type | Description | |||
|---|---|---|---|---|---|---|
|
|
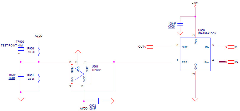
INA199A1DCKR | Texas Instruments | Special Purpose Amplifiers | SP Amp Current Sense Amp Single 26V 6-Pin SC-70 T/R | Buy | |
|
|
TSV991AILT | STMicroelectronics | Operational Amplifiers - Op Amps | Op Amp Single Low Voltage Amplifier R-R I/O 5.5V 5-Pin SOT-23 T/R | Buy | |
|
|
STM32L053R8T6 | STMicroelectronics | Microcontrollers - MCUs | MCU 32-bit ARM Cortex M0+ RISC 64KB Flash 2.5V/3.3V 64-Pin LQFP Tray | Buy | |
|
|
STM32F103CBT6 | STMicroelectronics | Microcontrollers - MCUs | MCU 32-bit ARM Cortex M3 RISC 128KB Flash 2.5V/3.3V 48-Pin LQFP Tray | Buy | |
|
|
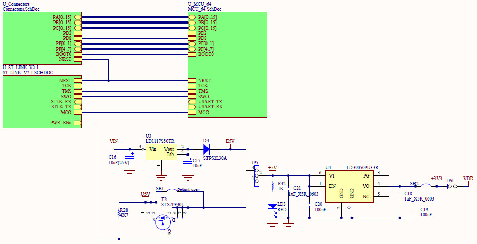
LD1117S50TR | STMicroelectronics | Linear Regulators | LDO Regulator Pos 5V 1.3A 4-Pin(3+Tab) SOT-223 T/R | Buy | |
|
|
LD39050PU33R | STMicroelectronics | Linear Regulators | LDO Regulator Pos 3.3V 0.5A 6-Pin DFN EP T/R | Buy | |
|
|
LD3985M33R | STMicroelectronics | Linear Regulators | LDO Regulator Pos 3.3V 0.55A 5-Pin SOT-23 T/R | Buy | |
|
|
ABS25-32.768KHZ-6-T | Abracon | Crystals | Crystal 0.032768MHz ±20ppm (Tol) 6pF FUND 50000Ohm 4-Pin SMD T/R | Buy | |
|
|
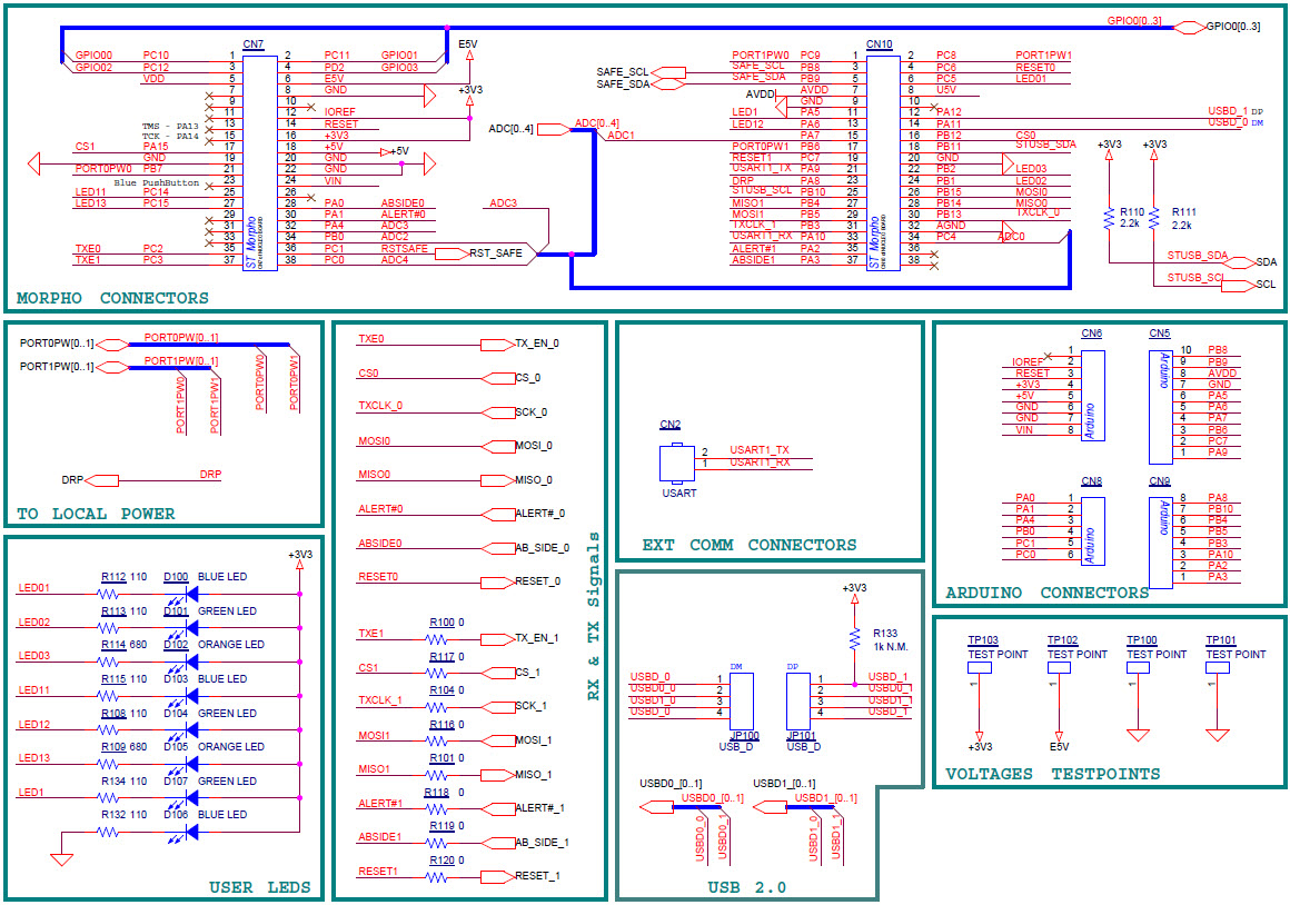
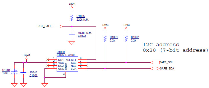
STSAFE-A100 | STMicroelectronics | Authenticators | 6KB Authenticator Die | Buy | |
|
|
L6984TR | STMicroelectronics | DC to DC Converter and Switching Regulator Chip | Conv DC-DC 4.5V to 36V Synchronous Step Down Single-Out 0.9V 0.35A 10-Pin VFDFPN EP T/R | Buy | |
|
|
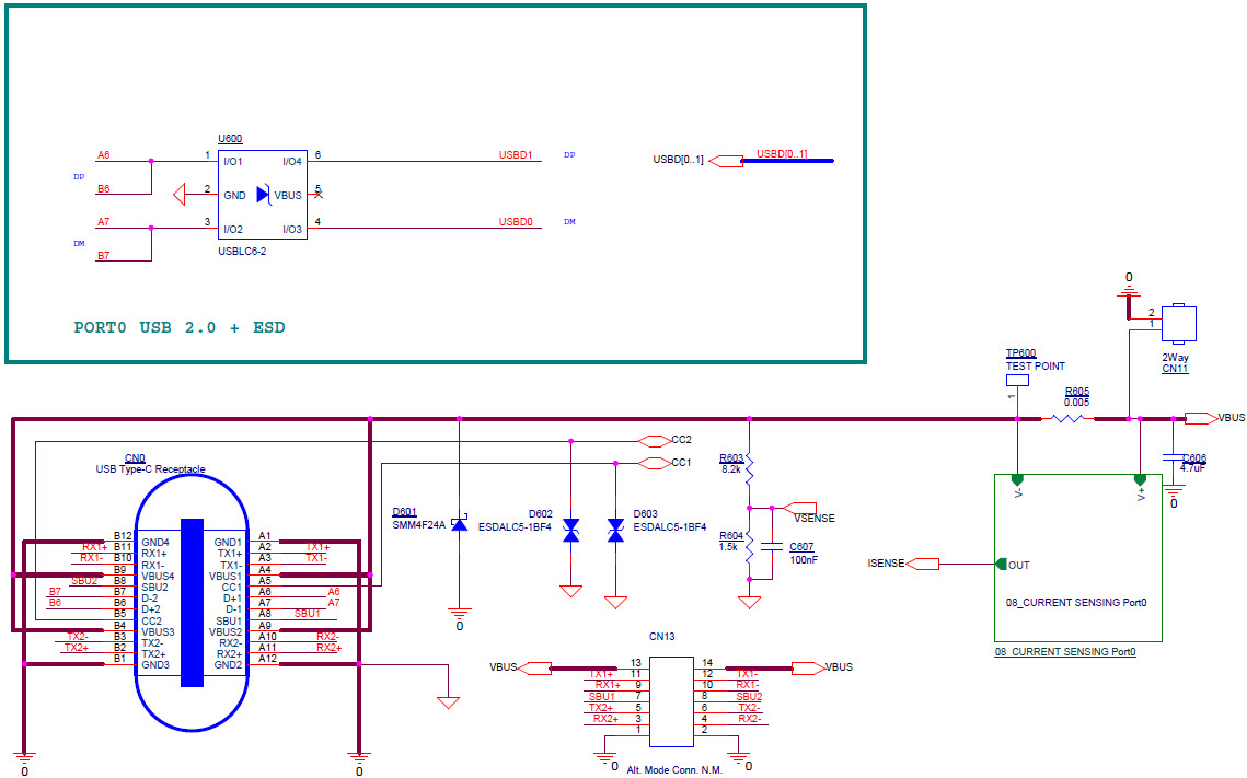
STUSB1602QTR | STMicroelectronics | USB Interface ICs | Super Speed USB Controller USB 1.2/USB 2.0 5V/9V/12V/15V/18V T/R 24-Pin QFN EP | Buy | |
|
|
STUSB1602AQTR | STMicroelectronics | USB Interface ICs | Super Speed Basic USB Type-C Controller USB 2.0/USB 3.0/USB-C 5V/9V/12V/15V/18V T/R 24-Pin QFN EP | Buy | |