MAX9281COAXEVKIT#, Evaluation Kit for MAX9281 3.12Gbps GMSL Serializer for Coax or STP Output Drive and LVDS Input
Reference Design using part MAX9281GTM by Analog Devices
For End Products
- Car Navigation
- Megapixel Camera Systems
- Rear Seat Entertainment
Description
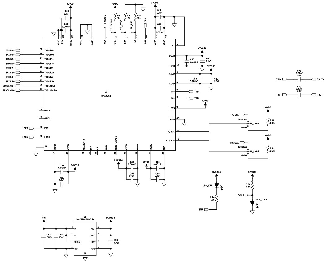
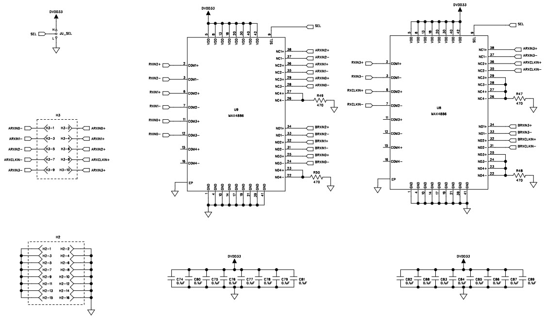
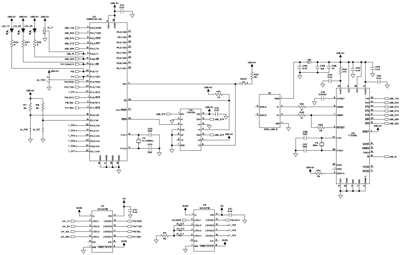
- MAX9281COAXEVKIT#, COAX Evaluation Kit (EV kit) provide a proven design to evaluate the MAX9281 a high-bandwidth gigabit multimedia serial link (GMSL) serializers with spread spectrum and full-duplex control channel with the use of a standard FAKRA coaxial cable. The EV kit also includes Windows XP, Windows Vista, and Windows 7-compatible software that provides a simple graphical user interface (GUI) for exercising features of the device. The EV kit comes with a MAX9281GTM+ installed
Featured Parts (44)
| Part Number | Manufacturer | Type | Description | |||
|---|---|---|---|---|---|---|
|
|
DS89C450-ENL+ | Analog Devices | Microcontrollers - MCUs | MCU 8-bit 8051 CISC 64KB Flash 5V 44-Pin TQFP Tray | Buy | |
|
|
MAX4886ETO+ | Analog Devices | Analog Switch Multiplexers | Analog Switch Quad SPDT 42-Pin TQFN EP Tray | Buy | |
|
|
MAX4886ETO+ | Analog Devices | Analog Switch Multiplexers | Analog Switch Quad SPDT 42-Pin TQFN EP Tray | Buy | |
|
|
MAX1792EUA18+ | Analog Devices | Linear Regulators | LDO Regulator Pos 1.25V to 5V1.8V 0.5A 8-Pin uMAX EP Tube | Buy | |
|
|
MAX1792EUA18+T | Analog Devices | Linear Regulators | LDO Regulator Pos 1.25V to 5V1.8V 0.5A 8-Pin uMAX EP T/R | Buy | |
|
|
MAX9259GCB/V+T | Analog Devices | Specialized Interfaces | Gigabit Multimedia Serial Link Automotive AEC-Q100 64-Pin TQFP EP T/R | Buy | |
|
|
MAX9268GCM/V+T | Analog Devices | Multimedia Misc | Gigabit Multimedia Deserializer Automotive AEC-Q100 48-Pin TQFP EP T/R | Buy | |
|
|
MAX9268GCM/V+T | Analog Devices | Multimedia Misc | Gigabit Multimedia Deserializer Automotive AEC-Q100 48-Pin TQFP EP T/R | Buy | |
|
|
MAX9268GCM/V+TG2C | Analog Devices | LVDS | Gigabit Multimedia Serial Link Deserializer with LVDS System Interface Automotive AEC-Q100 | Buy | |
|
|
MAX1792EUA33+ | Analog Devices | Linear Regulators | LDO Regulator Pos 1.25V to 5V3.3V 0.5A 8-Pin uMAX EP Tube | Buy | |
|
|
MAX1792EUA33+T | Analog Devices | Linear Regulators | LDO Regulator Pos 1.25V to 5V3.3V 0.5A 8-Pin uMAX EP T/R | Buy | |
|
|
MAX3378EEUD+ | Analog Devices | Level Translators | Voltage Level Translator 4-CH Bidirectional 14-Pin TSSOP Tube | Buy | |