MAX14986EVKIT#, Evaluation Kit for MAX14986 Dual 6 GT/s SAS/SATA Redriver with Equalization and Extended Temperature Operation

Reference Design using part MAX14986ETI+ by Analog Devices

Manufacturer

Analog Devices
  • Application Category
    Wireless Communication
  • Product Type
    Repeater

For End Products

  • Carrier Boards
  • Industrial PCs
  • Medical Equipments
  • Rack-Mounted Servers
  • System on-Module
  • Test Equipment

Description

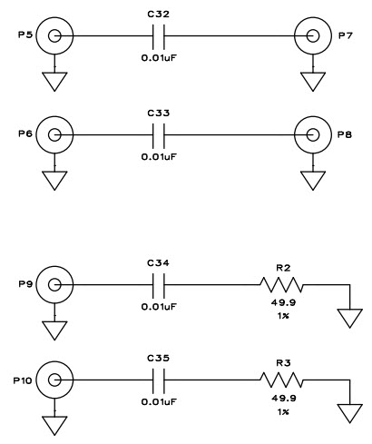
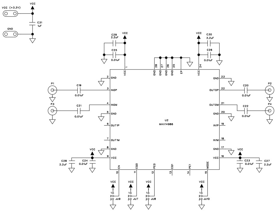
  • The MAX14986 evaluation kit (EV kit) provides a proven design to evaluate the MAX14986 dual-channel buffer. The EV kit contains four sections: an application circuit, characterization circuit and two calibration traces. The application circuit is designed to demonstrate the IC's use in redriving Serial-Attached SCSI (SAS) and Serial ATA (SATA) signals. This section of the EV kit operates from an external +5V supply that is regulated by an on-board LDO to +3.3V, which powers the MAX14986 (U1) device. All traces in the application circuit are 100O differential controlled-impedance traces

Key Features

  • Communication Standard
    SAS/SATA

We've updated our privacy policy. Please take a moment to review these changes. By clicking I Agree to Arrow Electronics Terms Of Use  and have read and understand the Privacy Policy and Cookie Policy.

Our website places cookies on your device to improve your experience and to improve our site. Read more about the cookies we use and how to disable them here. Cookies and tracking technologies may be used for marketing purposes.
By clicking “Accept”, you are consenting to placement of cookies on your device and to our use of tracking technologies. Click “Read More” below for more information and instructions on how to disable cookies and tracking technologies. While acceptance of cookies and tracking technologies is voluntary, disabling them may result in the website not working properly, and certain advertisements may be less relevant to you.
We respect your privacy. Read our privacy policy here