INA149EVM is a platform for basic functional evaluation of the INA149 High Common-Mode Difference Amplifier

Reference Design using part INA149 by Texas Instruments

Manufacturer

Texas Instruments
  • Application Category
    Amplifiers and Comparators
  • Product Type
    Difference Amplifier

Associated Documents

For End Products

  • Motion Motor Control

Description

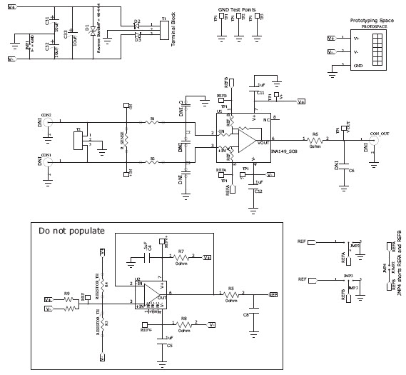
  • INA149EVM is a platform for basic functional evaluation of the INA149 High Common-Mode Difference Amplifier. The INA149 is a precision unity-gain difference amplifier with a very high input common-mode voltage range (275 V). It is composed of a precision operational amplifier and an integrated thin-film resistor network

Key Features

  • Gain
    1 dB
  • Number of Supplies
    Dual

We've updated our privacy policy. Please take a moment to review these changes. By clicking I Agree to Arrow Electronics Terms Of Use  and have read and understand the Privacy Policy and Cookie Policy.

Our website places cookies on your device to improve your experience and to improve our site. Read more about the cookies we use and how to disable them here. Cookies and tracking technologies may be used for marketing purposes.
By clicking “Accept”, you are consenting to placement of cookies on your device and to our use of tracking technologies. Click “Read More” below for more information and instructions on how to disable cookies and tracking technologies. While acceptance of cookies and tracking technologies is voluntary, disabling them may result in the website not working properly, and certain advertisements may be less relevant to you.
We respect your privacy. Read our privacy policy here