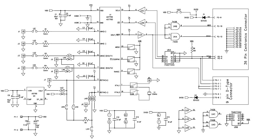
EVAL-AD7782EB, evaluation board for AD7782, 24-Bit, 20SPS, 2CH ADC for Industrial Control

Reference Design using part AD7782 by Analog Devices

Manufacturer

Analog Devices
  • Application Category
    Data Conversion
  • Product Type
    Analog to Digital Conversion

For End Products

  • Industrial Control
  • Instrumentation and Measurement
  • Outdoor Temperature Sensor
  • Pressure Sensor
  • Weight Scale

Description

  • EVAL-AD7782EB, evaluation board for AD7782, Low Voltage, Low Power, 24-Bit,Sigma Delta ADC. AD7782 is a complete analog front end for low frequency measurement applications

Key Features

  • ADC Resolution
    24 Bit
  • ADC Sampling Rate
    20 SPS
  • Number of Channels
    2CH

We've updated our privacy policy. Please take a moment to review these changes. By clicking I Agree to Arrow Electronics Terms Of Use  and have read and understand the Privacy Policy and Cookie Policy.

Our website places cookies on your device to improve your experience and to improve our site. Read more about the cookies we use and how to disable them here. Cookies and tracking technologies may be used for marketing purposes.
By clicking “Accept”, you are consenting to placement of cookies on your device and to our use of tracking technologies. Click “Read More” below for more information and instructions on how to disable cookies and tracking technologies. While acceptance of cookies and tracking technologies is voluntary, disabling them may result in the website not working properly, and certain advertisements may be less relevant to you.
We respect your privacy. Read our privacy policy here