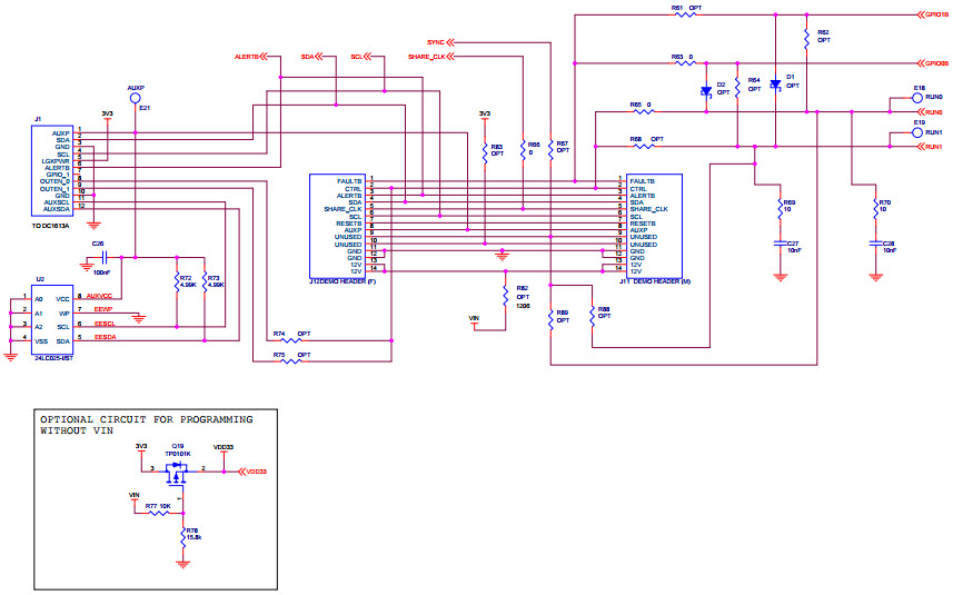
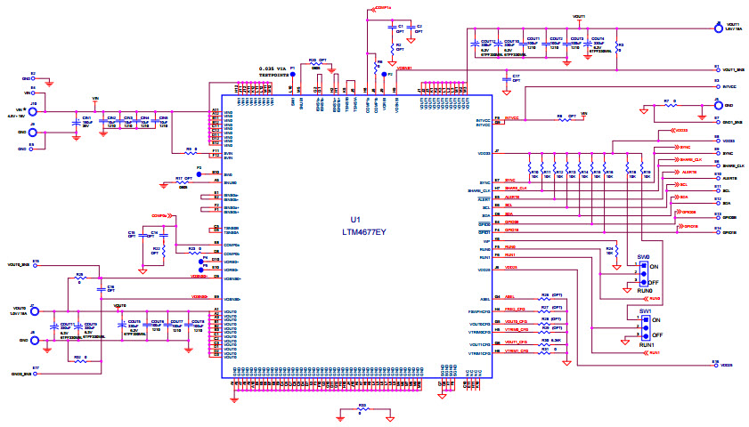
DC2066A, Demo Board for LTM4677EY Module Regulator with Digital PSM with 4.5V = VIN = 16V, Vout0 = Vout1 = 0.5V to 1.8V @ 18A

Reference Design using part LTM4677EY#PBF by Analog Devices

Manufacturer

Analog Devices
  • Application Category
    Power Supplies
  • Product Type
    DC to DC Multi-Output Power Supplies

For End Products

  • Environmental
  • Storage System
  • Telecom System

Description

  • DC2066A, Demonstration Circuit is a dual-output, high efficiency, high density, module regulator with 4.5V to 16V input range. Each output can supply 18A maximum load current and can be programmed for voltages between 0.5V and 1.8V. The demo board has a LTM4677 module regulator, which is a dual 18A or single 36A step-down regulator with digital power system management. The LTM4677 features remote configurability and telemetry - monitoring of power management parameters over PMBUs (an open standard I2C-based digital interface protocol)

Key Features

  • Conversion Type
    DC to DC
  • Input Voltage
    4.5 to 16 V
  • Output Voltage
    0.5 to 1.8 V
  • Output Current
    18 A
  • Efficiency
    87.9 %
  • Topology
    Buck

We've updated our privacy policy. Please take a moment to review these changes. By clicking I Agree to Arrow Electronics Terms Of Use  and have read and understand the Privacy Policy and Cookie Policy.

Our website places cookies on your device to improve your experience and to improve our site. Read more about the cookies we use and how to disable them here. Cookies and tracking technologies may be used for marketing purposes.
By clicking “Accept”, you are consenting to placement of cookies on your device and to our use of tracking technologies. Click “Read More” below for more information and instructions on how to disable cookies and tracking technologies. While acceptance of cookies and tracking technologies is voluntary, disabling them may result in the website not working properly, and certain advertisements may be less relevant to you.
We respect your privacy. Read our privacy policy here