DC1856A-A, Demo Board for LTM4649EY 3.3V, 10A Step-Down Regulator

Reference Design using part LTM4649EY by Analog Devices

Manufacturer

Analog Devices
  • Application Category
    Power Supplies
  • Product Type
    DC to DC Multi-Output Power Supplies

For End Products

  • Industrial Networking
  • Telecom System

Description

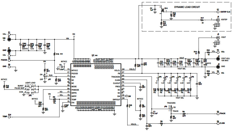
  • DC1856A-A, Demonstration Circuit features the LTM4649EY high performance, high efficiency step-down regulator. The LTM4649EY has an operating input voltage range of 4.5V to 16V and is able to provide an output current of up to 10A. The output voltage is pro-grammable from 0.6V to 5V and can be remotely sensed with the internal differential remote sensing amplifier

Key Features

  • Conversion Type
    DC to DC
  • Input Voltage
    4.5 to 16 V
  • Output Voltage
    1|1.2|1.5|1.8|2.5|3.3 V
  • Output Current
    10 A
  • Efficiency
    89 %
  • Topology
    Buck

We've updated our privacy policy. Please take a moment to review these changes. By clicking I Agree to Arrow Electronics Terms Of Use  and have read and understand the Privacy Policy and Cookie Policy.

Our website places cookies on your device to improve your experience and to improve our site. Read more about the cookies we use and how to disable them here. Cookies and tracking technologies may be used for marketing purposes.
By clicking “Accept”, you are consenting to placement of cookies on your device and to our use of tracking technologies. Click “Read More” below for more information and instructions on how to disable cookies and tracking technologies. While acceptance of cookies and tracking technologies is voluntary, disabling them may result in the website not working properly, and certain advertisements may be less relevant to you.
We respect your privacy. Read our privacy policy here