ADP2450ACPZ-3-EVBZ, Evaluation Board for Evaluating the ADP2450 Power Management IC for Circuit Breaker Applications
Reference Design using part ADP2450 by Analog Devices
For End Products
- Circuit Breaker
Description
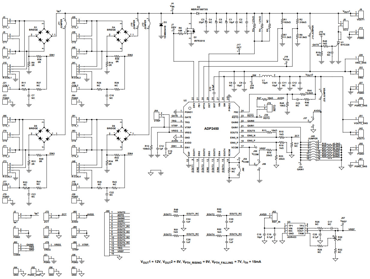
- ADP2450ACPZ-3-EVBZ, Evaluation Board provides a complete and compact solution that allows users to evaluate the performance of the ADP2450 with a near ideal printed circuit board (PCB) layout. The evaluation board is compatible with current transformer (CT) or ac current source as its input power source. The main device on the evaluation board, the ADP2450, integrates a boost shunt controller with power detection, a high efficiency buck regulator, four low offset and low power consumption programmable gain amplifiers (PGAs), a low offset operation amplifier, a fast analog trip circuit, and an actuator driver. With an external microcontroller unit (MCU) connected, the evaluation board is suitable for quick system evaluation of circuit breaker applications
Featured Parts (11)
| Part Number | Manufacturer | Type | Description | |||
|---|---|---|---|---|---|---|
|
|
ADR433ARZ-REEL7 | Analog Devices | Voltage References | V-Ref Precision 3V 30mA 8-Pin SOIC N T/R | Buy | |
|
|
ADR433ARMZ | Analog Devices | Voltage References | V-Ref Precision 3V 30mA 8-Pin MSOP Tube | Buy | |
|
|
ADR433ARMZ-REEL7 | Analog Devices | Voltage References | V-Ref Precision 3V 30mA 8-Pin MSOP T/R | Buy | |
|
|
ADR433ARZ | Analog Devices | Voltage References | V-Ref Precision 3V 30mA 8-Pin SOIC N Tube | Buy | |
|
|
ADR433BRZ-REEL7 | Analog Devices | Voltage References | V-Ref Precision 3V 30mA 8-Pin SOIC N T/R | Buy | |
|
|
ADR433BRZ | Analog Devices | Voltage References | V-Ref Precision 3V 30mA 8-Pin SOIC N Tube | Buy | |
|
|
ADP2450ACPZ-1-R7 | Analog Devices | PMIC Solutions | Power Management IC 4.5V to 36V 32-Pin LFCSP EP T/R | Buy | |
|
|
ADP2450ACPZ-5-R7 | Analog Devices | PMIC Solutions | Power Management IC 4.5V to 36V 32-Pin LFCSP EP T/R | Buy | |
|
|
ADP2450ACPZ-4-R7 | Analog Devices | PMIC Solutions | Power Management IC 4.5V to 36V 32-Pin LFCSP EP T/R | Buy | |
|
|
ADP2450ACPZ-3-R7 | Analog Devices | PMIC Solutions | Power Management IC 4.5V to 36V 32-Pin LFCSP EP T/R | Buy | |
|
|
ADP2450ACPZ-2-R7 | Analog Devices | PMIC Solutions | Power Management IC 4.5V to 36V 32-Pin LFCSP EP T/R | Buy | |