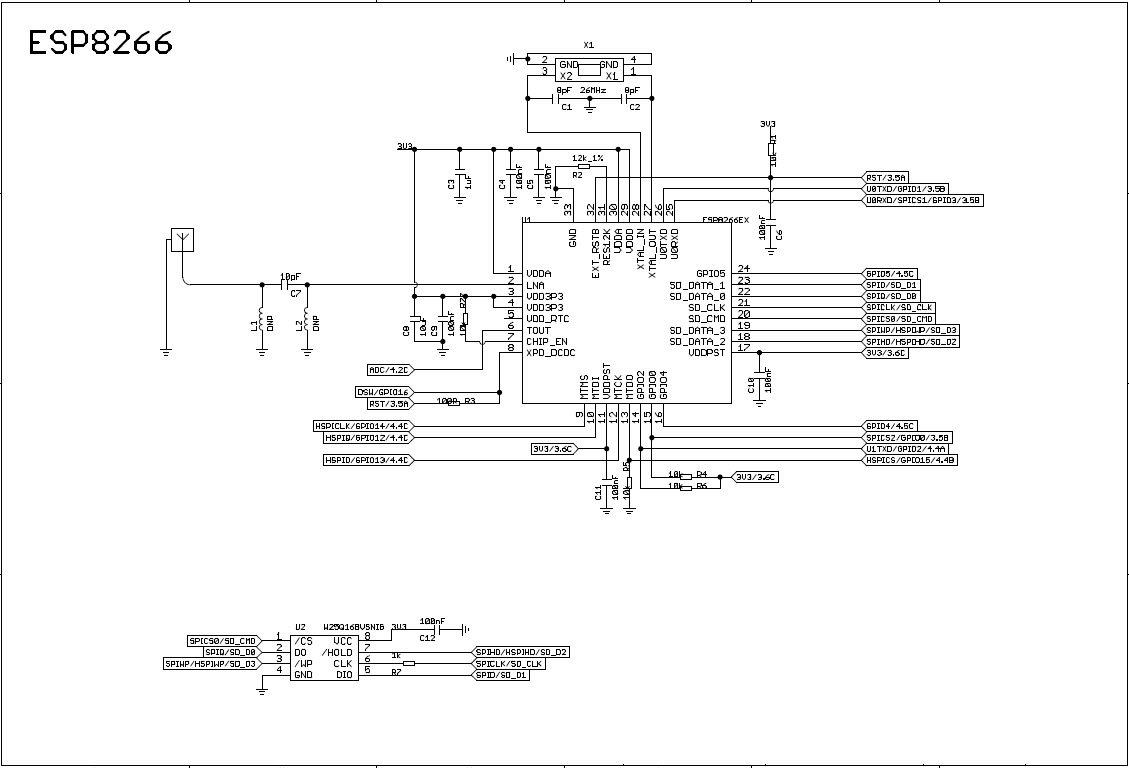
102110037, Wio Link is an ESP8266 SoC based open-source Wi-Fi Development Board for IoT Applications
Reference Design using part ESP8266 by Seeed Technology Co.,Ltd
Associated Documents
For End Products
- Environmental Monitoring
- Funny Toys
- Internet of Things (IoT)
- Smart Home
- Web of Things (WoT)
Description
- 102110037, Wio Link is an ESP8266 SoC based open-source Wi-Fi development board and associated platform to create IoT applications by virtualizing plug-n-play modules to RESTful APIs with mobile Apps. Wio Link is designed to simplify your IoT development, aims to make it easy to develop Internet of Things products and services. Using the Wio Link, developers are able to build IoT applications with no hardware programming, no breadboard, no jumper wires, and no soldering. Users can build IoT applications in three steps in about five minutes
Featured Parts (8)
| Part Number | Manufacturer | Type | Description | |||
|---|---|---|---|---|---|---|
|
|
CP2102N-A02-GQFN24R | Silicon Labs | USB Interface ICs | Full Speed USB to UART Bridge USB 2.0 3.3V T/R Medical 24-Pin QFN EP | Buy | |
|
|
CP2102-GM | Silicon Labs | USB Interface ICs | Low Speed/Full Speed USB to UART Bridge USB 2.0 3.3V Tube 28-Pin QFN EP | Buy | |
|
|
CP2102N-A02-GQFN28 | Silicon Labs | USB Interface ICs | Full Speed USB to UART Bridge USB 2.0 3.3V Tube Medical 28-Pin QFN EP | Buy | |
|
|
CP2102N-A02-GQFN24 | Silicon Labs | USB Interface ICs | Full Speed USB to UART Bridge USB 2.0 3.3V Tube Medical 24-Pin QFN EP | Buy | |
|
|
CP2102-GMR | Silicon Labs | USB Interface ICs | Low Speed/Full Speed USB to UART Bridge USB 2.0 3.3V T/R 28-Pin QFN EP | Buy | |
|
|
CP2102N-A02-GQFN20R | Silicon Labs | USB Interface ICs | Full Speed USB to UART Bridge USB 2.0 3.3V T/R Medical 20-Pin QFN EP | Buy | |
|
|
CP2102N-A02-GQFN28R | Silicon Labs | USB Interface ICs | Full Speed USB to UART Bridge USB 2.0 3.3V T/R Medical 28-Pin QFN EP | Buy | |
|
|
CP2102N-A02-GQFN20 | Silicon Labs | USB Interface ICs | Full Speed USB to UART Bridge USB 2.0 3.3V Tube Medical 20-Pin QFN EP | Buy | |