Filters
| Description | Released By | For Application | For End Products | |||
|---|---|---|---|---|---|---|
MAX25611EVKIT#MAX25611EVKIT#, Evaluation Kit for the MAX25611C Automotive High-Voltage, HB-LED Controller |
Analog Devices | Lighting | Off-Line Exterior Lighting, Heads-Up Display, Electronic Signs and Signals, Industrial Lighting, Daytime Running Lights (DRL), Commercial Lighting, Automotive Front Lights, Architectural Lighting, Fog Lights | |||
MAX20090EVKIT# |
Analog Devices | Lighting | Off-Line Exterior Lighting, Heads-Up Display, Electronic Signs and Signals, Industrial Lighting, Daytime Running Lights (DRL), Commercial Lighting, Automotive Front Lights, Architectural Lighting, Fog Lights | |||
MAX16813EVKIT# |
Analog Devices | Lighting | LCD TV, Industrial Lighting, Rear Combo Lamps (RCL), Daytime Running Lights (DRL), Ambient Lighting, Automotive Front Lights, LED Backlighting, Architectural Lighting, Automotive Displays, Fog Lights | |||
AN4646 |
Analog Devices | Lighting | Automotive and Transportation, LCD Backlighting, LCD Monitor, Automotive Lighting, LCD Display | |||
AN4367 |
Analog Devices | Lighting | Projector | |||
AN4619 |
Analog Devices | Lighting | Communications and Telecom | |||
DLD101EV1DLD101EV1, Evaluation Board based on DLD101 Linear Mode Constant Current LED Driver |
Diodes Incorporated | Lighting | Lighting Dimmer | |||
AL9910EV6AL9910EV6, Evaluation Board based on AL9910 Offline Isolated LED Driver |
Diodes Incorporated | Lighting | LED Lighting, Backlighting | |||
DN83 |
Diodes Incorporated | Lighting | Cellular Phone, Smart Phone, Illumination | |||
DN86 |
Diodes Incorporated | Lighting | Cellular Phone, Smart Phone, Illumination | |||
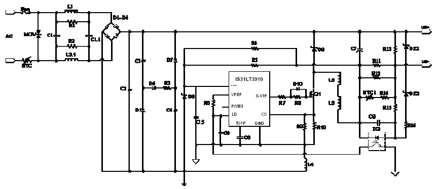
IS31LT3910_GRLS2_EBT8 |
Integrated Silicon Solution Inc | Lighting | LED Lighting, LCD Backlighting | |||
AN493697-LEDs High Brightness LED Driver for Industrial HB LED Lighting |
Infineon Technologies AG | Lighting | Industrial HB LED Lighting | |||
IS31LT3910_Typical Application |
Integrated Silicon Solution Inc | Lighting | Decorative Lighting, AC to DC LED Driver, LED Backlighting, Constant Current Regulators | |||
AN0309 |
Littelfuse | Lighting | LED Lighting | |||
AN0309 |
Littelfuse | Lighting | LED Lighting | |||
CPC9909_Typical Application |
Littelfuse | Lighting | Signage Lighting, Decorative Lighting, AC to DC LED Driver, DC to DC LED Driver, RGB Backlighting | |||
HV9967BDB1HV9967BDB1, 4W LED Driver Demo Board with Accurate Average-Mode Constant Current Control |
Microchip Technology | Lighting | Battery Charger, Signage Lighting, Decorative Lighting, AC to DC LED Driver, DC to DC LED Driver, Display Backlighting, Constant-Current LED Driver, RGB Backlighting | |||
EVIX-LEDEVIX-LED, SolarBIT Evaluation Board based on LTC3454EDD Buck-Boost LED Driver |
Littelfuse | Lighting | Indoor & Outdoor Lighting | |||
MXHV9910BTR_Typical ApplicationTypical Linear Dimming Application Circuit for MXHV9910BTR Off-Line, High Brightness LED Driver |
Littelfuse | Lighting | Flat Panel Display, Signage Lighting, Decorative Lighting, AC to DC LED Driver, DC to DC LED Driver | |||
MXHV9910BETR_Typical ApplicationTypical Linear Dimming Application Circuit for MXHV9910BETR Off-Line, High Brightness LED Driver |
Littelfuse | Lighting | Flat Panel Display, Signage Lighting, Decorative Lighting, AC to DC LED Driver, DC to DC LED Driver | |||