Arrow Electronic Components Online

Kit de développement Arrow SEED-S32K3B_CORE basé sur NXP S32K3

Kits de développement18 avr. 2024
Carte de circuit électronique en gros plan
Voir tous les articles

Ces dernières années, l'évolution rapide de l'architecture électronique et électrique automobile a imposé de nouvelles exigences aux MCU, notamment une puissance de calcul accrue, une sécurité fonctionnelle renforcée, la sécurité des informations, la capacité OTA, des capacités de communication plus robustes et une largeur de bande réseau améliorée. NXP a introduit la série MCU S32K3 améliorée en réponse à ces exigences, s'appuyant sur la plateforme S32K1.

Comparaison entre S32K3 et S32K1

  • Puissance de calcul supérieure : Le cœur est mis à niveau vers Arm Cortex-M7, avec une fréquence maximale augmentée à 320 MHz.
  • Sécurité fonctionnelle : Alors que le S32K1 atteint une sécurité fonctionnelle jusqu'au niveau Asil B, le S32K344 basé sur des produits à cœur redondant atteint un niveau de sécurité fonctionnelle allant jusqu'à Asil D.
  • Sécurité de l'information : Le cœur de sécurité CSEc du S32K1 ne peut pas effectuer de chiffrement asymétrique, tandis que le moteur HSE-B du S32K3 peut implémenter un chiffrement avancé incluant le chiffrement asymétrique, en faisant le moteur de sécurité au plus haut niveau pour les MCU automobiles actuels, surpassant les modules HSM.
  • Mise à niveau de la communication : S32K1 prend en charge un maximum de seulement 3 canaux CAN, tandis que S32K3 prend en charge jusqu'à 8 canaux CAN/FD ; Ethernet est amélioré à un maximum de 1 Gbps, prenant en charge à la fois le pontage audio-vidéo (AVB) et le réseau sensible au temps (TSN).
  • Plus petit boîtier: MaxQFP, une technologie de boîtier brevetée par NXP, réduit la taille du boîtier de moitié par rapport à LQFP avec le même nombre de broches.

Pour permettre aux clients de se familiariser rapidement avec cette puce, AiRui Electronics a lancé un kit de développement très simplifié, SEED-S32K3B_CORE. Avec ce kit de développement, les clients peuvent facilement évaluer S32K3 et intégrer commodément le kit de développement dans leurs propres systèmes, permettant une évaluation approfondie et des tests système avant le développement.

Introduction de la solution

A detailed circuit diagram showcasing the NXP S32K3 microcontroller (FBGA257) with labeled components and connections.

Le schéma de SEED-S32K3B_CORE.

Le cœur de puce de SEED-S32K3B_CORE adopte un boîtier LFBGA257.

Close-up view of the SEED-S32K3B Core v1.0 circuit board featuring NXP microcontroller.

Le schéma du SEED-S32K3B_CORE.

Fonctions et caractéristiques

1. Alimentation électrique

La puce S32K3 nécessite trois alimentations externes : VDD_HV_A, VDD_HV_B et V15. La carte peut être alimentée de deux manières : la première est une alimentation externe de 12V, générant les 5V et 3,3V nécessaires pour la carte via la puce d'alimentation FS26 présente sur la carte, et l'autre consiste à partager directement l'alimentation 5V avec la puce centrale à l'externe, sans utiliser la puce d'alimentation FS26 sur la carte. Cette dernière méthode simplifie le système, nécessitant seulement une alimentation 5V unique pour l'ensemble du système sans besoin d'autres puces d'alimentation. Ces deux méthodes peuvent être facilement alternées à l'aide de cavaliers.

La puce d'alimentation FS26 sur la carte est développée conformément à la norme ISO26262, offrant des fonctionnalités de sécurité améliorées telles que des sorties d'arrêt multiples en cas de défaillance, couvrant les niveaux d'intégrité de sécurité ASIL B et ASIL D, et le dernier suivi de défaillance potentielle à la demande. FS26 dispose de plusieurs régulateurs à découpage et régulateurs LDO, fournissant de l'énergie aux microcontrôleurs, capteurs, circuits intégrés périphériques et interfaces de communication. FS26 offre des tensions de référence de haute précision, des tensions de référence pour deux régulateurs de suivi de tension indépendants, ainsi que diverses fonctions pour le contrôle et le diagnostic du système, telles que des multiplexeurs analogiques, des entrées/sorties polyvalentes (IO) et des événements de réveil optionnels provenant des E/S, des minuteries à long terme ou de la communication SPI.

En fonctionnement normal, FS26 doit être alimenté périodiquement pour fonctionner correctement, ce qui n'est pas favorable au débogage initial du produit. Par conséquent, le cavalier JP6 sur la carte est utilisé pour sélectionner le mode de fonctionnement de FS26, qui peut choisir le mode Flash, le mode Débogage ou le mode de fonctionnement normal. Dans ce système, FS26 génère trois tensions de sortie : 5V, 3,3V et 1,5V, et les utilisateurs peuvent choisir de manière flexible différents modes d'alimentation via des cavaliers. Si vous souhaitez simplifier le système, vous pouvez choisir de ne pas utiliser FS26 en sélectionnant le cavalier et de connecter directement une alimentation 5V, en adoptant un mode d'alimentation 5V.

En résumé, les utilisateurs peuvent choisir les modes d'alimentation suivants à l'aide de cavaliers :

  • VDD_HV_A = VREFH = VDD_HV_B = +5.0V (externe), V15 = +1.5V (transistor NPN externe)
  • VDD_HV_A = VREFH = VDD_HV_B = +5,0V (FS26), V15 = +1,5V (transistor NPN externe)
  • VDD_HV_A = VREFH = VDD_HV_B = +3.3V (FS26), V15 = +1.5V (transistor NPN externe)
  • VDD_HV_A = VREFH = VDD_HV_B = +5,0V (FS26), V15 = +1,5V (FS26)
  • VDD_HV_A = VREFH = VDD_HV_B = +3,3V (FS26), V15 = +1,5V (FS26)
  • VDD_HV_A = VREFH = +5.0V (FS26), VDD_HV_B = +3.3V, V15 = +1.5V (transistor NPN externe)
  • VDD_HV_A = VREFH = +5.0V (FS26), VDD_HV_B = +3.3V, V15 = +1.5V (FS26)

Étant donné que les deux méthodes d'entrée d'alimentation partagent un seul connecteur, il est possible qu'au cours de l'utilisation réelle, une situation se produise où un cavalier sélectionne 5V alors qu'une alimentation externe de 12V est connectée. Dans ce cas, la carte dispose d'une fonction de protection contre les surtensions intégrée pour le 5V. La carte s'éteindra automatiquement et allumera le voyant d'avertissement de protection contre les surtensions pour protéger la puce principale.

2. CAN

Une interface CAN est développée sur la carte, mise en œuvre via la puce TJA1044. Le TJA1044 est un transcepteur CAN haute vitesse appartenant à la série Mantis. Il fournit une interface entre le contrôleur de protocole CAN et le bus CAN bifilaire physique. Le transcepteur est spécifiquement conçu pour les applications CAN haute vitesse dans l'industrie automobile, offrant la fonction d'émission et de réception de signaux différentiels pour le contrôleur de protocole CAN (dans le microcontrôleur). Les diverses caractéristiques du TJA1044 sont optimisées pour les applications automobiles en 12V, avec des performances significativement améliorées par rapport aux transcepteurs CAN de première et deuxième génération de NXP (comme le TJA1040), et une performance de compatibilité électromagnétique (CEM) exceptionnelle. De plus, les caractéristiques du TJA1044 incluent :

  • Performance passive idéale du bus CAN lorsque l'alimentation est déconnectée.
  • Mode veille à courant extrêmement faible avec fonction de réveil sur bus.
  • Excellentes performances CEM même à des vitesses allant jusqu'à 500 kbit/s sans selfs de mode commun.

Ces fonctionnalités font de TJA1044 un choix idéal pour tous les types de réseaux HS-CAN, pour les nœuds nécessitant des modes basse consommation et un réveil via le bus CAN.

Le TJA1044 implémente la norme ISO11898 actuelle (ISO11898-2:2003, ISO11898-5:2007 et la version mise à jour de l'ISO 11898-2:2016 qui sera publiée prochainement) définissant la couche physique CAN. Le taux de transmission des données du TJA1044T peut atteindre 1 Mbit/s. Des paramètres de temporisation supplémentaires définissant la symétrie des délais de boucle pour CAN FD et SAE-J2284-4/5 seront spécifiés pour les TJA1044GT et TJA1044GTK dans la version ISO11898-2:2016 à venir, permettant une communication fiable même à des débits de données pouvant atteindre 5 Mbit/s en phase rapide CAN FD.

3. Interface de débogage

De plus, la carte fournit également l'interface de débogage suivante, permettant aux utilisateurs de déboguer la puce principale à l'aide de Multilink, ainsi qu'un port série pour une connexion si nécessaire.

A detailed circuit schematic featuring a microcontroller and associated components.

4. Autres

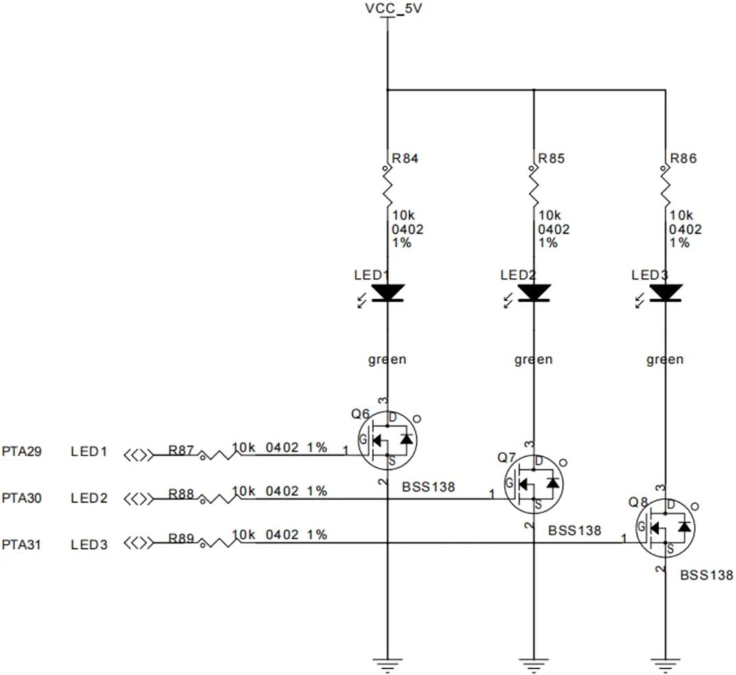
A detailed circuit diagram showcasing three green LEDs connected to BSS138 transistors.

Il y a 3 voyants LED sur la carte

A detailed schematic of an electrical circuit featuring resistors, capacitors, and switches.

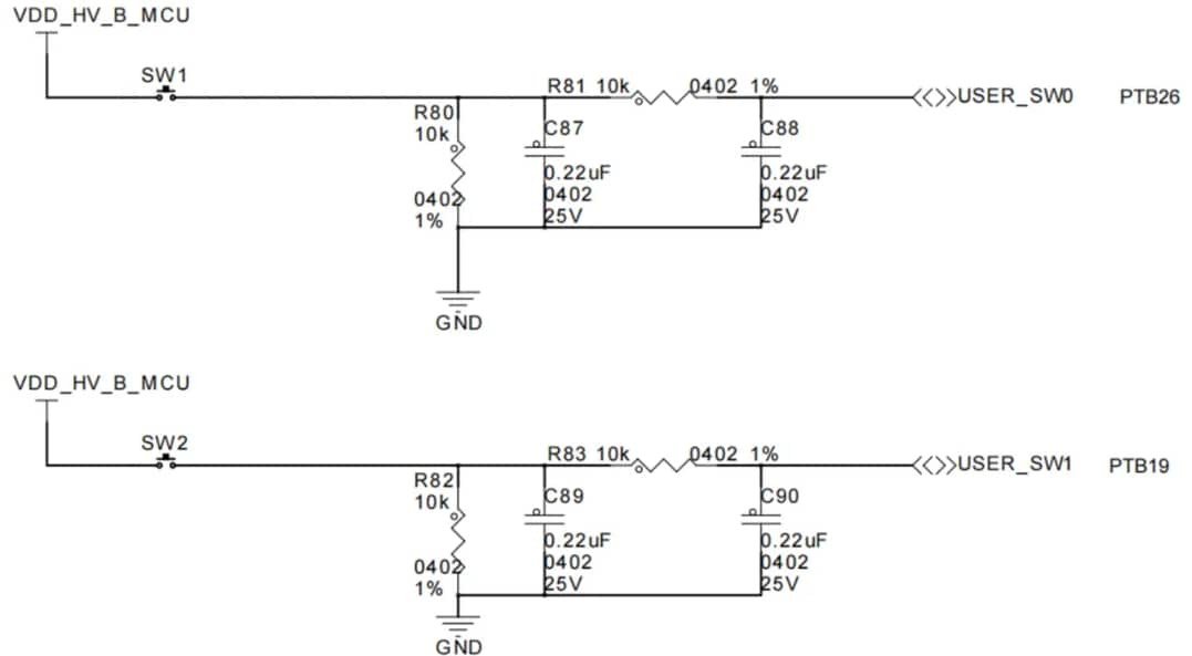
Interrupteur à deux boutons

NXP Testdrive Seed-S32K344 Article Content Image -

Un potentiomètre coulissant pour le réglage de la tension, utilisé pour le débogage fonctionnel

A detailed schematic diagram showcasing an electronic circuit. The image includes labeled components such as SW3, R71, and C80, with specifications like 1000pF and 50V clearly visible.

Un bouton RESET pour redémarrer la carte

De plus, tous les broches S32K3 sont prolongées vers des points de test avec un pas de 2,54 mm de chaque côté de la carte, permettant aux utilisateurs de se connecter directement avec des fils DuPont pour les tests ou de souder des connecteurs à broches ou des sockets pour les tests.

Domaines d'application

Applications liées au corps, y compris certains systèmes d'information de divertissement, T-Box, etc.

Applications avec des exigences élevées en matière de sécurité fonctionnelle, notamment BMS, Gear Shifter, ADAS, APA, APD, etc., et des versions à faible coût avec une sécurité fonctionnelle élevée telles que DCDC, EPS, Inverter, etc.

Contrôleur de domaine, contrôleur zonal, en particulier les nœuds zonaux, où S32K3 peut répondre à plus de 80 % des nœuds.

Étiquettes d'article

Global
NXP Semiconductors
Automobile
Article

Contenu connexe