Arrow Electronic Components Online

LTC7893/LTC7892: Controladores Boost síncronos de 100V con bajo IQ para FETs de GaN

Poder31 jul 2025
Foto de un electricista trabajando en la red eléctrica
Ver todos los artículos

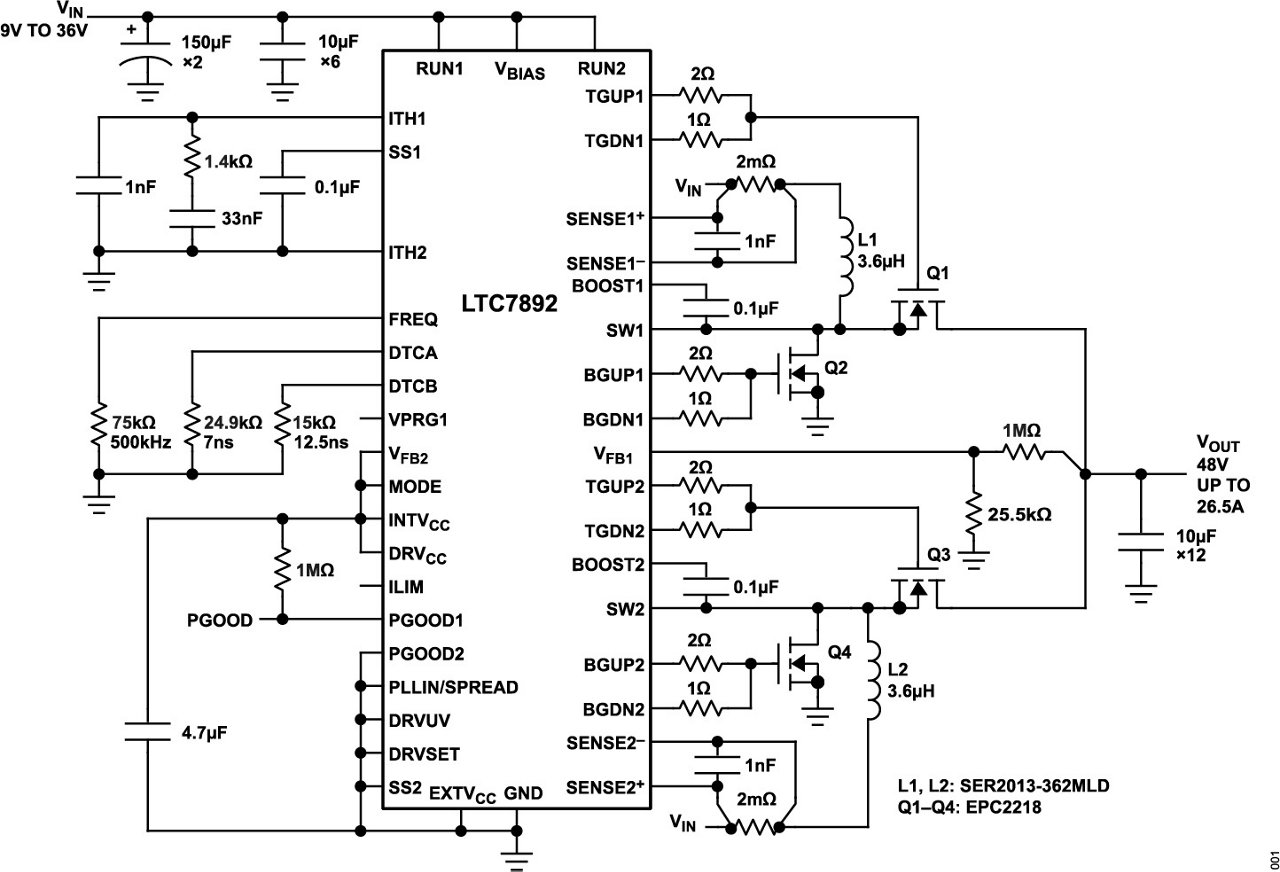
El LTC7893/LTC7892 son controladores de reguladores de conmutación DC-DC step-up de alto rendimiento que manejan todas las etapas de potencia de transistores de efecto de campo (FET) sincrónicos de nitruro de galio (GaN) N-canal desde tensiones de salida de hasta 100V.   El LTC7893/LTC7892 soluciona muchos de los desafíos tradicionalmente enfrentados al usar FETs GaN. Simplifica el diseño de aplicaciones sin necesidad de diodos de protección ni otros componentes externos adicionales en comparación con una solución de transistor de efecto de campo metal-óxido-semiconductor de silicio (MOSFET).   Los interruptores internos de bootstrap inteligente evitan la sobrecarga del pin BOOSTx al pin SWx de los suministros del controlador de lado alto durante los tiempos muertos, protegiendo la compuerta del FET superior GaN. Los tiempos muertos del LTC7893/LTC7892 pueden optimizarse opcionalmente con resistencias externas para mayor margen o para adaptar la aplicación a una mayor eficiencia, permitiendo además operación a alta frecuencia.   El voltaje de conducción de compuerta del LTC7893/LTC7892 puede ajustarse de manera precisa desde 4V hasta 5,5V para optimizar el rendimiento y permitir el uso de distintos FETs GaN o incluso MOSFETs de nivel lógico. Cuando se alimenta desde la salida del regulador del convertidor boost, el LTC7893/LTC7892 puede operar desde un suministro de entrada tan bajo como 1V después del arranque.

Características clave y beneficios

  • Tecnología de conducción GaN totalmente optimizada para FETs de GaN
  • Voltaje de salida hasta 100V
  • Amplio Rango de VIN: de 4V a 60V y Funciona Hasta 1V Después del Inicio
  • No se necesitan diodos de retención, sujeción ni bootstrap
  • Interruptores Inteligentes Bootstrap Internos Previenen la Sobrecarga de los Suministros del Controlador de Lado Alto
  • Resistor de Tiempos Muertos Ajustables
  • Controladores de Puerta de Salida Dividida para Fuerzas Ajustables de Encendido y Apagado
  • Voltaje de Conductor Ajustable Preciso y UVLO
  • Bajo IQ de operación: 15μA
  • Frecuencia programable (100kHz a 3MHz)
  • Frecuencia sincronizable (100kHz a 3MHz)
  • Modulación de Frecuencia de Espectro Ensanchado
  • Paquete QFN de 28 pines (4 mm × 5 mm), con lados humectables (LTC7893)
  • Paquete QFN de 40 pines (6 mm × 6 mm), lateral humectable (LTC7892)
  • Calificado AEC-Q100 para Aplicaciones Automotrices

Aplicaciones

  • Sistemas de potencia automotriz e industrial
  • Aviónica Militar y Sistemas Médicos
  • Sistemas de Energía para Telecomunicaciones

Placa de Evaluación

El LTC7893/LTC7892 se puede evaluar con el EVAL-LTC7893-AZ y el EVAL-LTC7892-BZ, respectivamente.

Diagramas de Bloques y Tablas

LTC7892 typical application circuit

LTC7892 pin configuration

LTC7892 typical application graph

Partes destacadas

Etiquetas de artículo

Global
Analog Devices
Aeroespacial y Defensa
Automotriz y Transporte
Controladores
Médico y Atención sanitaria

Contenido Relacionado