Está experimentando el nuevo arrow.com, puede volver a la experiencia original en cualquier momento. Volver al sitio original​

Arrow Electronic Components Online

Consideraciones de diseño de circuitos osciladores

Circuitos Osciladores24 ene 2024
Una vista macro detallada de un componente electrónico plateado en una placa de circuito azul.
Ver todos los artículos

Los osciladores son un componente crítico en cualquier diseño de circuito, ya que manejan las funciones de temporización y permiten que todo lo demás funcione correctamente. Los osciladores de cristal son solo uno de los muchos tipos de diseños de osciladores, pero también son uno de los más comunes. En este artículo de ECS Inc International, explora los diferentes tipos de diseños de osciladores controlados por cristal y aprende cómo elegir el adecuado para tu aplicación en particular.

Los osciladores controlados por cristal pueden considerarse como compuestos por un amplificador y una red de realimentación que selecciona una parte de la salida del amplificador y la devuelve a la entrada del mismo. Puedes ver un ejemplo de este tipo de circuito a continuación.

Diagram of an amplifier with a feedback network.

Figura A - Red de Retroalimentación del Amplificador

  1. La ganancia de potencia del bucle debe ser equivalente a la unidad.
  2. El desfase del bucle debe ser equivalente a 0, 2π, 4π, etc. radianes.

La frecuencia exacta a la que operará un oscilador depende de los cambios en el ángulo de fase del lazo dentro del circuito del oscilador. Cualquier modificación neta en el ángulo de fase resultará en un cambio en la frecuencia de salida. Dado que el objetivo habitual de un oscilador es entregar una frecuencia que sea esencialmente independiente de las variables, se deben emplear algunos métodos para reducir la modificación neta de fase. Posiblemente, el mejor y ciertamente el medio más común para minimizar el desplazamiento neto de fase es utilizar una unidad de cristal de cuarzo en el lazo de realimentación.

La impedancia de un cristal de cuarzo cambia de manera tan drástica con los cambios en la frecuencia aplicada, que todos los demás componentes del circuito pueden considerarse como de reactancia esencialmente continua. En consecuencia, cuando una unidad de cristal se utiliza en el lazo de realimentación de un oscilador, la frecuencia de la unidad de cristal se autorregulará de manera que la unidad de cristal presente una reactancia que satisfaga las necesidades de fase del lazo. A continuación, se muestra una representación de la reactancia frente a la frecuencia de una unidad de cristal de cuarzo.

Graph showing the relationship between frequency and reactance, with inductive and capacitive reactance values.

Figura B - Curva de Reactancia frente a Frecuencia

Como se puede observar en la Figura B, la unidad de cristal de cuarzo tiene dos frecuencias de fases cero. La inicial, o menor de las dos, es la frecuencia de resonancia en serie, comúnmente abreviada como Fs. La siguiente, o mayor de las dos frecuencias de fases cero, es la frecuencia correspondiente, o de anti-resonancia, comúnmente abreviada como Fa. Tanto las frecuencias de resonancia en serie como las correspondientes aparecen como resistivas en un circuito oscilador. En el punto de resonancia en serie, la resistencia es mínima y el flujo de corriente es máximo. En el punto paralelo, la resistencia es máxima y el flujo de corriente es marginal. En consecuencia, la frecuencia de resonancia en paralelo, Fa, nunca debe usarse como la frecuencia principal de un circuito oscilador.

Una unidad de cristal de cuarzo puede oscilar en cualquier punto a lo largo de la línea entre los puntos de resonancia serie y paralelo mediante la inclusión de componentes reactivos (generalmente condensadores) en el bucle de retroalimentación del circuito del oscilador. Por lo tanto, la frecuencia resultante de la adición de capacitancia es mayor que la frecuencia de resonancia serie; generalmente se denomina frecuencia paralela, aunque es menor que la frecuencia paralela real.

Así como hay dos frecuencias de fases cero asociadas con una unidad de cristal de cuarzo, existen dos circuitos osciladores principales. Estos circuitos suelen definirse por el tipo de unidad de cristal que se va a utilizar, a saber, "serie" o "paralelo".

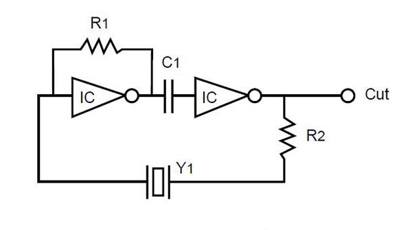
Circuito en Serie: Un circuito oscilador resonante en serie utiliza un cristal diseñado para operar a su frecuencia natural de resonancia en serie. En este tipo de circuito, no habrá condensadores en el bucle de retroalimentación. Los circuitos osciladores resonantes en serie se utilizan principalmente debido a su mínima cantidad de componentes. Sin embargo, estos circuitos pueden proporcionar caminos de retroalimentación distintos al cristal. Por lo tanto, en caso de fallo del cristal, dicho circuito podría seguir oscilando a alguna frecuencia subjetiva. A continuación, se presenta una representación de un circuito oscilador resonante en serie básico.

Electronic circuit diagram showing an integrated circuit (IC), resistors (R1, R2), capacitors (C1), and output labeled "Cut".

 Figura C - Circuito Oscilador Resonante en Serie

Como se puede apreciar en la Figura C, un circuito oscilador resonante en serie no proporciona medios para ajustar la frecuencia de salida, en caso de que se requiera una modificación. En el circuito anterior, la resistencia R1 se utiliza para polarizar el inversor y hacer que opere en su región lineal. Esta resistencia también proporciona realimentación negativa al inversor. El condensador C1 es un condensador de acoplamiento, utilizado para bloquear el voltaje de corriente continua (DC). La resistencia R2 se utiliza para polarizar la unidad de cristal; por lo tanto, se debe tener cuidado de no elegir un valor demasiado bajo. La unidad de cristal Y1 es una unidad de cristal resonante en serie, especificada para funcionar a la frecuencia preferida y con la tolerancia y estabilidad de frecuencia deseadas.

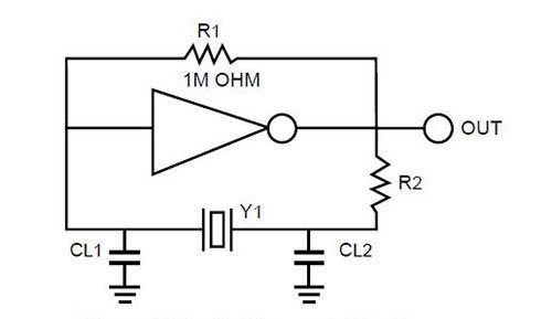
Circuito en Paralelo: Un circuito oscilador resonante en paralelo utiliza una unidad de cristal diseñada para operar con un valor específico de capacitancia de carga. Esto generará un resultado en el que la frecuencia del cristal será mayor que la frecuencia de resonancia en serie, pero menor que la frecuencia de resonancia en paralelo verdadera. Estos circuitos no ofrecen rutas alternativas más allá de la unidad de cristal para completar el bucle de retroalimentación. En caso de fallo de la unidad de cristal, el circuito dejará de oscilar. A continuación, se presenta una descripción simple de un circuito resonante en paralelo.

Electronic circuit diagram showing a transistor amplifier with input resistance, output, and load components.

Figura A -  Circuito Resonante en Paralelo

Frecuencia (MHz) CL1, CL2 R2 (Ω) CL (pF)
3 ~ 4 27 5.6k 16
4 ~ 5 27 3.9k 16
5 ~ 6 27 2.7k 16
6 ~ 8 18 2.7k 12
8 ~ 12 18 1.8k 12
12 ~ 15 18 1.0k 12
15 ~ 20 15 560 10
20 ~ 25 12 560 10

 Valores Típicos para un Circuito Paralelo

Este circuito utiliza un único inversor, con dos condensadores en el bucle de realimentación. Estos condensadores comprenden la "capacitancia de carga" y, junto con la unidad de cristal, generan la frecuencia a la cual el oscilador funcionará. Al alterarse el valor de la capacitancia de carga, también se modifica la frecuencia de salida del oscilador. Por lo tanto, este circuito proporciona un medio adecuado para ajustar la frecuencia de salida, en caso de que sea necesario realizar ajustes.

Las resistencias R1 y R2 cumplen las mismas funciones que las detalladas para el circuito resonante en serie mostrado en la Figura C. Los dos capacitores de carga, CL1 y CL2, ayudan a establecer la frecuencia a la cual la unidad de cristal y, por ende, el oscilador funcionarán. La unidad de cristal Y1 es una unidad de cristal resonante en paralelo, diseñada para operar con un valor especificado de capacitancia de carga, a la frecuencia preferida y con la tolerancia y estabilidad de frecuencia deseadas.

Se ha hecho referencia a una “capacitancia de carga especificada”. La capacitancia de carga puede describirse como “el valor de la capacitancia, medida o calculada, que existe en el circuito oscilador a través de los puntos de conexión del cristal”. En el caso de un circuito resonante en serie, no existe capacitancia entre los puntos de conexión de la unidad del cristal y, por lo tanto, no es necesario especificar la capacitancia de carga para una unidad de cristal resonante en serie. En el caso de un circuito oscilador resonante en paralelo, sí existe una capacitancia. Como una medición directa de esta capacitancia no es razonable, a menudo se requiere calcular su valor. El cálculo del valor de la capacitancia de carga se realiza mediante la siguiente ecuación:

CL equals CL1 multiplied by CL2 divided by CL1 plus CL2, plus Cs.

Donde CL1 y CL2 son los condensadores de carga y Cs es la capacitancia parásita del circuito, generalmente de 3.0 a 5.0 pF.

Es importante tener en cuenta que los cambios en el valor de la capacitancia de carga resultarán en cambios en la frecuencia de salida del oscilador. Por lo tanto, se requiere un control exacto de la frecuencia, y en consecuencia, una especificación precisa de la capacitancia de carga. Para demostrar esto, supongamos que se especifica que una unidad de cristal debe operar a una frecuencia de 20.000 MHz con una capacitancia de 20,0 pF. Supongamos que luego la unidad de cristal se coloca en un circuito que presenta una capacitancia estimada de 30,0 pF. Entonces, la frecuencia de la unidad de cristal será inferior al valor especificado. Por el contrario, si el circuito en cuestión presenta una capacitancia estimada de 10,0 pF, la frecuencia será superior al valor especificado. La relación entre la frecuencia y la capacitancia de carga se muestra a continuación.

Graph showing a rapid decrease in frequency change (in parts per million, PPM) with increasing load capacitance ("CL").

Figura E - Frecuencia vs Capacitancia de Carga

Nivel de Excitación: El “nivel de excitación” es la potencia disipada por la unidad de cristal mientras está en funcionamiento. La potencia es una función de la corriente aplicada y usualmente se expresa en términos de milivatios o microvatios. Las unidades de cristal están especificadas con ciertos valores máximos de nivel de excitación, que varían en función de la frecuencia y el modo de operación. Es recomendable consultar con el proveedor de la unidad de cristal respecto al valor máximo de nivel de excitación permitido para una unidad de cristal en particular. Superar el nivel de excitación máximo para una unidad de cristal determinada puede resultar en un funcionamiento inestable, tasas de envejecimiento amplificadas y, en algunos casos, destrucción catastrófica. El nivel de excitación puede calcularse mediante la siguiente ecuación:

Power equation showing power equals the square of RMS current multiplied by resistance.

Donde "I" es la corriente rms a través de la unidad de cristal y R es el valor máximo de resistencia de la unidad de cristal específica en cuestión. La ecuación (2) es simplemente la "ley de Ohm" para la potencia.

La medición del nivel de excitación real en un circuito oscilador en operación puede llevarse a cabo insertando temporalmente un resistor en serie con la unidad de cristal. El resistor debe tener el mismo valor óhmico que la unidad de cristal. Entonces, se puede leer la caída de tensión a través del resistor y calcular la corriente y la disipación de potencia. Luego, se debe retirar el resistor. Como un método alternativo para medir el nivel de excitación, se puede usar una sonda de corriente en el conductor de salida de la unidad de cristal, si el espacio lo permite. El método se describe a continuación en la Figura 1.

An equation RL = R1(1 + C0/CL)^2

  • RL = resistencia de resonancia cargada
  • R1 = resistencia de resonancia de la unidad de cristal
  • Iq = corriente que fluye hacia la unidad de cristal
  • CO = capacitancia de derivación
  • CL = capacitancia de carga

Electronic circuit diagram showing a current probe, integrated circuit (IC), capacitors (C1, C2), resistor (Rd), and an oscilloscope connection.

 Medición del Nivel de Impulso

Frecuencia vs Modo: La frecuencia de una unidad de cristal de cuarzo está limitada por las dimensiones físicas del elemento de cuarzo vibrante. En algunos casos, las dimensiones limitantes son la longitud y el ancho. En el caso de la unidad de cristal más popular, la unidad de cristal de corte "AT", la dimensión limitante es el grosor del elemento de cuarzo vibrante. A medida que se reduce el grosor, la frecuencia aumenta. En algún punto, normalmente alrededor de 30.000 MHz, el grosor de la placa de cuarzo se vuelve demasiado delgado para su procesamiento.

Si se desea desarrollar un oscilador a una frecuencia más alta que la frecuencia límite, se debe aprovechar el hecho de que las unidades de cristal de cuarzo pueden oscilar en múltiplos enteros impares de su frecuencia “fundamental”. Podemos definir la frecuencia “fundamental” como “aquella frecuencia que ocurre naturalmente en un conjunto dado de dimensiones mecánicas”. Por lo tanto, si una unidad de cristal tiene una frecuencia fundamental de 10.0 MHz, también se puede hacer que oscile a 3, 5, 7, etc., veces la fundamental. Es decir, la unidad oscilará a 30.0, 50.0, 70.0, etc., MHz.

Estos múltiplos de la frecuencia fundamental se denominan "armónicos" y se identifican por el número entero de multiplicación, como en el "tercer armónico", el "quinto armónico", etc. Cuando se requiere el uso a una frecuencia armónica, se debe especificar que la unidad de cristal opere a la frecuencia deseada y en el armónico deseado. Nunca se debe intentar encargar un cristal en modo fundamental y luego operarlo a una frecuencia armónica. Esto se debe al hecho de que los procesos de fabricación de los cristales difieren para las unidades de cristal en modo fundamental y armónico.

En muchos casos, las características del circuito integrado utilizado en un diseño particular de oscilador dictan que se suprima la frecuencia fundamental de la unidad cristalina para garantizar el funcionamiento a la frecuencia deseada y en el sobretono deseado. En tales casos, generalmente es necesario modificar el circuito del oscilador. Un método de modificación es agregar un circuito "tanque", que consta de un inductor y un condensador. Estas modificaciones se muestran en las Figuras F y G.

Electronic circuit diagram showing components like capacitors (C1), resistors (R2), an inductor (L), and a transistor, with input and output terminals.

Figura F - Modificaciones de un circuito resonante en serie

Schematic of a Colpitts oscillator circuit with an inverter, resistors R1 and R2, capacitors CL1, CL2, and C, inductor L, and output labeled OUT.

Figura G - Modificaciones de un Circuito Resonante en Paralelo

En ambos casos, el circuito tanque se ajusta para resonar a una frecuencia entre la fundamental y la frecuencia deseada. Esto resulta en que la frecuencia no deseada sea derivada a tierra, dejando únicamente la frecuencia deseada presente en la salida del oscilador.

Consideraciones de diseño: Para un buen funcionamiento de un circuito oscilador, se deben seguir ciertas consideraciones de diseño. En todos los casos, se recomienda evitar trazos paralelos para reducir la capacitancia parásita del circuito. Todos los trazos deben mantenerse lo más cortos posible y los componentes deben estar aislados para prevenir el acoplamiento. Se deben utilizar planos de tierra para aislar las señales.

Resistencia Negativa: Para un rendimiento óptimo, un circuito oscilador debe diseñarse de manera que se mejore la “resistencia negativa,” que a veces se denomina el “margen de oscilación”. La evaluación de la cantidad de resistencia negativa en un circuito dado se lleva a cabo instalando temporalmente un resistor variable en serie con la unidad de cristal. El resistor debe ajustarse inicialmente a su configuración más baja, preferiblemente cerca de cero ohmios. Luego se pone en marcha el oscilador y se monitorea la salida con un osciloscopio. Posteriormente, se ajusta el resistor variable para aumentar la resistencia mientras se supervisa continuamente la salida. Con un cierto valor de resistencia, la oscilación se detendrá. En este punto, se mide el resistor variable para determinar el valor óhmico en el que cesó la oscilación. A este valor, se debe sumar la resistencia máxima de la unidad de cristal, según lo especificado por el fabricante. La resistencia óhmica total se considera la “resistencia negativa” o el “margen de oscilación”. Para un buen y fiable funcionamiento del circuito, se recomienda que la resistencia negativa sea como mínimo cinco veces el valor máximo de resistencia especificado para la unidad de cristal.

Los valores de resistencia negativa que superan cinco veces la resistencia máxima de la unidad de cristal son aún mejores. Dado que la resistencia negativa tiende a disminuir a temperaturas elevadas, se recomienda que la prueba se realice a la temperatura más alta del rango de operación. Consulte el procedimiento especial ilustrado a continuación.

Electronic circuit diagram of a crystal oscillator using an inverter, resistors R1 and R2, capacitors C1 and C2, crystal, variable resistor Rx, and two NOT gates, with output labeled OUT.

Figura H -  Procedimiento de Medición de Resistencia Negativa

Procedimientos para la Medición de Resistencia Negativa

  1. Abra cualquiera de los extremos de la unidad de cristal en el circuito principal utilizado e inserte un resistor variable en serie con la unidad de cristal, como se muestra. Cambie el valor de la resistencia para examinar los límites de oscilación y la resistencia en ohmios observada en ese momento. En este caso, es imprescindible encender y apagar la alimentación sin falta.
  2. La resistencia negativa (-R) en el circuito es la suma del valor obtenido en el Paso 1) anterior y la resistencia resonante R1 del cristal. Nota: Esta medición debe realizarse tanto en los límites superior como inferior del rango de temperatura de funcionamiento.
  3. C1 y C2 deben usarse dentro del rango de 10 ~ 30 pF. Si C1 y C2 se utilizan por debajo de 10 pF o por encima de 30 pF, el rendimiento de la oscilación puede verse fácilmente afectado. El nivel de conducción puede aumentar o la resistencia negativa puede disminuir, lo que resultará en la incapacidad de mantener la oscilación.

Etiquetas de artículo

Global
Artículo
Recursos
Productos

Contenido relacionado