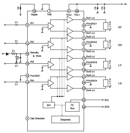
Typical Application for TB2912HQ Maximum Power 41W BTL x 4ch Audio Power

Diseño de referencia usando la pieza TB2912HQ de Toshiba

Fabricante

Toshiba
  • Categoría de aplicaciones
    Audio
  • Tipo de producto
    Amplificador de potencia de audio

Para productos finales

  • Car Audio

Descripción

  • Typical Application for TB2912HQ is 4ch audio amplifier for car audio application. This IC can generate high power, high quality sound output, POUT MAX = 41 W, using a pure complementary P-ch and N-ch DMOS output stage. The built-in self diagnosis function which is included can be controlled via I2C BUS. In addition, stand-by and mute function, and various Protection feature are included

Hemos actualizado nuestra política de privacidad. Por favor tome un momento para revisar estos cambios. Al hacer clic en Acepto, usted está de acuerdo con la Politica de Privacidad de Arrow Electronics y sus condiciones de uso.

Nuestro sitio Web coloca cookies en su dispositivo para mejorar su experiencia y nuestro sitio. Lea más sobre las cookies que utilizamos y cómo desactivarlas aquió. Es posible que se utilicen las cookies y tecnologías de seguimiento con fines de marketing.
Al hacer clic en "Aceptar", usted está consintiendo la colocación de cookies en su dispositivo y el uso de tecnologías de seguimiento. Haga clic en "Leer más" a continuación para obtener más información e instrucciones sobre cómo desactivar las cookies y tecnologías de seguimiento. Si bien la aceptación de cookies y tecnologías de seguimiento es voluntaria, la desactivación de estos puede resultar en que el sitio web no funcione correctamente, y es posible que ciertos anuncios sean menos relevantes para usted.
Respetamos su privacidad. Lea nuestra política de privacidad aquió