Typical Application for TA7281P Bipolar Linear Integrated Circuit Silicon Monolithic

Diseño de referencia usando la pieza TA7281P de Toshiba

Fabricante

Toshiba
  • Categoría de aplicaciones
    Audio
  • Tipo de producto
    Amplificador de potencia de audio

Para productos finales

  • Consumer Applications

Descripción

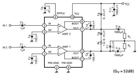
  • Typical Application for TA7281P Bipolar Linear Integrated Circuit Silicon Monolithic. The TA7280P, TA7281P are dual audio power amplifier for consumer applications. It is designed for high power, low distortion and low noise. It also contains various kind of protectors

Hemos actualizado nuestra política de privacidad. Por favor tome un momento para revisar estos cambios. Al hacer clic en Acepto, usted está de acuerdo con la Politica de Privacidad de Arrow Electronics y sus condiciones de uso.

Nuestro sitio Web coloca cookies en su dispositivo para mejorar su experiencia y nuestro sitio. Lea más sobre las cookies que utilizamos y cómo desactivarlas aquió. Es posible que se utilicen las cookies y tecnologías de seguimiento con fines de marketing.
Al hacer clic en "Aceptar", usted está consintiendo la colocación de cookies en su dispositivo y el uso de tecnologías de seguimiento. Haga clic en "Leer más" a continuación para obtener más información e instrucciones sobre cómo desactivar las cookies y tecnologías de seguimiento. Si bien la aceptación de cookies y tecnologías de seguimiento es voluntaria, la desactivación de estos puede resultar en que el sitio web no funcione correctamente, y es posible que ciertos anuncios sean menos relevantes para usted.
Respetamos su privacidad. Lea nuestra política de privacidad aquió