LT7170-1/LT7170: 20A, 16V, Silent Switcher® step-down regulators with digital power system management
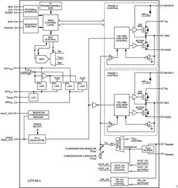
The LT7170-1 option has two switching phases that are connected to two inductors to drive a single-regulated output supply. The quick, clean, low-overshoot switching edges deliver high efficiency while minimizing electromagnetic interference (EMI) emissions. The I2C-based PMBus 1.3-compliant serial interface enables control of device functions while providing telemetry information for system monitoring. The LT7170/LT7170-1 are supported by the LTpowerPlay® graphical user interface (GUI) tool.
The controlled on-time valley current-mode control with 25 ns typical minimum on-time enables a high switching frequency (fSW) at a low output voltage (VOUT) with excellent transient response in a small overall solution size.
VOUT, fSW, and phase are selectable using external configuration resistors. Settings can also be set via the PMBus interface or stored in the on-chip, three times programmable nonvolatile memory (NVM).
To guarantee clean start-up of the powered devices, the LT7170/ LT7170-1 actively pull down the output using VSENSEP when the output is disabled. The LT7170/LT7170-1 wait until the VOUT is less than 0.2 V before enabling the output and beginning a soft start. This VOUT discharge threshold is programmable from 0.2 V to 2.2 V. The LT7170/LT7170-1 use forced-continuous switching operation.
Key Features and Benefits
- Silent Switcher® architecture: enables a compact, efficient, low EMI solution
- PMBus/I2C serial interface
- Telemetry read back includes VOUT, IOUT, VIN, die temperature, and faults
- Programmable voltage, current limit, sequencing, soft start and stop, undervoltage and overvoltage, phase, frequency (up to 4 MHz), and loop compensation
- Integrated three times programmable NVM
- Key parameters selectable by resistor
- VOUT set point range: 0.4 V to 5.5 V
- VOUT accuracy: ±0.25%, 0.6 V ≤ VOUT ≤ 1.375 V
- Differential remote VOUT sense
- Fast transient response
- Wide VIN supply range: down to 2.9 V or 1.5 V with EXTVCC
- Programmable and synchronizable: 400 kHz to 4 MHz
- 24-lead (3.5 mm × 4 mm) LQFN package
Evaluation Board
The LT7170-1/LT7170 can be evaluated with the EVAL-LT7170-1-AZ and the EVAL-LT7170-AZ, respectively.
Block Diagrams and Tables
Article Tags