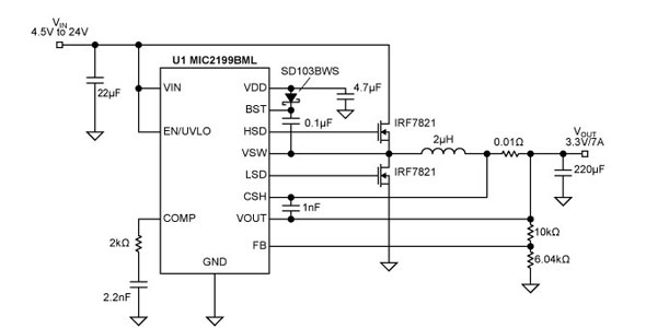
Typical Application for MIC2199: 300kHz 4mm x 4mm Synchronous Buck Controller

Reference Design using part MIC2199 by Microchip Technology

Manufacturer

Microchip Technology
  • Application Category
    Power Supplies
  • Product Type
    DC to DC Single Output Power Supplies

For End Products

  • Basestation
  • Point-of-Load Conversions
  • Power Supplies
  • Servers
  • Telecom Equipments
  • Wireless Modem

Description

  • Typical Application for MIC2199: 300kHz 4mm x 4mm Synchronous Buck Controller. The MIC2199 is a high power 300kHz synchronous buck DC to DC controller housed in a small 4mm x 4mm MLF 12-pin package. The MIC2199 operates from a wide 4.5V to 32V input and can be programmed for output voltages from 0.8V to 6V. The wide input voltage capability makes the MIC2199 an ideal solution for point-of-load DC to DC conversion in 5V, 12V, 24V, and 28V systems

Key Features

  • Conversion Type
    DC to DC
  • Topology
    Buck

We've updated our privacy policy. Please take a moment to review these changes. By clicking I Agree to Arrow Electronics Terms Of Use  and have read and understand the Privacy Policy and Cookie Policy.

Our website places cookies on your device to improve your experience and to improve our site. Read more about the cookies we use and how to disable them here. Cookies and tracking technologies may be used for marketing purposes.
By clicking “Accept”, you are consenting to placement of cookies on your device and to our use of tracking technologies. Click “Read More” below for more information and instructions on how to disable cookies and tracking technologies. While acceptance of cookies and tracking technologies is voluntary, disabling them may result in the website not working properly, and certain advertisements may be less relevant to you.
We respect your privacy. Read our privacy policy here