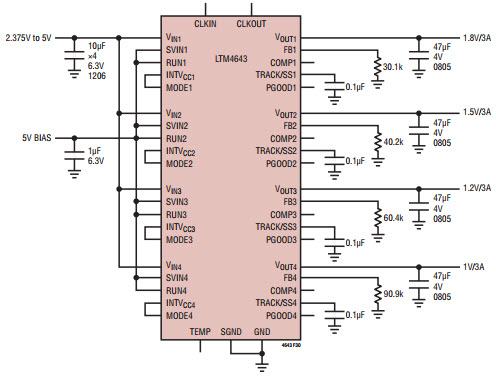
Typical Application for LTM4643IV 2.375V to 5V Input, Quad 1V, 1.2V, 1.5V, 1.8V Output Step-Down Regulator

Reference Design using part LTM4643IV by Analog Devices

Manufacturer

Analog Devices
  • Application Category
    Power Supplies
  • Product Type
    DC to DC Multi-Output Power Supplies

For End Products

  • DSP, ASIC & FPGA Power Supply

Description

  • Typical Application for LTM4643IV 2.375V to 5V Input, Quad 1V, 1.2V, 1.5V, 1.8V Output Step-Down Regulator. The LTM4643 is a quad DC/DC step-down regulator with 3A per output. Outputs can be paralleled in an array for up to 12A capability. Included in the package are the switching controllers, power FETs, inductors and support components

Key Features

  • Conversion Type
    DC to DC
  • Input Voltage
    2.375 to 5 V
  • Output Voltage
    1|1.2|1.5|1.8 V
  • Output Current
    3 A
  • Topology
    Buck

We've updated our privacy policy. Please take a moment to review these changes. By clicking I Agree to Arrow Electronics Terms Of Use  and have read and understand the Privacy Policy and Cookie Policy.

Our website places cookies on your device to improve your experience and to improve our site. Read more about the cookies we use and how to disable them here. Cookies and tracking technologies may be used for marketing purposes.
By clicking “Accept”, you are consenting to placement of cookies on your device and to our use of tracking technologies. Click “Read More” below for more information and instructions on how to disable cookies and tracking technologies. While acceptance of cookies and tracking technologies is voluntary, disabling them may result in the website not working properly, and certain advertisements may be less relevant to you.
We respect your privacy. Read our privacy policy here