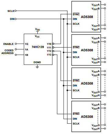
Typical Application for AD5318 Octal, 10-Bit Digital to Analog Converter

Reference Design using part AD5318ARUZ-REEL7 by Analog Devices

Manufacturer

Analog Devices
  • Application Category
    Data Conversion
  • Product Type
    Digital to Analog Conversion

For End Products

  • Automatic Test Equipment
  • Battery Powered Instrument
  • Mobile Communications
  • Optical Networking
  • Process Control

Description

  • Typical Application for AD5318 Octal, 10-Bit DAC in a 16-lead TSSOP. They operate from a single 2.5V to 5.5V supply, consuming 0.7 mA typical at 3V. Their on-chip output amplifiers allow the outputs to swing rail-to-rail with a slew rate of 0.7 V/us. They use a versatile 3-wire serial interface that operates at clock rates up to 30 MHz and is compatible with standard SPI, QSPI, MICROWIRE and DSP interface standards

Key Features

  • DAC Resolution
    10 Bit
  • Number of Channels
    8CH

We've updated our privacy policy. Please take a moment to review these changes. By clicking I Agree to Arrow Electronics Terms Of Use  and have read and understand the Privacy Policy and Cookie Policy.

Our website places cookies on your device to improve your experience and to improve our site. Read more about the cookies we use and how to disable them here. Cookies and tracking technologies may be used for marketing purposes.
By clicking “Accept”, you are consenting to placement of cookies on your device and to our use of tracking technologies. Click “Read More” below for more information and instructions on how to disable cookies and tracking technologies. While acceptance of cookies and tracking technologies is voluntary, disabling them may result in the website not working properly, and certain advertisements may be less relevant to you.
We respect your privacy. Read our privacy policy here