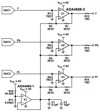
Typical Application Circuit for ADA4858-3ACPZ Clamp Amplifier

Reference Design using part ADA4858-3ACPZ by Analog Devices

Manufacturer

Analog Devices
  • Application Category
    Amplifiers and Comparators
  • Product Type
    Analog Amplification

For End Products

  • Active Filter
  • Consumer Equipments
  • Imaging Device

Description

  • Typical Application Circuit for ADA4858-3ACPZ Clamp Amplifier. The ADA4858-3 is a single-supply, high speed current feedback amplifier with an integrated charge pump that eliminates the need for negative supplies to output negative voltages or output a 0V level for video applications

Key Features

  • Number of Supplies
    Single
  • Supply Voltage
    3 to 5.5 V

We've updated our privacy policy. Please take a moment to review these changes. By clicking I Agree to Arrow Electronics Terms Of Use  and have read and understand the Privacy Policy and Cookie Policy.

Our website places cookies on your device to improve your experience and to improve our site. Read more about the cookies we use and how to disable them here. Cookies and tracking technologies may be used for marketing purposes.
By clicking “Accept”, you are consenting to placement of cookies on your device and to our use of tracking technologies. Click “Read More” below for more information and instructions on how to disable cookies and tracking technologies. While acceptance of cookies and tracking technologies is voluntary, disabling them may result in the website not working properly, and certain advertisements may be less relevant to you.
We respect your privacy. Read our privacy policy here