TWR-KL46Z48M, Kinetis KL3x, KL4x Tower System Module for MKL46Z256VLL4 MCU
Reference Design using part MKL46Z256VLL4 by NXP Semiconductors
For End Products
- Consumer Electronics
- Factory Automation
- Home Appliances
- Industrial
- Medical and Healthcare
- Optical Networking
- Portable
Description
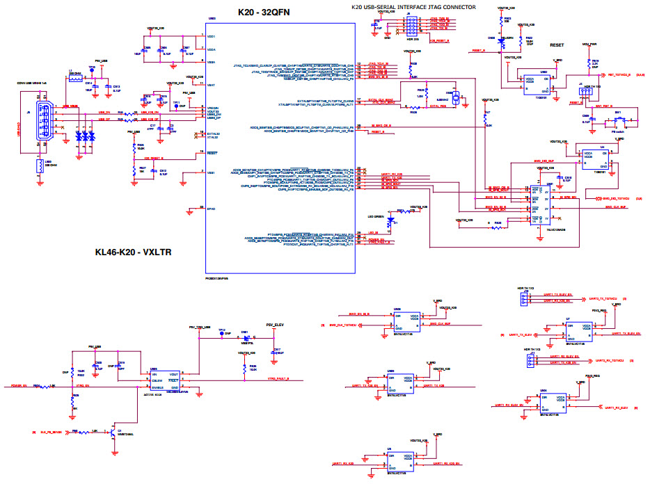
- TWR-KL46Z48M, Kinetis KL3x, KL4x Tower System Module for MKL46Z256VLL4 MCU. The TWR-KL46Z48M is a development tool for the KL3x and KL4x families of Kinetis MCUs and select MCUs in KL1x and KL2x families. The TWR-KL46Z48M MCU module is designed to work either in Standalone mode or as part of the Tower System, a modular development platform that enables rapid prototyping and tool re-use through reconfigurable hardware. The TWR-KL25Z48M is supported by a range of Freescale and third-party development software
Key Features
-
Embedded System TypeMCU
-
Family NameKinetis KL3x|Kinetis KL4x
-
Core ProcessorARM Cortex-M0
-
PlatformTower System
Featured Parts (52)
| Part Number | Manufacturer | Type | Description | |||
|---|---|---|---|---|---|---|
|
|
SN74LVC1T45DPKR | Texas Instruments | Level Translators | Voltage Level Translator 1-CH Bidirectional 6-Pin USON T/R | Buy | |
|
|
SN74LVC1T45DBVT | Texas Instruments | Level Translators | Voltage Level Translator 1-CH Bidirectional 6-Pin SOT-23 T/R | Buy | |
|
|
SN74LVC1T45DCKRE4 | Texas Instruments | Level Translators | Voltage Level Translator 1-CH Bidirectional 6-Pin SC-70 T/R | Buy | |
|
|
MIC2920A-3.3WS | Microchip Technology | Linear Regulators | LDO Regulator Pos 3.3V 0.4A 4-Pin(3+Tab) SOT-223 Tube | Buy | |
|
|
PK20DX128VFM5 | NXP Semiconductors | Microcontrollers - MCUs | MCU 32-bit ARM Cortex M4 RISC 128KB Flash 1.8V/2.5V/3.3V 32-Pin QFN EP Each | Buy | |
|
|
TXB0101DBVT | Texas Instruments | Level Translators | Voltage Level Translator 1-CH Bidirectional 6-Pin SOT-23 T/R | Buy | |
|
|
TXS0101DCKT | Texas Instruments | Level Translators | Voltage Level Translator 1-CH Bidirectional 6-Pin SC-70 T/R | Buy | |
|
|
SN74LVC1T45DCKR-P | Texas Instruments | Level Translators | Voltage Level Translator 1-CH Bidirectional 6-Pin SC-70 | Buy | |
|
|
SN74LVC1T45DCKR | Texas Instruments | Level Translators | Voltage Level Translator 1-CH Bidirectional 6-Pin SC-70 T/R | Buy | |
|
|
SN74LVC1T45DCKRG4 | Texas Instruments | Level Translators | Voltage Level Translator 1-CH Bidirectional 6-Pin SC-70 T/R | Buy | |
|
|
MIC2026-1YM | Microchip Technology | USB Power Switches | USB Power Switch Dual 5.5V 0.9A 8-Pin SOIC N Tube | Buy | |
|
|
MIC5239-1.8YM-TR | Microchip Technology | Linear Regulators | LDO Regulator Pos 1.8V 0.5A 8-Pin SOIC N T/R | Buy | |