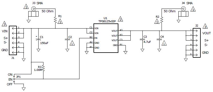
TPS81256EVM-121 Evaluation board for TPS81256, step-up DC-DC converter

Reference Design using part TPS81256SIPR by Texas Instruments

Manufacturer

Texas Instruments
  • Application Category
    Power Supplies
  • Product Type
    DC to DC Single Output Power Supplies

For End Products

  • Audio
  • Cellular Phone
  • Li-Ion Battery Charger
  • Portable
  • Smart Phone
  • Tablet

Description

  • TPS81256EVM-121 enables test and evaluation of TPS81256 devices, a series of 4.5-MHz, step-up DC-DC converters. The TPS81256 device is an ideal power-supply solution for products powered by either a three-cell alkaline, NiCd or NiMH battery, or a single-cell Li-Ion or Li-polymer battery. The wide input voltage range is well-suited for portable power applications such as mobile phones or computer peripherals

Key Features

  • Conversion Type
    DC to DC
  • Input Voltage
    2.5 to 4.85 V
  • Output Voltage
    5 V
  • Efficiency
    91 %
  • Topology
    Boost

We've updated our privacy policy. Please take a moment to review these changes. By clicking I Agree to Arrow Electronics Terms Of Use  and have read and understand the Privacy Policy and Cookie Policy.

Our website places cookies on your device to improve your experience and to improve our site. Read more about the cookies we use and how to disable them here. Cookies and tracking technologies may be used for marketing purposes.
By clicking “Accept”, you are consenting to placement of cookies on your device and to our use of tracking technologies. Click “Read More” below for more information and instructions on how to disable cookies and tracking technologies. While acceptance of cookies and tracking technologies is voluntary, disabling them may result in the website not working properly, and certain advertisements may be less relevant to you.
We respect your privacy. Read our privacy policy here