TIDM-KEYBOARD, Keyboard Controller Using Low Power Microcontroller

Reference Design using part MSP430F5529IPN by Texas Instruments

Manufacturer

Texas Instruments
  • Application Category
    Embedded System
  • Product Type
    Microcontroller

Associated Documents

For End Products

  • Computers and Peripherals
  • Digital TV
  • Gaming Device
  • Smart Sensor
  • Wireless Keyboard

Description

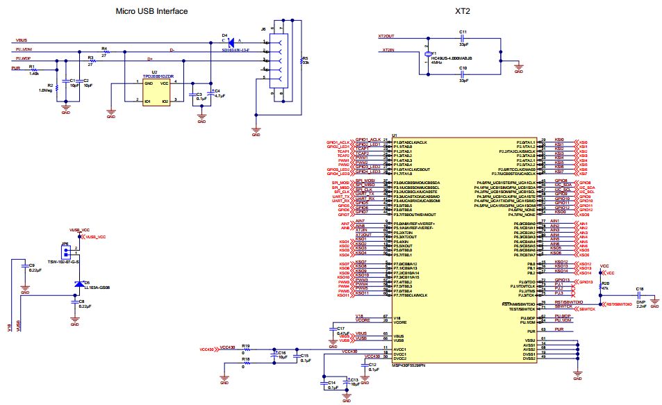
  • TIDM-KEYBOARD, Keyboard Controller Using Low Power Microcontroller. This reference design describes the implementation of a low-cost, highly-flexible and modular keyboard controller using MSP430. Examples for MSP430F5529 and MSP430G2744, supporting I2C and USB are included

Key Features

  • Embedded System Type
    MCU
  • Family Name
    MSP430

We've updated our privacy policy. Please take a moment to review these changes. By clicking I Agree to Arrow Electronics Terms Of Use  and have read and understand the Privacy Policy and Cookie Policy.

Our website places cookies on your device to improve your experience and to improve our site. Read more about the cookies we use and how to disable them here. Cookies and tracking technologies may be used for marketing purposes.
By clicking “Accept”, you are consenting to placement of cookies on your device and to our use of tracking technologies. Click “Read More” below for more information and instructions on how to disable cookies and tracking technologies. While acceptance of cookies and tracking technologies is voluntary, disabling them may result in the website not working properly, and certain advertisements may be less relevant to you.
We respect your privacy. Read our privacy policy here