TIDM-BIDIR-400-12, Bidirectional 400V-12V DC/DC Converter Reference Design
Reference Design using part UCC27524AQDRQ1 by Texas Instruments
For End Products
- Hybrid Electric Vehicle
- Industrial Power Supply
Description
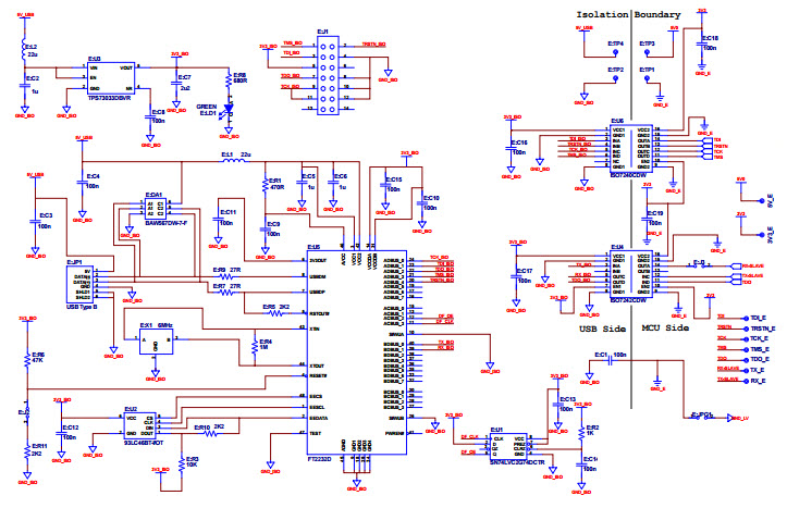
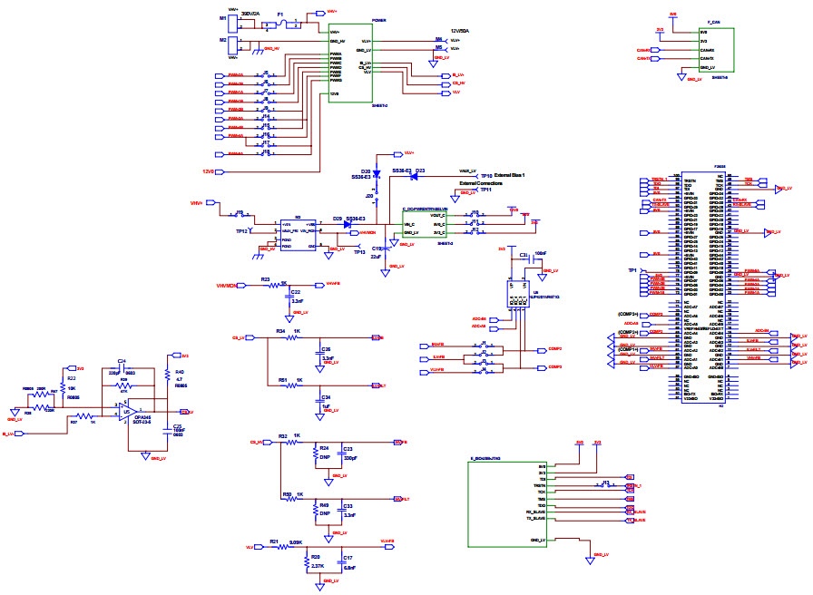
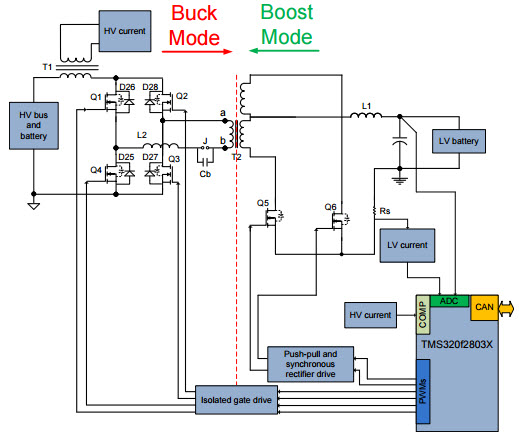
- TIDM-BIDIR-400-12, Bidirectional 400V-12V DC/DC Converter Reference Design. The Bidirectional 400V-12V DC/DC Converter Reference Design is a microcontroller-based implementation of an isolated bi-directional DC-DC converter. A phase shifted full-bridge (PSFB) with synchronous rectification controls power flow from a 400V bus/battery to the 12V battery in step-down mode, while a push-pull stage controls the reverse power flow from the low voltage battery to the high voltage bus/battery in boost mode. In this implementation closed loop control for both directions of power flow is implemented using 32-bit microcontroller TMS320F28035, which is placed on the LV side
Key Features
-
Input Voltage200 to 400 V
-
Output Voltage9 to 13.5 V
Featured Parts (13)
| Part Number | Manufacturer | Type | Description | |||
|---|---|---|---|---|---|---|
|
|
OPA345NA/250 | Texas Instruments | Operational Amplifiers - Op Amps | Op Amp Single Low Power Amplifier R-R I/O 5.5V 5-Pin SOT-23 T/R | Buy | |
|
|
ISO1050DUBR | Texas Instruments | Controller Area Network - CAN Transceivers | CAN 1Mbps 3.3V/5V 8-Pin SOP T/R | Buy | |
|
|
DCH010505SN7 | Texas Instruments | DC to DC Converter and Switching Regulator Module | Module DC-DC 5VIN 1-OUT 5V 0.2A 1W 4-Pin SIP Module Tray | Buy | |
|
|
7101SD9CQE | C&K | Switch Toggle | Switch Toggle ON None ON SPDT Round Lever PC Pins 5A 250VAC 28VDC PC Mount Medical Bulk | Buy | |
|
|
93LC46BT-I/OT | Microchip Technology | EEPROM | EEPROM Serial-Microwire 1K-bit 64 x 16 3.3V/5V 6-Pin SOT-23 T/R | Buy | |
|
|
SN74LVC2G74DCTR | Texas Instruments | Flip Flops | Flip Flop D-Type Pos-Edge 1-Element 8-Pin SSOP T/R | Buy | |
|
|
7101SD9CQE | C&K | Switch Toggle | Switch Toggle ON None ON SPDT Round Lever PC Pins 5A 250VAC 28VDC PC Mount Medical Bulk | Buy | |
|
|
FT2232D-R | Future Technology Devices International Limited | USB Interface ICs | Full Speed USB to UART/FIFO USB 2.0 5V T/R 48-Pin LQFP | Buy | |
|
|
PTH08080WAH | Texas Instruments | DC to DC Converter and Switching Regulator Module | Module DC-DC 1-OUT 0.9V to 5.5V 2.25A 10W 5-Pin DIP Module Tray | Buy | |
|
|
TPS79533DCQR | Texas Instruments | Linear Regulators | LDO Regulator Pos 3.3V 0.5A 6-Pin(5+Tab) SOT-223 T/R | Buy | |
|
|
TPS73033DBVR | Texas Instruments | Linear Regulators | LDO Regulator Pos 3.3V 0.2A 5-Pin SOT-23 T/R | Buy | |
|
|
OPA345NA/250 | Texas Instruments | Operational Amplifiers - Op Amps | Op Amp Single Low Power Amplifier R-R I/O 5.5V 5-Pin SOT-23 T/R | Buy | |