SLVA296A, 1.8V, 3.3V DC to DC Multi-Output Power Supply for Digital Still Camera
Reference Design using part TPS62402DRC by Texas Instruments
Associated Documents
For End Products
- Digital Still Camera (DSC)
Description
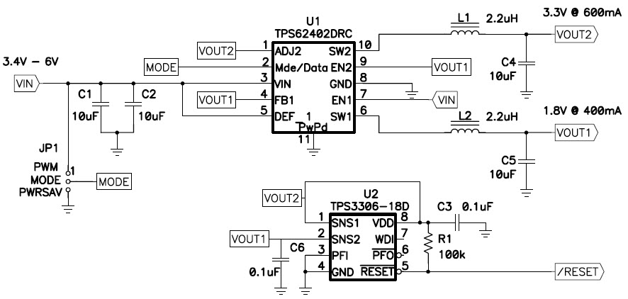
- SLVA296A, 1.8V, 3.3V DC to DC Multi-Output Power Supply for Digital Still Camera. TMS320F28xx and TMS320F28xxx DSP Power Supply Based TPS62402DRC Dual Step Down Converter
Key Features
-
Conversion TypeDC to DC
-
Input Voltage3.4 to 6 V
-
Output Voltage1.8|3.3 V
-
Output Current0.4@1.8V|0.6@3.3V A
-
TopologyBuck
Featured Parts (7)
| Part Number | Manufacturer | Type | Description | |||
|---|---|---|---|---|---|---|
|
|
TPS3306-18DGK | Texas Instruments | Supervisory Circuits | Processor Supervisor 2.93V/1.68V 2 Active Low/Open Drain 8-Pin VSSOP Tube | Buy | |
|
|
TPS3306-18DR | Texas Instruments | Supervisory Circuits | Processor Supervisor 2.93V/1.68V 2 Active Low/Open Drain 8-Pin SOIC T/R | Buy | |
|
|
TPS3306-18DGKR | Texas Instruments | Supervisory Circuits | Processor Supervisor 2.93V/1.68V 2 Active Low/Open Drain 8-Pin VSSOP T/R | Buy | |
|
|
TPS3306-18D | Texas Instruments | Supervisory Circuits | Processor Supervisor 2.93V/1.68V 2 Active Low/Open Drain 8-Pin SOIC Tube | Buy | |
|
|
TPS62402DRCT | Texas Instruments | DC to DC Converter and Switching Regulator Chip | Conv DC-DC 2.5V to 6V Synchronous Step Down Dual-Out 3.3V/1.8V 0.4A/0.6A 10-Pin VSON EP T/R | Buy | |
|
|
TPS62402DRCTG4 | Texas Instruments | DC to DC Converter and Switching Regulator Chip | Conv DC-DC 2.5V to 6V Synchronous Step Down Dual-Out 3.3V/1.8V 0.4A/0.6A 10-Pin VSON EP T/R | Buy | |
|
|
TPS62402DRCR | Texas Instruments | DC to DC Converter and Switching Regulator Chip | Conv DC-DC 2.5V to 6V Synchronous Step Down Dual-Out 3.3V/1.8V 0.4A/0.6A 10-Pin VSON EP T/R | Buy | |