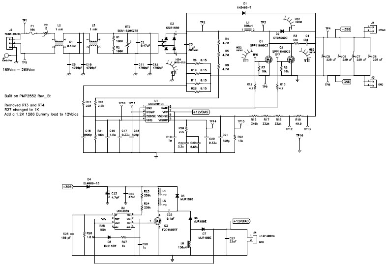
PMP2552, PFC Non-Isolated Flyback 390V@2.56A and 12V@250mA for Blower PSU
Reference Design using part UCC28019D by Texas Instruments
Associated Documents
For End Products
- Industrial
Description
- PMP2552, PFC Non-Isolated Flyback 390V@2.56A and 12V@250mA for Blower PSU. PMP2552 is a power factor corrected 1KW Boost converter. It takes advantage of the continuous conduction mode inductor's current to reduce the conducted emissions while maintaining simplicity with a 8-pin controller. A small auxiliary power supply provides the 12V for the housekeeping and is also suitable for other loads with a maximum of 200mA
Key Features
-
Conversion TypeAC to DC
-
Input Voltage185 to 265 (AC) V
-
Output Voltage390 V
-
Output Current2.57 A
-
Output Power1002.3 W
-
TopologyBoost- PFC|Buck Boost- Non Sync
Featured Parts (8)
| Part Number | Manufacturer | Type | Description | |||
|---|---|---|---|---|---|---|
|
|
UCC3889DG4 | Texas Instruments | AC to DC Switching Converters | AC to DC Switching Converter Flyback 8.8V 100kHz Tube 8-Pin SOIC | Buy | |
|
|
B57464S509M | TDK | Thermistors | Thermistor NTC 5 Ohm 20% 2-Pin Radial 3060K Bulk | Buy | |
|
|
UCC3889D | Texas Instruments | AC to DC Switching Converters | AC to DC Switching Converter Flyback 8.8V 100kHz Tube 8-Pin SOIC | Buy | |
|
|
UCC3889DTR | Texas Instruments | AC to DC Switching Converters | AC to DC Switching Converter Flyback 8.8V 100kHz T/R 8-Pin SOIC | Buy | |
|
|
B57464S0509M000 | TDK | Thermistors | Thermistor NTC 5 Ohm 20% 2-Pin Radial 3060K Bulk | Buy | |
|
|
B57464S0509M | TDK | Thermistors | Thermistor NTC 5 Ohm 20% 2-Pin Radial 3060K Bulk | Buy | |
|
|
UCC28019D | Texas Instruments | Power Factor Correction - PFC | Power Factor Correction Controller 0.1mA 68.3kHz 8-Pin SOIC Tube | Buy | |
|
|
UCC28019DR | Texas Instruments | Power Factor Correction - PFC | Power Factor Correction Controller 0.1mA 68.3kHz 8-Pin SOIC T/R | Buy | |