PKSERIAL-SPI1, PICkit Serial SPI Demo Board designed to easily connect to the PICkit Serial Analyzer
Reference Design using part MCP23S08-E/SO by Microchip Technology
For End Products
- Industrial Applications
Description
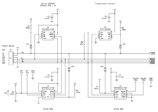
- PKSERIAL-SPI1, PICkit Serial SPI Demo Board is designed to easily connect to the PICkit Serial Analyzer (DV164122). The PICkit Serial Analyzer provides the SPI master mode serial communications and power for the PICkit serial SPI demo board. The devices on the demo board operate in the SPI slave mode and can easily be connected to virtually any demo or development board by connecting the communications lines to connector P1
Key Features
-
Interface StandardsSPI
Featured Parts (7)
| Part Number | Manufacturer | Type | Description | |||
|---|---|---|---|---|---|---|
|
|
MCP1401T-E/OT | Microchip Technology | Gate and Power Drivers | Driver 0.5A 1-OUT Low Side Inv 5-Pin SOT-23 T/R | Buy | |
|
|
25LC020A-I/SN | Microchip Technology | EEPROM | EEPROM Serial-SPI 2K-bit 256 x 8 3.3V/5V 8-Pin SOIC N Tube | Buy | |
|
|
MCP6S92T-E/SN | Microchip Technology | Special Purpose Amplifiers | SP Amp Variable Gain Amp Single R-R I/O 5.5V 8-Pin SOIC N T/R | Buy | |
|
|
TC77-5.0MOATR | Microchip Technology | Temperature and Humidity Sensors | Temp Sensor Digital Serial (3-Wire, SPI) 8-Pin SOIC N T/R | Buy | |
|
|
MCP4822-E/SN | Microchip Technology | Digital to Analog Converters - DACs | DAC 2-CH Resistor-String 12-bit 8-Pin SOIC N Tube | Buy | |
|
|
TC77-5.0MOA | Microchip Technology | Temperature and Humidity Sensors | Temp Sensor Digital Serial (3-Wire, SPI) 8-Pin SOIC N Tube | Buy | |
|
|
MCP23S08-E/SO | Microchip Technology | GPIO Expanders | SPI Interface 10000kHz 5.5V 18-Pin SOIC W Tube | Buy | |