Mitsubishi IGBT CM1800DY with ACPL-339J and ACPL-C87A Gate Drive Reference Board

Reference Design using part ACPL-339J by Broadcom Inc

Manufacturer

Broadcom Inc
  • Application Category
    Isolation
  • Product Type
    Optocoupler

For End Products

  • CNC Machine
  • Electronic Equipment
  • Trains

Description

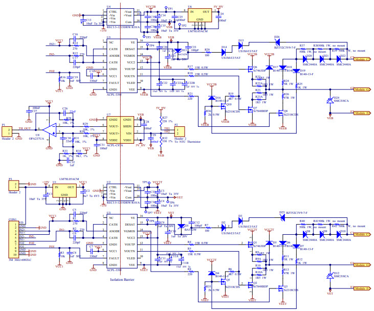
  • Mitsubishi CM1800DY line of high power IGBT is used in high power electronic equipment such as trains and large-sized industrial machines. These applications require high voltage and current which can be supported by the CM1800DY which has rated VCES of 1700V and IC of 1800A. The ACPL-339J is uniquely designed to support MOSFET buffer of various current ratings. The ACPL-339J makes it easier for engineers to design high power system using one hardware platform by interchanging the MOSFET buffers to drive large IGBT like the CM1800DY. This concept maximizes gate drive design scalability for power conversion applications ranging from low to high power ratings. The ACPL-C87A voltage sensors are optical isolation amplifiers designed specifically for voltage sensing

We've updated our privacy policy. Please take a moment to review these changes. By clicking I Agree to Arrow Electronics Terms Of Use  and have read and understand the Privacy Policy and Cookie Policy.

Our website places cookies on your device to improve your experience and to improve our site. Read more about the cookies we use and how to disable them here. Cookies and tracking technologies may be used for marketing purposes.
By clicking “Accept”, you are consenting to placement of cookies on your device and to our use of tracking technologies. Click “Read More” below for more information and instructions on how to disable cookies and tracking technologies. While acceptance of cookies and tracking technologies is voluntary, disabling them may result in the website not working properly, and certain advertisements may be less relevant to you.
We respect your privacy. Read our privacy policy here