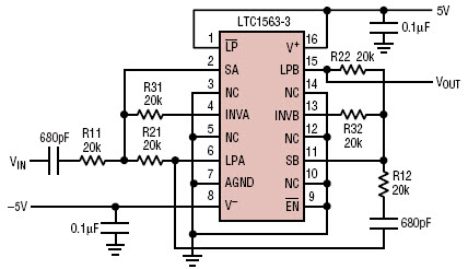
LTC1563-3, 50kHz wideband bandpass filter

Reference Design using part LTC1563-3CGN by Analog Devices

Manufacturer

Analog Devices
  • Application Category
    Active Filters
  • Product Type
    Active Bandpass Filter

For End Products

  • Communications and Telecom

Description

  • Circuit shows the schematic of an LTC1563-3 used to make a simple, wideband bandpass filter centered at 50kHz

Key Features

  • Filter Type
    Bandpass
  • Operating Frequency
    50 KHz

We've updated our privacy policy. Please take a moment to review these changes. By clicking I Agree to Arrow Electronics Terms Of Use  and have read and understand the Privacy Policy and Cookie Policy.

Our website places cookies on your device to improve your experience and to improve our site. Read more about the cookies we use and how to disable them here. Cookies and tracking technologies may be used for marketing purposes.
By clicking “Accept”, you are consenting to placement of cookies on your device and to our use of tracking technologies. Click “Read More” below for more information and instructions on how to disable cookies and tracking technologies. While acceptance of cookies and tracking technologies is voluntary, disabling them may result in the website not working properly, and certain advertisements may be less relevant to you.
We respect your privacy. Read our privacy policy here