LT6107 Demo Board, General Purpose High-Side Current-Sense Amplifier featuring the LT6107

Reference Design using part LT6107MPS5#PBF by Analog Devices

Manufacturer

Analog Devices
  • Application Category
    Amplifiers and Comparators
  • Product Type
    Analog Amplification

For End Products

  • Motion Motor Control
  • Power Management

Description

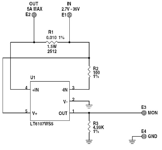
  • Demonstration circuit is a General Purpose High-Side Current-Sense Amplifier featuring the LT6107. This demo board amplifies an on-board current-sense resistor voltage-drop, providing a precision uni-polar output voltage proportional to load current

Key Features

  • Gain
    50 dB
  • Number of Supplies
    Single
  • Supply Voltage
    2.7 to 36 V

We've updated our privacy policy. Please take a moment to review these changes. By clicking I Agree to Arrow Electronics Terms Of Use  and have read and understand the Privacy Policy and Cookie Policy.

Our website places cookies on your device to improve your experience and to improve our site. Read more about the cookies we use and how to disable them here. Cookies and tracking technologies may be used for marketing purposes.
By clicking “Accept”, you are consenting to placement of cookies on your device and to our use of tracking technologies. Click “Read More” below for more information and instructions on how to disable cookies and tracking technologies. While acceptance of cookies and tracking technologies is voluntary, disabling them may result in the website not working properly, and certain advertisements may be less relevant to you.
We respect your privacy. Read our privacy policy here