LMH6521EVAL, Evaluation Board for the LMH6521 High performance Dual (DVGA) Laser Driver for Cell Base-Station

Reference Design using part LMH6521SQ by Texas Instruments

Manufacturer

Texas Instruments
  • Application Category
    Optical
  • Product Type
    Laser Drivers

Associated Documents

For End Products

  • Cell Basestation

Description

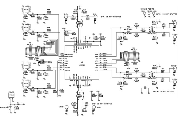
  • LMH6521EVAL, evaluation board is designed to aid in the characterization of TI`s High Speed LMH6521 High Performance Dual (DVGA). Use the evaluation board as a guide for high frequency layout and as a tool to aid in device testing and characterization

We've updated our privacy policy. Please take a moment to review these changes. By clicking I Agree to Arrow Electronics Terms Of Use  and have read and understand the Privacy Policy and Cookie Policy.

Our website places cookies on your device to improve your experience and to improve our site. Read more about the cookies we use and how to disable them here. Cookies and tracking technologies may be used for marketing purposes.
By clicking “Accept”, you are consenting to placement of cookies on your device and to our use of tracking technologies. Click “Read More” below for more information and instructions on how to disable cookies and tracking technologies. While acceptance of cookies and tracking technologies is voluntary, disabling them may result in the website not working properly, and certain advertisements may be less relevant to you.
We respect your privacy. Read our privacy policy here