FRDM-KW40Z, Freedom Development Platform for Kinetis KW40Z/30Z/20Z MCUs
Reference Design using part MKW40Z160VHT4 by NXP Semiconductors
For End Products
- Networking
- Wireless
Description
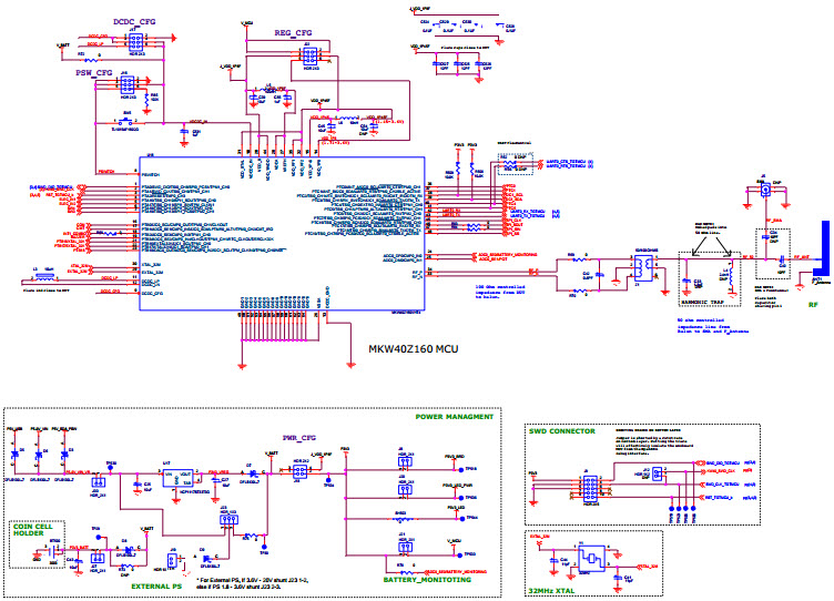
- FRDM-KW40Z, Low-Cost Development Platform enabled by the Kinetis W series KW40Z/30Z/20Z (KW40Z) family built on the ARM Cortex-M0+ processor featuring an integrated 2.4 GHz transceiver supporting Bluetooth Smart/Bluetooth Low Energy (BLE) v4.1 and/or IEEE 802.15.4-2011 standards. The FRDM-KW40Z kit contains two boards, enabling point-to-point out of the box connectivity. Each board can be configured as a Freedom development board or as a Freedom shield. The FRDM-KW40Z hardware is form-factor compatible with the Arduino R3 pin layout, providing a broad range of expansion board options. The FRDM-KW40Z features a highly-sensitive, optimized 2.4 GHz radio with PCB F-antenna which can be bypassed for connection to test equipment via SMA connection, multiple power supply options, push and capacitive touch buttons, switches, LEDs and integrated sensors
Key Features
-
Embedded System TypeMCU
-
Family NameKinetis KW20Z|Kinetis KW30Z|Kinetis KW40Z
-
Core ProcessorARM Cortex-M0+
-
PlatformFreedom Development
Featured Parts (11)
| Part Number | Manufacturer | Type | Description | |||
|---|---|---|---|---|---|---|
|
|
NXP | NXP Semiconductors | Level Translators | Voltage Level Translator 2-CH Bidirectional 8-Pin XQFN T/R | Buy | |
|
|
WPR-FC13532.7680KA-A3 | Seiko Epson Corporation | Crystals | Crystal 0.032768MHz ±20ppm (Tol) 12.5pF FUND 70000Ohm 2-Pin CSMD T/R | Buy | |
|
|
Q13FC1350000412 | Seiko Epson Corporation | Crystals | Crystal 0.032768MHz ±20ppm (Tol) 12.5pF FUND 70000Ohm 2-Pin CSMD T/R | Buy | |
|
|
TXB0104RGYR | Texas Instruments | Level Translators | Voltage Level Translator 4-CH Bidirectional 14-Pin VQFN EP T/R | Buy | |
|
|
MK20DX128VFM5 | NXP Semiconductors | Microcontrollers - MCUs | MCU 32-bit ARM Cortex M4 RISC 128KB Flash 1.8V/2.5V/3.3V 32-Pin QFN EP Tray | Buy | |
|
|
MIC2005-0.8YM6 | Microchip Technology | USB Power Switches | Power Switch Hi Side 1-OUT 0A 70mOhm 6-Pin SOT-23 | Buy | |
|
|
FC-135 32.7680KA-A3 | Seiko Epson Corporation | Crystals | Crystal 0.032768MHz ±20ppm (Tol) 12.5pF FUND 70000Ohm 2-Pin CSMD T/R | Buy | |
|
|
NCP1117ST33T3G | onsemi | Linear Regulators | LDO Regulator Pos 3.3V 1A 4-Pin(3+Tab) SOT-223 T/R | Buy | |
|
|
AT45DB021E-MHN2B-T | Renesas Electronics | Flash | NOR Flash Serial-SPI 1.8V/2.5V/3.3V 2M-bit 256K x 8 7ns 8-Pin UDFN EP T/R | Buy | |
|
|
74LVCH1T45GM,132 | Nexperia | Level Translators | Voltage Level Translator 1-CH Bidirectional 6-Pin XSON T/R | Buy | |
|
|
NTSX2102GU8H | NXP Semiconductors | Level Translators | Voltage Level Translator 2-CH Bidirectional 8-Pin XQFN T/R | Buy | |