DC729A, Demo Board for the LT5528EUF, 2GHz I/Q Modulator W/Current BB Interface

Reference Design using part LT5528EUF by Analog Devices

Manufacturer

Analog Devices
  • Application Category
    Wireless Communication
  • Product Type
    Modulators

For End Products

  • Wireless Infrastructure

Description

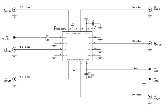
  • DC729A, Demonstration Circuit is an I/Q modulator featuring the LT5528. The LT_x005F_x005F_x005F_x005F_x005F_x005F_x005F_x0001_5528 is a 1.5GH to 2.4GHz direct I/Q modulator designed for high performance wireless applications, including wireless infrastructure

Key Features

  • Operating Frequency
    1500 to 2400 MHz

We've updated our privacy policy. Please take a moment to review these changes. By clicking I Agree to Arrow Electronics Terms Of Use  and have read and understand the Privacy Policy and Cookie Policy.

Our website places cookies on your device to improve your experience and to improve our site. Read more about the cookies we use and how to disable them here. Cookies and tracking technologies may be used for marketing purposes.
By clicking “Accept”, you are consenting to placement of cookies on your device and to our use of tracking technologies. Click “Read More” below for more information and instructions on how to disable cookies and tracking technologies. While acceptance of cookies and tracking technologies is voluntary, disabling them may result in the website not working properly, and certain advertisements may be less relevant to you.
We respect your privacy. Read our privacy policy here