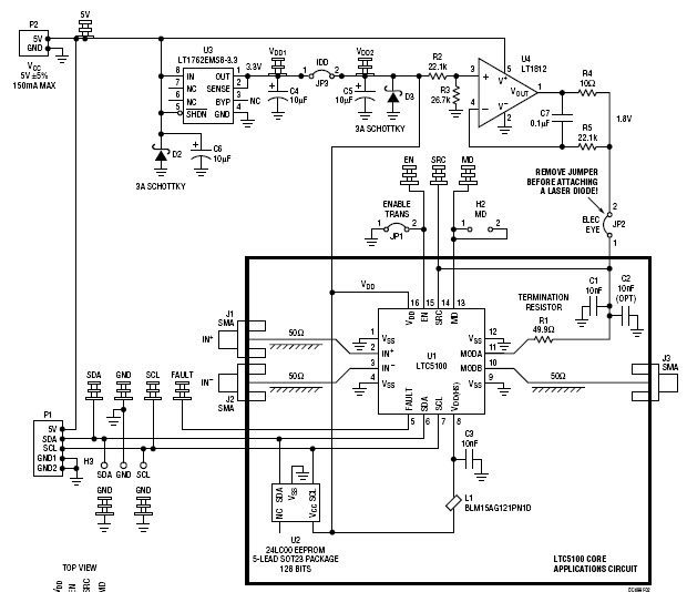
DC499A, Demo Board for LTC5100EUF Laser Driver Kit, includes DC636A and DC669A
Reference Design using part LTC5100 by Analog Devices
Associated Documents
For End Products
- GB Ethernet Switch
- Optical Networking
Description
- DC499A, Demo Board for LTC5100EUF Laser Driver Kit, includes DC636A and DC669A. The Demonstration board DC499 features the LTC5100 a 155Mbps to 3.2Gbps VCSEL driver offering an unprecedented level of integration and high speed performance. The LTC5100 and three low cost external components form a complete solution for driving VCSELs in high speed optical transceiver modules
Featured Parts (29)
| Part Number | Manufacturer | Type | Description | |||
|---|---|---|---|---|---|---|
|
|
LT1812CS5#PBF | Analog Devices | Operational Amplifiers - Op Amps | Op Amp Single High Speed Amplifier ±6.3V/12.6V 5-Pin TSOT-23 T/R | Buy | |
|
|
24LC00T/ST | Microchip Technology | EEPROM | EEPROM Serial-I2C 128-bit 16 x 8 3.3V/5V 8-Pin TSSOP T/R | Buy | |
|
|
LT1812CS5#TRMPBF | Analog Devices | Operational Amplifiers - Op Amps | Op Amp Single High Speed Amplifier ±6.3V/12.6V 5-Pin TSOT-23 T/R | Buy | |
|
|
LT1812CS5 | Analog Devices | Operational Amplifiers - Op Amps | Op Amp Single High Speed Amplifier ±6.3V/12.6V 5-Pin TSOT-23 | Buy | |
|
|
24LC00T-I/OTG | Microchip Technology | EEPROM | EEPROM Serial-I2C 128-bit 16 x 8 3.3V/5V 5-Pin SOT-23 T/R | Buy | |
|
|
24LC00-I/SN | Microchip Technology | EEPROM | EEPROM Serial-I2C 128-bit 16 x 8 3.3V/5V 8-Pin SOIC N Tube | Buy | |
|
|
LT1762EMS8-3.3 | Analog Devices | Linear Regulators | LDO Regulator Pos 3.3V 0.15A 8-Pin MSOP | Buy | |
|
|
24LC00T-I/ST | Microchip Technology | EEPROM | EEPROM Serial-I2C 128-bit 16 x 8 3.3V/5V 8-Pin TSSOP T/R | Buy | |
|
|
24LC00T/OT | Microchip Technology | EEPROM | EEPROM Serial-I2C 128-bit 16 x 8 3.3V/5V 5-Pin SOT-23 T/R | Buy | |
|
|
24LC00-I/SNG | Microchip Technology | EEPROM | EEPROM Serial-I2C 128-bit 16 x 8 3.3V/5V 8-Pin SOIC N Tube | Buy | |
|
|
24LC00T-I/SNG | Microchip Technology | EEPROM | EEPROM Serial-I2C 128-bit 16 x 8 3.3V/5V 8-Pin SOIC N T/R | Buy | |
|
|
24LC00T-I/MNY | Microchip Technology | EEPROM | EEPROM Serial-I2C 128-bit 16 x 8 3.3V/5V 8-Pin TDFN EP T/R | Buy | |