BQ24316EVM-251, Evaluation Module for BQ24316 Li+ Charger Front End Protection IC

Reference Design using part BQ24316DSG by Texas Instruments

Manufacturer

Texas Instruments
  • Application Category
    Battery Management
  • Product Type
    Battery Charger

Associated Documents

For End Products

  • Bluetooth Headset
  • MP3 Player
  • Personal Digital Assistant
  • Smart Phone

Description

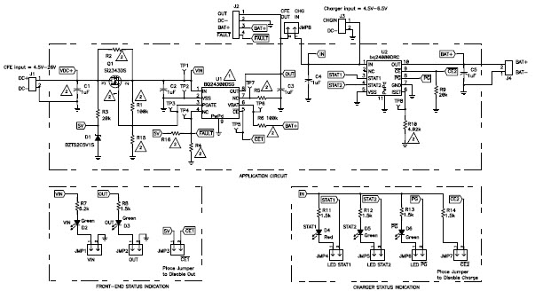
  • BQ24316EVM-251, Evaluation Module is a complete charger module for evaluating a charger front-end protection and charger solution using the bq24316 device. It is designed to deliver up to 700 mA of charge current to Li-ion or Li-polymer applications. The charger front-end protection current is designed to 1000 mA. The bq24316 protects the charging system against three types of failures: input overvoltage when the AC adapter fails to regulate its voltage, load overcurrent when failures such as a short circuit occur in the charging system, and battery overcharge

Key Features

  • Battery Type
    Lithium-Ion|Lithium-Polymer
  • Input Voltage
    4.5 to 26 V
  • Output Voltage
    0 to 5 V

We've updated our privacy policy. Please take a moment to review these changes. By clicking I Agree to Arrow Electronics Terms Of Use  and have read and understand the Privacy Policy and Cookie Policy.

Our website places cookies on your device to improve your experience and to improve our site. Read more about the cookies we use and how to disable them here. Cookies and tracking technologies may be used for marketing purposes.
By clicking “Accept”, you are consenting to placement of cookies on your device and to our use of tracking technologies. Click “Read More” below for more information and instructions on how to disable cookies and tracking technologies. While acceptance of cookies and tracking technologies is voluntary, disabling them may result in the website not working properly, and certain advertisements may be less relevant to you.
We respect your privacy. Read our privacy policy here