AND8257/D, Implementing a Medium Power AC-DC Converter with the NCP1395

Reference Design using part NCP1012AP065 by onsemi

Manufacturer

onsemi
  • Application Category
    Power Supplies
  • Product Type
    AC to DC Single Output Power Supplies

Description

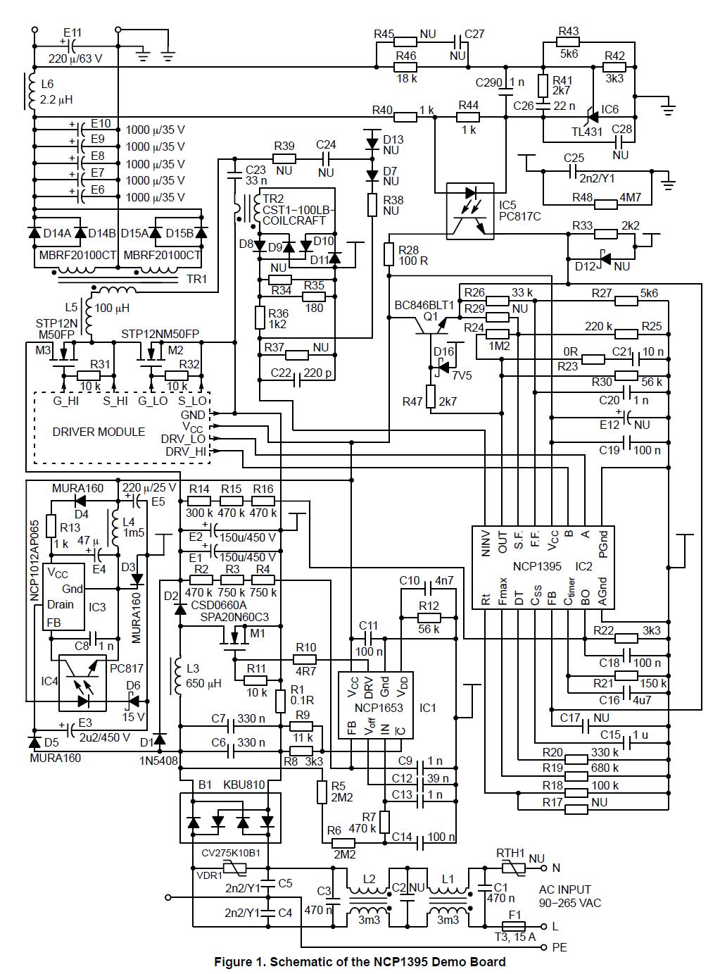
  • NCP1395 controller in an LLC resonant converter topology. A 240 W AC-DC converter has been selected for the typical application

Key Features

  • Conversion Type
    AC to DC
  • Input Voltage
    90 to 265 (AC) V
  • Output Voltage
    24 V
  • Output Current
    10 A
  • Output Power
    240 W
  • Efficiency
    90 %
  • Topology
    Half Bridge- LLC|Half Bridge- Resonant

We've updated our privacy policy. Please take a moment to review these changes. By clicking I Agree to Arrow Electronics Terms Of Use  and have read and understand the Privacy Policy and Cookie Policy.

Our website places cookies on your device to improve your experience and to improve our site. Read more about the cookies we use and how to disable them here. Cookies and tracking technologies may be used for marketing purposes.
By clicking “Accept”, you are consenting to placement of cookies on your device and to our use of tracking technologies. Click “Read More” below for more information and instructions on how to disable cookies and tracking technologies. While acceptance of cookies and tracking technologies is voluntary, disabling them may result in the website not working properly, and certain advertisements may be less relevant to you.
We respect your privacy. Read our privacy policy here