ADRF6780-EVALZ, Evaluation Board for ADRF6780 5.9GHz - 23.6GHz Wideband Up Converter
Reference Design using part ADRF6780ACPZN-R7 by Analog Devices
For End Products
- Automatic Test Equipment
- Microwave point-to-point
- Portable Instrumentation
- Radar System
Description
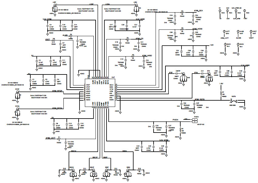
- ADRF6780-EVALZ, Evaluation Board for the ADRF6780, 5.9GHz to 23.6GHz wideband up converter comes in a compact, thermally enhanced. The ADRF6780 is a silicon germanium (SiGe) design, wideband, microwave Up-Converter optimized for point to point microwave radio designs operating in the 5.9GHz to 23.6GHz frequency range. The Up-Converter offers two modes of frequency translation. The device is capable of direct conversion to radio frequency (RF) from baseband IQ input signals, as well as single sideband (SSB) up conversion from a real intermediate frequency (IF) input carrier frequency
Featured Parts (26)
| Part Number | Manufacturer | Type | Description | |||
|---|---|---|---|---|---|---|
|
|
ADM7170ACPZ-R2 | Analog Devices | Linear Regulators | LDO Regulator Pos 1.2V to 5V 0.5A 8-Pin LFCSP EP T/R | Buy | |
|
|
ADM7172ACPZ-R2 | Analog Devices | Linear Regulators | LDO Regulator Pos 1.2V to 5V 2A Medical 8-Pin LFCSP EP T/R | Buy | |
|
|
ADM7172ACPZ-5.0-R7 | Analog Devices | Linear Regulators | LDO Regulator Pos 5V 2A Medical 8-Pin LFCSP EP T/R | Buy | |
|
|
ADM7172ACPZ-1.3-R7 | Analog Devices | Linear Regulators | LDO Regulator Pos 1.3V 2A Medical 8-Pin LFCSP EP T/R | Buy | |
|
|
PIC18F24J50-I/SS | Microchip Technology | Microcontrollers - MCUs | MCU 8-bit PIC RISC 16KB Flash 2.5V/3.3V 28-Pin SSOP Tube | Buy | |
|
|
PIC18F24J50T-I/SS | Microchip Technology | Microcontrollers - MCUs | MCU 8-bit PIC RISC 16KB Flash 2.5V/3.3V 28-Pin SSOP T/R | Buy | |
|
|
ADM7170ACPZ-5.0-R7 | Analog Devices | Linear Regulators | LDO Regulator Pos 5V 0.5A 8-Pin LFCSP EP T/R | Buy | |
|
|
ADM7170ACPZ-3.0-R7 | Analog Devices | Linear Regulators | LDO Regulator Pos 3V 0.5A 8-Pin LFCSP EP T/R | Buy | |
|
|
ADM7170ACPZ-2.5-R7 | Analog Devices | Linear Regulators | LDO Regulator Pos 2.5V 0.5A 8-Pin LFCSP EP T/R | Buy | |
|
|
ADM7172ACPZ-3.3-R7 | Analog Devices | Linear Regulators | LDO Regulator Pos 3.3V 2A Medical 8-Pin LFCSP EP T/R | Buy | |
|
|
ADM7172ACPZ-3.0-R7 | Analog Devices | Linear Regulators | LDO Regulator Pos 3V 2A Medical 8-Pin LFCSP EP T/R | Buy | |
|
|
PIC18F24J50-I/SP | Microchip Technology | Microcontrollers - MCUs | MCU 8-bit PIC RISC 16KB Flash 2.5V/3.3V 28-Pin SPDIP Tube | Buy | |