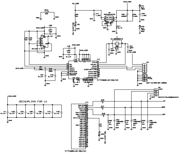
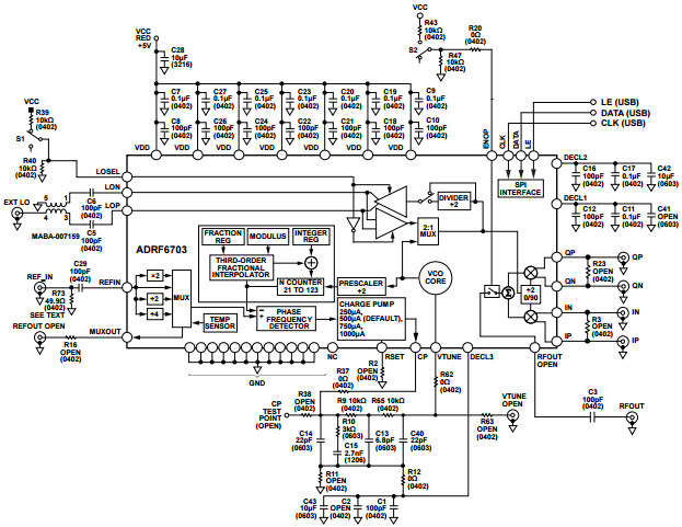
ADRF6703-EVALZ, Evaluation Board for Evaluating the ADRF6703 1550 to 2650 MHz Quadrature Modulator with 2100 to 2600 MHz Frac-N PLL and Integrated VCO

Reference Design using part ADRF6703ACPZ by Analog Devices

Manufacturer

Analog Devices
  • Application Category
    Wireless Communication
  • Product Type
    Modulators

For End Products

  • Broadband Access
  • Satellite
  • Telecommunication System

Description

  • ADRF6703-EVALZ, Evaluation Board for the ADRF6703 provides a quadrature modulator and synthesizer solution within a small 6 mm + 6 mm footprint while requiring minimal external components. The ADRF6703 is designed for RF outputs from 1550 MHz to 2650 MHz. The low phase noise VCO and high performance quadrature modulator make the ADRF6703 suitable for next generation communication systems requiring high signal dynamic range and linearity. The integration of the IQ modulator, PLL and VCO provides for significant board savings and reduces the BOM and design complexity. The integrated fractional-N PLL/synthesizer generates a 2+ fLO input to the IQ modulator. The phase detector together with an external loop filter is used to control the VCO output. The VCO output is applied to a quadrature divider

Key Features

  • Operating Frequency
    1550 to 2650 MHz

We've updated our privacy policy. Please take a moment to review these changes. By clicking I Agree to Arrow Electronics Terms Of Use  and have read and understand the Privacy Policy and Cookie Policy.

Our website places cookies on your device to improve your experience and to improve our site. Read more about the cookies we use and how to disable them here. Cookies and tracking technologies may be used for marketing purposes.
By clicking “Accept”, you are consenting to placement of cookies on your device and to our use of tracking technologies. Click “Read More” below for more information and instructions on how to disable cookies and tracking technologies. While acceptance of cookies and tracking technologies is voluntary, disabling them may result in the website not working properly, and certain advertisements may be less relevant to you.
We respect your privacy. Read our privacy policy here