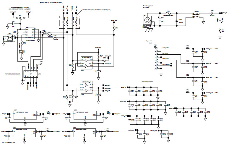
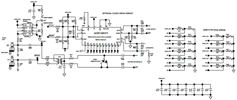
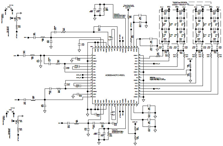
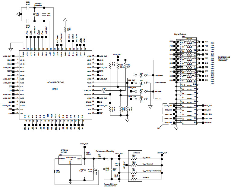
AD9212-65EBZ, Evaluation Board for Evaluating the AD9212 Octal, 10-Bit, 65 MSPS, Serial LVDS 1.8V ADC

Reference Design using part AD9212 by Analog Devices

Manufacturer

Analog Devices
  • Application Category
    Data Conversion
  • Product Type
    Analog to Digital Conversion

Associated Documents

For End Products

  • Optical Networking
  • Portable Instrumentation
  • Radio Receiver
  • Test Equipment
  • Ultrasound Imaging

Description

  • AD9212-65EBZ, Evaluation Board for Evaluating the AD9212 Octal, 10-Bit, 65 MSPS, Serial LVDS 1.8V ADC with an on-chip sample-and-hold circuit designed for low cost, low power, small size and ease of use. Operating at a conversion rate of up to 65 MSPS, it is optimized for outstanding dynamic performance and low power in applications where a small package size is critical

Key Features

  • ADC Resolution
    10 Bit
  • ADC Sampling Rate
    65M SPS
  • Number of Channels
    8CH

We've updated our privacy policy. Please take a moment to review these changes. By clicking I Agree to Arrow Electronics Terms Of Use  and have read and understand the Privacy Policy and Cookie Policy.

Our website places cookies on your device to improve your experience and to improve our site. Read more about the cookies we use and how to disable them here. Cookies and tracking technologies may be used for marketing purposes.
By clicking “Accept”, you are consenting to placement of cookies on your device and to our use of tracking technologies. Click “Read More” below for more information and instructions on how to disable cookies and tracking technologies. While acceptance of cookies and tracking technologies is voluntary, disabling them may result in the website not working properly, and certain advertisements may be less relevant to you.
We respect your privacy. Read our privacy policy here