AC164132, Fast 100Mbps Ethernet PICtail Plus Daughter Board for ENC624J600 Ethernet Controller

Reference Design using part ENC624J600-I/PT by Microchip Technology

Manufacturer

Microchip Technology
  • Application Category
    Wired Communication
  • Product Type
    Ethernet Card

Description

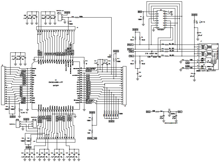
  • AC164132, Fast 100Mbps Ethernet PICtail Plus Daughter Board provides a cost-effective method of evaluating and developing Ethernet applications with Standalone Ethernet Controllers. The board is designed for development flexibility and has a form factor for use with 8/16/32 bit development boards. The development board is populated with 64-Pin ENC624J600 Ethernet controller which interfaces to the RJ-45 Ethernet connector with integrated magnetic. When used in conjunction with the TCP/IP stack the Fast 100Mbps Ethernet PICtail Plus daughter board allows a developer to connect any MCU product to the Internet

Key Features

  • Ethernet Communication Standard
    10Base-T|100Base-T

We've updated our privacy policy. Please take a moment to review these changes. By clicking I Agree to Arrow Electronics Terms Of Use  and have read and understand the Privacy Policy and Cookie Policy.

Our website places cookies on your device to improve your experience and to improve our site. Read more about the cookies we use and how to disable them here. Cookies and tracking technologies may be used for marketing purposes.
By clicking “Accept”, you are consenting to placement of cookies on your device and to our use of tracking technologies. Click “Read More” below for more information and instructions on how to disable cookies and tracking technologies. While acceptance of cookies and tracking technologies is voluntary, disabling them may result in the website not working properly, and certain advertisements may be less relevant to you.
We respect your privacy. Read our privacy policy here