300W Isolated DC-DC Converter using Toshiba Discrete Devices
Reference Design using part SSM3K15ACT by Toshiba
Associated Documents
- RD024 - Bill of Materials
- Circuit Schematic (CR5000SD)
- Circuit Schematic (EDIF)
- PCB Files (CR5000BD rev.16)
- PCB Files (CR800DF)
- Circuit Schematic (Altium Designer)
- PCB Files (CR5000BD rev.13)
- PCB Files (CR5000BD rev.19)
- PCB Files (Allegro PCB)
- PCB Fabrication Data (ODB++)
- RD024 - Design Guide
- PCB Files (Altium Designer)
- PCB Files (LPB G-Format)
- RD024 - Circuit Diagram
- Circuit Schematic (OrCAD)
- PCB Fabrication Data (Gerber Format)
For End Products
- Industrial System
- Telecommunications Equipment
Description
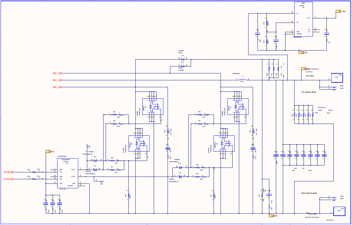
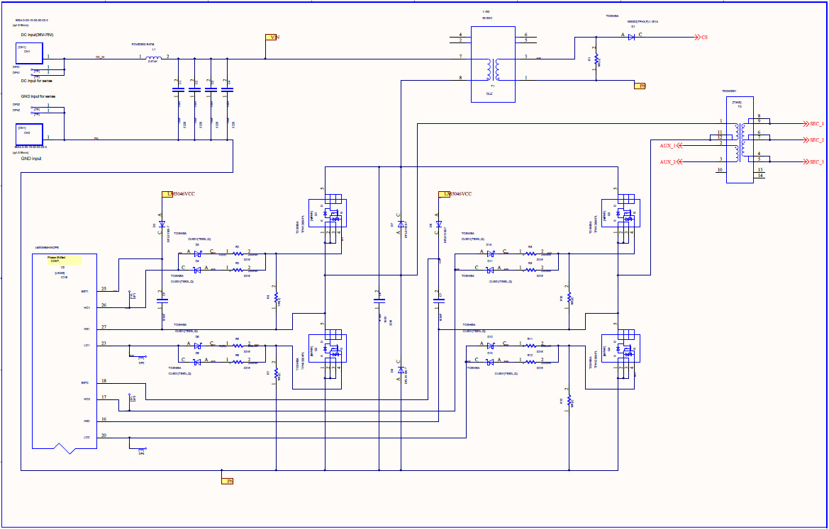
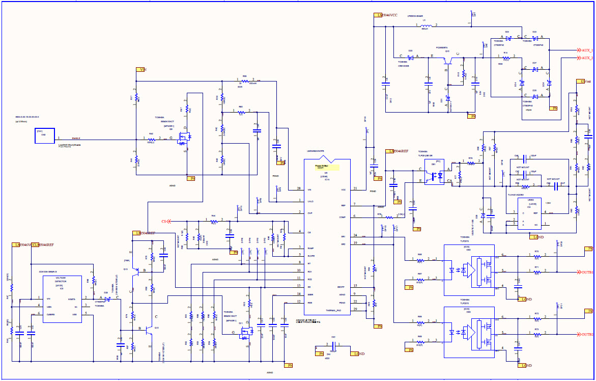
- RD024, Reference Design describes the specifications, operating procedure, and efficiency characteristics of a 300W isolated DC-DC converter. This converter operates over an input voltage range of 36 to 75VDC and provides 300W power at 12VDC output. This converter is suitable for various applications, including telecommunication equipment with 48VDC lines and industrial systems powered by 48V batteries. This reference design provides various design information, which help to reduce the time and effort to design a DC-DC converter according to actual required specifications. Circuit topology is Phase Shift Full Bridge + Synchronous Rectification
Key Features
-
Conversion TypeDC to DC
-
Input Voltage36 to 75 V
-
Output Voltage12 V
-
Output Current25 A
-
Output Power300 W
-
Efficiency94.5 %
-
TopologyFull Bridge- Phase Shifted + Synchronous Rectification
Featured Parts (26)
| Part Number | Manufacturer | Type | Description | |||
|---|---|---|---|---|---|---|
|
|
TPS70933DRVR | Texas Instruments | Linear Regulators | LDO Regulator Pos 3.3V 0.15A 6-Pin WSON EP T/R | Buy | |
|
|
2SA1586Y(TE85L,F) | Toshiba | GP BJT | Trans GP BJT PNP 50V 0.15A 100mW 3-Pin USM T/R Automotive AEC-Q101 | Buy | |
|
|
CMH01(T2L,TEMQ) | Toshiba | Rectifiers | Diode Switching 200V 3A 2-Pin M-FLAT T/R | Buy | |
|
|
CRS10I30B(TE85L,QM | Toshiba | Rectifiers | Diode Schottky 30V 1A 2-Pin S-FLAT T/R | Buy | |
|
|
CTS05F40,L3F | Toshiba | Rectifiers | Diode Small Signal Schottky Si 0.5A 2-Pin CST T/R | Buy | |
|
|
LM5046MH/NOPB | Texas Instruments | PWM and Resonant Controllers | Current Mode PWM Controller 2A 100kHz to 2000kHz 28-Pin HTSSOP EP Tube | Buy | |
|
|
2SC4116-Y(TE85L,F) | Toshiba | GP BJT | Trans GP BJT NPN 50V 0.15A 100mW 3-Pin USM T/R Automotive AEC-Q101 | Buy | |
|
|
1SS352,H3XGF(T | Toshiba | Rectifiers | Diode Switching 85V 0.1A 2-Pin USC T/R Automotive AEC-Q101 | Buy | |
|
|
1SS352,H3F(B | Toshiba | Rectifiers | Diode Switching 85V 0.1A 2-Pin USC Automotive AEC-Q101 | Buy | |
|
|
1SS352,H3F(T" | Toshiba | Rectifiers | Diode Switching 85V 0.1A 2-Pin USC T/R Automotive AEC-Q101 | Buy | |
|
|
1SS352(TH3TST,F) | Toshiba | Rectifiers | Diode Switching 85V 0.1A 2-Pin USC Automotive AEC-Q101 | Buy | |
|
|
CMH01(TE12L,Q,M) | Toshiba | Rectifiers | Diode Switching 200V 3A 2-Pin M-FLAT T/R | Buy | |