1.8V, 1.8V DC to DC Multi-Output Power Supply for Portable

Reference Design using part MIC23250-AAYMT by Microchip Technology

Manufacturer

Microchip Technology
  • Application Category
    Power Supplies
  • Product Type
    DC to DC Multi-Output Power Supplies

For End Products

  • Cellular Phone
  • Digital Camera
  • GPS Navigation
  • MP3 Player
  • Portable
  • Portable Media Player
  • Smart Phone
  • USB Dongle
  • Wireless LAN

Description

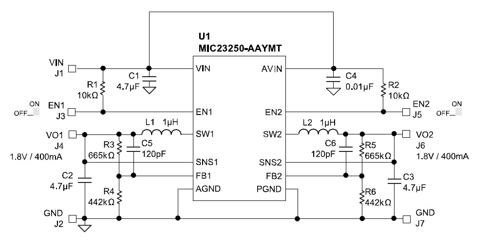
  • MIC23250 is a dual 400mA 4MHz switching regulator with Hyper Light Load mode. MIC23250 is highly efficient, consuming 33A of quiescent current to operate both of its outputs

Key Features

  • Conversion Type
    DC to DC
  • Input Voltage
    2.7 to 5.5 V
  • Output Voltage
    1.8|1.8 V
  • Output Current
    0.4@1.8V|0.4@1.8V A
  • Efficiency
    94 %
  • Topology
    Buck

We've updated our privacy policy. Please take a moment to review these changes. By clicking I Agree to Arrow Electronics Terms Of Use  and have read and understand the Privacy Policy and Cookie Policy.

Our website places cookies on your device to improve your experience and to improve our site. Read more about the cookies we use and how to disable them here. Cookies and tracking technologies may be used for marketing purposes.
By clicking “Accept”, you are consenting to placement of cookies on your device and to our use of tracking technologies. Click “Read More” below for more information and instructions on how to disable cookies and tracking technologies. While acceptance of cookies and tracking technologies is voluntary, disabling them may result in the website not working properly, and certain advertisements may be less relevant to you.
We respect your privacy. Read our privacy policy here