Arrow Electronic Components Online

An optical sensor solution for minimizing false activations in smoke alarms

Sensors27 Jun 2023
Image of a smoke detector with red light and smoke in the air
View all articles

Smoke alarms are essential devices in buildings to detect fires early and mitigate potential risks to life and property. However, false alarms from smoke alarms can be a nuisance in daily life. Being able to differentiate between smoke from cooking or bathroom steam and smoke indicating a real fire can significantly reduce false alarms. This article introduces the testing requirements for smoke alarms and how optical sensor modules, such as those offered by ADI, can be applied in smoke alarm designs.

Reducing false activations in smoke alarms decrease usage rates and increase firefighting costs

Today’s buildings have numerous different sensors to make daily living easier and to offer protection. Besides environmental sensors and smart home applications such as electricity and heating regulation, safety relevant sensors assume an important role. Smoke alarms are included among them. Smoke alarms are essential and prescribed by law, but many smoke alarms on the market are not adequate for use in kitchens or bathrooms due to an increased risk of false alarms from cooking vapor or steam. False alarms should not be underestimated because they tempt users to turn off the smoke alarms and they can incur high costs due to unnecessary fire department deployments.
 
However, the lack of smoke alarms in bathrooms and kitchens is a serious problem because the potential for fire is high, especially in kitchens. This poses a greater risk in modern apartments because the kitchen is often integrated into the living room. Fires spread rapidly in modern environments with large amounts of synthetic building materials, so a more finely meshed network of smoke alarms is important for accurate fire detection.
 
Globally, standards attempt to meet these new requirements by prescribing detection of different types of smoke in new tests. Different regions have slightly different regulations: EN applies in Europe, UL in North America, and ISO internationally. In its latest editions, which are going to release in June 2021 (UL 268: 7th edition and UL 217: 8th edition), UL has introduced an additional test called the hamburger nuisance alarm test. In this test, a defined concentration of hamburger patty smoke must be distinguished from a defined concentration of flaming polyurethane. This test should help lower the false alarm rate in kitchens.

adi-sensor-arrowtimes-light-source-apac-2023-07

UL’s hamburger nuisance alarm test

This hamburger nuisance test was created to replicate real cooking smoke. The concept behind the hamburger nuisance alarm test is simple, but even modern smoke alarms face a challenge—a hamburger patty is broiled for a specific amount of time. In the process, a check is made as to whether the smoke alarm is triggered by the rising smoke (starting at a defined limit). This test is naturally standardized so all smoke alarms can be tested under identical conditions. The obscuration measurement is used as a reference. For this test, a light source with a light beam of diameter 10 cm to 15 cm is set up at a distance of roughly 2 m. A vapor lamp with a defined wavelength of 589 nm is used as the light source. Smoke situated between the lamp and the detector obscures the light.
 
The obscuration of the light beam by the smoke is compared with the reference signal in a smoke-free room. Conclusions about the smoke density and the smoke concentration can be drawn based on the obscuration. For the same particles, the higher the amount of obscuration, the higher the concentration. Naturally, the obscuration varies not just with the concentration but also with the particle type. This is based on the scattering cross section and varies strongly from particle type to particle type.
 
The time of obscuration plays a role as an additional component for alarm generation. Accordingly, as per the standard, an alarm is triggered either after a certain time limit or after an obscuration limit is reached in the reference system. Thus, the hamburger nuisance alarm stipulates that the alarm must not go off during the hamburger patty broiling before reaching an obscuration of greater than 1.5%/ft. Polyurethane, which can emulate a real object like an armchair, is set on fire in the second part of the test. The smoke alarm must recognize the difference and trigger the alarm at an obscuration of 5%/ft.
 
This is extremely challenging because the two types of smoke, a genuine fire smoke and a cooking smoke, are hard to tell part. Nevertheless, this test is only one of many that are defined in UL 217 and UL 268. Several identical smoke alarms must also pass this test in order for random results to be excluded and to guarantee a broad quality density among the detectors.

adi-sensor-alarm-test-apac-2023-07

How smoke alarms can pass the hamburger nuisance alarm test

Most modern smoke alarms have a photoelectric working principle. For the hamburger nuisance test, a light beam is emitted and reflected by the particles. The scatter depends on the particle type, the particle concentration, and the scattering angle. Based on the scattering signal, the smoke alarm decides whether to trigger an alarm. To pass the hamburger nuisance alarm test, a detector must have a high signal-to-noise ratio in order to differentiate hamburger smoke from other types of smoke.
 
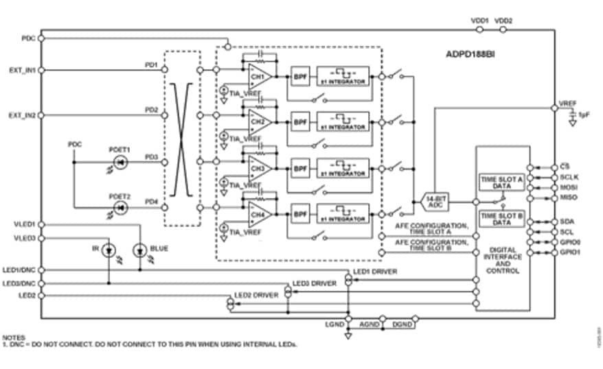
Analog Devices’ ADPD188BI integrated optical sensor module equips smoke alarm manufacturers with the technology that can pass this difficult test. This new integrated module for smoke detection is composed of a housing with two transmitter LEDs, including a blue LED with a wavelength of 470 nm and an infrared LED with a wavelength of 850 nm, both emitters located inside the left compartment. A photodiode and the analog front end are situated in the right part of the housing. The LEDs emit light and the smoke particles deflect the light back to the photodiode. The LED drivers are integrated and switched by the internal time slots. These time slots enable the user to regulate the timing of the entire front end without constantly having to rewrite the registers.
 
The analog front end consists of a current-to-voltage converter and an analog filter for the ambient light. The latter consists of a band-pass filter for the constant ambient light and an integrator for the variable ambient light, as, for example, is emitted by a fluorescent lamp. The integrated analog-to-digital converter then converts the voltage into a digital signal.
 
Due to the high integration density, the ADPD188BI smoke sensor module has a number of advantages. Because only a few external components are required, the entire system can be calibrated more easily. False alarms are further reduced by the two-color light wavelength detection because, in addition to the individual measurement of each wavelength, ratio formation is possible. Furthermore, the module is small and has a lower power consumption than conventional detectors. The power consumption with operation of the infrared LED is ~5 μW/Hz. Full integration of the LEDs and the photodiode into the analog front end allows smoke alarm manufacturers to offer a one-module solution.
 
The high degree of integration of the ADPD188BI module leads to a “make or break” in the hamburger nuisance test. LEDs usually have a high part-to-part variation in terms of luminous intensity at a fixed current, for which reason smoke alarm calibration has traditionally had to be performed by smoke alarm manufacturers. Calibration of the slope and the offset of the LED luminous intensity-to-current ensures that all LEDs behave in the same way. Because the LEDs and the complete signal path are integrated into the ADPD188BI, Analog Devices precalibrates the sensor module. The spread of the part-to-part variation is thus reduced. Because smoke alarm manufacturers can use a precalibrated module, this eases system design.
 
The calibration method used by Analog Devices directly targets the calibration of the slope and the offset of the LEDs. For this, the ADPD188BI is placed under a reflector. The light reflected back is measured by the integrated photodiode. The slope and the offset can be determined separately for each individual ADPD188BI and the calibration coefficients are stored in the nonvolatile memory, the eFUSE registers, of the chip. The chip variability can be minimized through readout of these coefficients. This means that alarm thresholds can be set more sharply in the algorithms, false alarms can be reduced, and the UL tests can ultimately be passed.

leds

Integrated optical module for smoke detection

ADI's ADPD188BI is a complete photometric system for smoke detection using optical dual wavelength technology. The module integrates a highly efficient photometric front end, two light emitting diodes (LEDs), and two photodiodes (PDs). These items are housed in a custom package that prevents light from going directly from the LED to the photodiode without first entering the smoke detection chamber.
 
The front end of the application specific integrated circuit (ASIC) consists of a control block, a 14-bit analog-to-digital converter (ADC) with a 20-bit burst accumulator, and three flexible, independently configurable LED drivers. The control circuitry includes flexible LED signaling and synchronous detection. The analog front end (AFE) features best-in-class rejection of signal offset and corruption due to modulated interference commonly caused by ambient light. The data output and functional configuration occur over a 1.8 V I2C interface or serial peripheral interface (SPI) port.
 
ADPD188BI supports UL-217 edition 8/ UL-568 ed. 7, EN-54, GB, and ISO standards. It lowers Nuisance Alarms using a Dual Wavelength detection with higher SNR and dynamic range, and it supports 3X lower power dissipation enables smaller/cheaper batteries. Integrated Optical Module (3.8mm x 5mm x 0.9mm with 1 blue LED, 1 IR LED and 2 Photo diodes) to simplifies EMC design, allows for greater diversity of industrial design options and results in 75% fewer discrete components. Loop calibration at final test reduces calibration challenges with smoke detector products.
 
ADI also offers the EVAL-ADPD188BIZ-S2 evaluation board provides users with a simple means of evaluating the ADPD188BI optical module along with the EVAL-CHAMBER smoke chamber for smoke and aerosol detection applications. The evaluation system is composed of the EVAL-ADPD188BIZ-S2 evaluation board, the EVAL-ADPDUCZ microcontroller board, the optional EVAL-CHAMBER smoke chamber, and the Wavetool Evaluation Software graphical user interface (GUI). The software provides users with both low level and high-level configurability, real-time frequency and time domain analysis, and user datagram protocol (UDP) transfer capability so that the evaluation board can easily interface to the user development system.

Conclusion

The newly introduced hamburger nuisance test is very hard to pass because the smoke particles from a burnt hamburger patty do not differ that much from normal smoke. A smoke sensor therefore needs a high signal-to-noise ratio in order to distinguish between hamburger patty smoke and other types of smoke. A low sensor part-to-part variation plays a decisive role in this. Measurements and tests are completed and passed more reliably; through this, fewer false alarms are generated in the final application. With the new integrated optical module for smoke detection, the ADPD188BI, Analog Devices offers a high sensitivity, integrated sensor module that not only has a high signal-to-noise ratio and two-color detection but also minimizes the part-to-part variation and hence simplifies design and algorithm development. It will be an ideal solution for developing new smoke alarms.

Article Tags

Analog Devices
APAC
Arrow Times

Related News Articles

View all