Arrow Electronics Components Online

传感器技术的进步促进智能工厂发展

智能工厂13 11月 2021
配备吸附技术的机器人手臂在现代工业工厂中运作的特写镜头
查看所有文章

毫无疑问,传统制造业在过去的一个世纪中已经发生了演变。推动这一变化的关键因素是对更高生产率和灵活性的需求,以及提升安全性和保障性的要求——而这一切都需要以更低的成本实现。行业的答案是什么?智能工厂。

智能工厂的感知

从原材料的订购到最终生产,智能工厂彻底改变了制造业,通过优化提高了生产速度,减少了人为错误并提升了效率。 

智能工厂利用智能机器、设备以及测量和测试设备来监控制造过程中关键参数。这些改进已经彻底改变了工厂车间的基础设施,提供了一个促进持续且准确沟通的环境,不仅连接了机器、数据存储和访问点,还使操作系统能够保持最大效率和生产力。  

这些技术进步也改变了对机械的要求,增加了对可靠传感器的需求,特别是在高振动环境中。传感器在工厂智能化中起着重要作用,通过收集和将准确数据应用于制造流程,以提升产品质量。 

传感器技术的最新进展现已使过程控制和数据采集达到了前所未有的水平。过程控制可以通过通信来调整系统质量。例如,可以通过软件轻松编程来更改各种产品的公差,然后通过内置集成电路(I2C)或串行外设接口(SPI)协议来实施。以同样的方式,来自传感器的数据可以优化产品质量,并帮助制造商找到最有效的生产运行方法。

从基础的温度和湿度监测到复杂的位置和压力感应,智能工厂需要各种类型的传感器,这些传感器通过移动产品、控制机器人和铣削工艺以及感应环境因素来促进工厂运营的提升。

TE Connectivity 的智能工厂传感器解决方案  

TE Connectivity(TE)是全球最大的连接和传感器公司之一,提供创新的传感器解决方案,帮助客户将概念转化为智能、互联的创作。该公司的广泛传感器产品组合包括工业用途的以及高度集成的多传感器模块,提供能够进行实时处理的解决方案,从而提升智能工厂的性能。许多TE的工业传感器具有数字输出,与工厂通信系统相比,能够更轻松地适应而非依赖较不先进的传感器。TE的传感器提供高精度和高分辨率,确保数据的可靠性。此外,它们还可以集成到智能机器、测量和测试设备以及统计过程控制中。 

在智能机器中,位置传感器监测并测量运动部件的位置,通常具有高精度和高准确性,而温度和压力传感器则用于监测并测量对机器正常运行至关重要的参数。流量开关监测关键液体(包括冷却液和切削油)的正常流动。力传感器监测在成型、弯曲和与应力相关的制造过程中施加于产品上的力。 

```html
传感器类型 智能机器的TE传感器
位置 HR & MHR LVDT,KMA36旋转传感器
温度 NTC、RTD和热电偶探头
压力 M5200 & U5200,MS4525,MSP100
流量 FX-1901,FS-23,FS-20
```

传感器用于通过使用温度和压力传感器来监控设备的正常运行,从而提高测量和测试设备的精确性。位置传感器(LVDT,测量头)可测量产品尺寸,而荷重传感器则用于确定重量,以验证产品是否在预定范围内。 

传感器被应用于统计过程控制,以对各种过程参数进行准确、一致且可靠的测量。TE 的传感器产品组合配备坚固的外壳和防护罩,能够提供长期的稳定性,从而减少维护需求,同时在恶劣环境中可靠运行。这些传感器具有可互换性,可快速更换故障传感器,从而减少制造车间的停机时间。

从用于监测水、气管和工艺储罐中液位的压力和液位传感器,到用于监测环境、工作站温度以及工作范围占用情况的温度和非接触式温度传感器,TE 的传感器产品组合能够提供所需的解决方案,帮助打造高效、安全且舒适的工作环境。  

智能工厂的传感器进步 

随着制造商实施设备和/或系统升级,生产能力在不断发展。随着这些升级的实现,传感器技术不断进步,新产品不断推出。例如,确定温度关闭等因素需要基础的模拟信号。一旦超过温度阈值,生产过程就会停止。最基本的这些组件包括热敏电阻([15] 模块),其电阻值会发生变化,以及TE公司提供的Measurement Specialties (MEAS) HS1101LF相对湿度传感器 [2],该传感器基于湿度输出电容值。这些简单组件提供智能性,从而使通常被动的设备产生变化值。尽管被动组件在执行最终过程时需要额外的电路,但决策信号被集成到更智能的多功能组件中,用于以多种方式提供模拟信号。更先进的传感器将包括滞后特性,以减少错误触发或实现一定范围的温度应用。

除了基本的模拟触发器,通过传感器数据产生一系列电压值的方式可以提高传感能力。随着半导体工艺逐渐采用更低的电压水平,需要更复杂的方法来提供更细致的粒度。在这些应用中,数字信号取代了有限的模拟电压范围;然而,有些市场并不需要额外决策用的微处理器所需的通信协议相关成本和复杂性。在这些应用中,脉宽调制(PWM)和Σ-Δ调制被用作数字信号,结果被平均转化为模拟输出。TE 的 TSYS02S 数字温度传感器 [1] 是一个具有这两种输出类型以及额外 I2C 选项的产品示例。其优势在于为三伏逻辑创建了一个模拟信号,该信号比典型的三伏运算放大器具有更大的分辨率范围。多种可选配置使客户能够选择符合其预算和决策电路复杂程度的温度传感解决方案。

The TSYS02 Series is a digital temperature sensor with ±0.2°C accuracy and 16-bit resolution

参考文献[1] TE 的 TSYS02S 数字温度传感器具有三种类型的模拟输出:PWM、SDM 和 I2。实现这一代模拟信号需要进行平均化处理,从而通过使用通信协议获得更高的细化程度。在这些传感器产品中,感测、A/D 通信和数据输出集成于一个封装中。数据流的位大小越大,细化程度越高。地址分配是位流中的一个重要部分,它使得主设备能够控制多个传感器从设备负载,从而增加数据采集量,实现更好的控制。相比于模拟样式解决方案改进的精度和信号完整性,额外的时钟同步和数据同步只是微不足道的副作用。

SPI 网络

如何运作:

  • 主设备通过从设备选择线 (SS1...SSn) 启用从设备。
  • 主设备通过MOSI线向从设备发送指令。
  • 从设备通过 MISO 线进行响应。
  • 主设备与从设备之间可以同时进行通信。
  • SPI 通信比 I2C 更快。
  • 主设备提供一个时钟 (SCLK) 来控制数据交换的时序。

A technical diagram illustrating a Serial Peripheral Interface (SPI) communication setup

参考文献[14]  SPI接口的四数据线结构相比I2C有助于实现更快的数据采集。

I2C 网络

工作原理:

  • 主设备通过从设备选择线(SS1...SSn)启用从设备。
  • 主设备通过MOSI线路向从设备发送指令。
  • 从机通过 MISO 线进行响应。
  • 主设备和从设备之间的通信可以同时进行。
  • SPI 通信比 I2C 更快。
  • 主设备提供一个时钟(SCLK)来控制数据交换的时序。

A schematic diagram illustrating master-slave communication in a system

参考  [14] I2C 接口的串行数据线结构比 SPI 更简单。 

具有串行通信功能的传感器产品可用于检测温度[1]和湿度[3],以及温度和湿度的组合[3]。多种压力传感器[9-11]能够控制对大气压力以及压缩空气压力水平敏感的工艺过程。

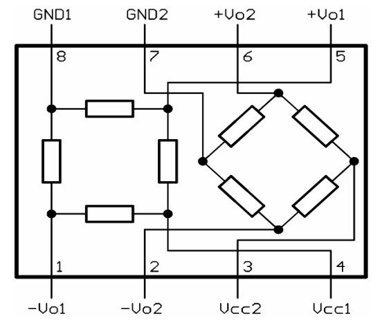
位置传感器通过检测磁场强度来确定对准 [8]、线性位置 [5] 或角度位置 [5, 6, 7]。 这些磁阻 (MR) [14] 产品采用板载惠斯通电桥。 输出值表现为两个正弦波形式的波形,这些波形根据惠斯通电桥确定的角度呈现出相位差。

框图

A detailed schematic of an electrical circuit featuring labeled pins and connections

电路图

典型性能曲线

Technical illustration showcasing a magnetic field sensor labeled KMT32B alongside sinusoidal and cosine waveforms

KMT32B(SO8,TDFN)的特性曲线

参考资料[5] TE 的 KMT32B 传感器是一种磁角传感器,可以确定机械臂的位置。输出信号为正弦波,其相位差表示角度。

除了产品特性和价值的信息之外,包装选项还提供多种安装方法,从表面安装到通过通孔安装将元件抬高至电路板以上的高度。 对于受温度影响的元件,如 TE 的 HTU20D(F) 传感器,重要的安装信息会指导用户如何利用电路板上的插槽减少来自其他元件的热传递。 这样可以基于环境温度提供更准确的湿度读数,而不是受到支撑电路所产生的额外温度的影响。

HTU20D(F) 湿度/温度传感器 IC

带有温度输出的数字相对湿度传感器

相对湿度的读数严重依赖于温度。因此,必须确保湿度传感器的温度与需要测量相对湿度的空气温度保持一致。

在测试或校准的情况下,参考传感器和测试传感器必须显示相同的温度,以便比较湿度读数。

HTU21P(F) 传感器的安装应避免电子元件的热传导,或者将热传导保持在尽可能低的水平。建议包括通风、减少 HTU21P(F) 传感器与电路板其余部分之间的铜层,或者在传感器周围的电路板上铣出一个缝隙(最小宽度为 1mm)。 

Technical illustration showcasing the HTU21 sensor within a circuit layout

参考资料[3] TE的HTU20D(F)湿度传感器数据表指出,安装方式对于产品性能在实际环境温度下的表现至关重要。 

摘要

从原材料采购到最终生产,智能工厂彻底改变了制造业,提高了生产速度,减少了人为错误并提升了效率。这些对工厂车间的进步改变了对机械设备的要求,尤其是在高振动环境中,对可靠传感器的需求不断增加。根据所需的复杂程度和信号传递方法,有相应的传感器产品可提供可靠的解决方案。随着智能工厂功能的增加,TE致力于推进其传感器技术,以满足日益增长的系统需求。

命名法

Two compact humidity sensor modules, HTU2XY and HTU2XYF, are displayed with embedded PTFE filters for enhanced performance

[3] TE 的 HTU2XY(F) 的可选功能包括一个 PTFE 过滤器/膜片,可防止灰尘和水浸+

文章标签

全球
TE Connectivity
文章
传感器

相关内容