새로운 arrow.com을 이용하고 계십니다. 언제든지 기존 사이트로 돌아갈 수 있습니다.  기존 사이트로 돌아가기

Arrow Electronic Components Online

중간 전력 응용 분야는 Wolfspeed WolfPACK 전력 모듈의 최적 영역입니다.

전력15 2월 2022
전자 회로 기판 위 구리 코일 부품의 상세 모습.
모든 기사 보기

전력 전자 기술의 채택이 증가함에 따라 설계 엔지니어들은 이전보다 더 효율적인 시스템을 구축해야 하는 지속적인 도전에 직면하고 있습니다. 새로운 설계를 위한 최적의 부품을 선택하는 것은 종종 큰 과제가 될 수 있지만, 이는 불필요한 시스템 비용 없이 컨버터 사양을 충족하기 위해 매우 중요합니다. 월프스피드(Wolfspeed)는 이러한 도전을 잘 이해하고 있으며, 고객의 요구를 더 잘 충족시킬 수 있는 새로운 제품을 포트폴리오에 지속적으로 추가하고 있습니다.

당사의 목표는 애플리케이션 엔지니어들이 경쟁사보다 더 효율적이고 견고하며 구성 가능성이 뛰어난 설계를 구현할 수 있도록 다양한 제품을 제공하는 것입니다. 30년 이상의 실리콘 카바이드(SiC) 연구 및 개발 경험을 바탕으로, 현재 포트폴리오에는 다양한 전력 요구 사항을 충족하는 SiC 쇼트키 다이오드, MOSFET 및 전력 모듈이 포함되어 있습니다. 실리콘(Si) 트랜지스터와 비교했을 때, 탁월한 전류 전도 능력과 낮아진 스위칭 손실은 더 높은 컨버터 효율성과 전력 밀도를 실현합니다. 이는 궁극적으로 10~100kW 중간 전력 컨버터에 대한 최적의 솔루션을 제공합니다. 이러한 이유로 Wolfspeed는 최근 WolfPACK™ 전력 모듈 제품군을 출시했습니다. 이 모듈은 전통적으로 병렬 개별 장치를 구현해야 하는 컨버터를 대체할 이상적인 솔루션입니다.

파워 모듈 대 디스크리트 트랜지스터

중간 전력 애플리케이션에서는 일반적으로 스위칭 노드당 여러 개의 개별 장치가 필요합니다. 병렬 연결이든 인터리브 방식이든 이러한 추가 장치는 레이아웃, 열 관리, 절연, 전자기 간섭(EMI), 신뢰성 같은 설계 과제를 더욱 복잡하게 만듭니다. 전력 모듈이 제공하는 주요 이점은 이러한 복잡한 문제를 줄이도록 설계되었다는 점이며(특히 개별 트랜지스터 배열을 대체할 경우), 시스템 설계 부담을 크게 줄일 수 있다는 것입니다. 그림 1은 개념적으로 WPAC 제품군에 적합한 전력 출력 범위를 보여줍니다. 개별 솔루션의 복잡성은 10 kW를 초과하는 전력 수준에서 증가하며, WolfPACK 제품군의 비용 매력이 더욱 두드러지게 됩니다.

A visual representation of the Wolfspeed WolfPACK family showcasing discrete and high-power module solutions.

그림 1: Wolfspeed Wolfpack 모듈은 단일 디스크리트 MOSFET을 초과하는 전력 등급을 위해 설계되었으며 열 관리 및 시스템 레이아웃 설계를 간소화합니다.

중간 전력 시스템을 위한 일반적인 디스크리트 설계 과제

디스크리트 컴포넌트 컨버터를 설계할 때, 설계자는 필요한 트랜지스터 사양(예: 차단 전압, 전류 등급, 온 상태 저항 및 스위칭 에너지)을 신중하게 고려해야 합니다. 디바이스 선택은 일반적으로 상당한 설계 문제이며, 패키징 제한 때문에 디스크리트 디바이스는 확장성을 제한합니다. 즉, 시스템 전력 요구 사항을 증가시키거나 컨버터의 더 높은 출력 버전을 설계하기 위해서는 대체로 대대적인 재설계가 필요합니다. 또한 새로운 고전압/고전류 트랜지스터가 필요하며 디바이스 선택 과정을 반복해야 합니다. 새로운 열 관리, PCB 레이아웃 및 기구 설계를 패키지에 맞게 조정해야 하는 경우도 자주 발생합니다.

대신 추가적인 트랜지스터를 병렬로 통합하는 경로를 선택할 경우 새로운 과제가 발생합니다. 예를 들어, 새로운 기기, 열 관리 및 주변 부품(게이트 드라이브 및 패시브 등)을 위한 추가적인 공간이 필요합니다. 병렬 트랜지스터 간의 불균형 인덕턴스로 인해 손실 증가, 전압 과도 현상, 수명 단축 등의 문제를 야기할 수 있으므로 추가적인 레이아웃 과제가 발생합니다. 즉, 디스크리트 컨버터의 출력 전력을 크게 확장하는 것은 새로운 컨버터를 설계하는 것만큼이나 어려울 수 있습니다.

컨버터가 더 높은 전력 밀도를 달성하기 위해 점점 더 높은 스위칭 주파수를 목표로 함에 따라 디스크리트를 설계하는 데 있어 어려움 또한 증가합니다. 높은 스위칭 주파수를 달성하기 위해 필요한 빠른 슬루율은 PCB가 잘 설계되지 않았을 경우 제어 시스템에 EMI(전자기 간섭)를 유발할 수 있습니다. EMI의 즉각적인 위협은 트랜지스터 턴온을 유발하여 추가적인 손실, 장치 수명의 단축, 또는 컨버터 고장을 초래할 수 있다는 점입니다. 이러한 빠른 슬루율은 또한 게이트 드라이버 비용을 증가시키는데, 이는 전력 과도현상으로부터 민감한 제어 시스템을 보호하기 위한 상당한 절연이 필요하기 때문입니다. 이러한 게이트 드라이버 비용은 병렬로 필요한 트랜지스터 수와도 연관되어 있습니다.

중간 전력 설계에서 흔히 발생하는 실패 모드 방지: 기생 인덕턴스 줄이기

불필요한 인덕턴스를 줄이는 것은 컨버터 설계에서 매우 중요합니다. PCB 트레이스, 패키징, 커넥터, 인터페이스, 리드 및 와이어는 모두 인덕턴스에 기여하며, 전력 및 게이트 루프는 신중하게 설계되어야 합니다. 특히 중요한 것은 게이트 루프와 전력 루프를 함께 결합하는 인덕턴스, 즉 전력 소스와 신호 소스 연결이 공통으로 사용하는 인덕턴스(공통 소스 인덕턴스)입니다. 별도의 켈빈 연결을 제공하는 패키지가 일반적으로 선호되며, 이는 외부 LCS를 제거할 수 있기 때문입니다. 이러한 요소들은 언제나 컨버터 설계에서 중요한 역할을 해왔지만 SiC 트랜지스터의 높은 di/dt를 활용할 때 이들 인덕턴스는 훨씬 더 중요한 역할을 합니다. 이는 MOSFET 스위칭에 의해 생성된 di/dt가 기생 인덕턴스(L × di/dt)에 의해 전압을 유도하고, 이는 MOSFET 드레인에서 전압 피크를 증가시키기 때문입니다(VL = L × di/dt). 따라서 버스 전압과 MOSFET 차단 전압 사이에 필요한 여유 폭은 스위칭 속도 및 기생 인덕턴스와 직접적으로 연관됩니다. 스위칭 속도가 또한 스위칭 손실과 연관되어 있기 때문에, 스위칭 속도를 줄이는 것보다 기생 인덕턴스를 감소시키는 것이 훨씬 더 유익합니다. 이 효과는 장치를 병렬로 사용할 경우 더 악화되는데, 스위칭 순간 동안 상당한 전류 불균형이 발생할 수 있기 때문입니다.1

전력 모듈 구현은 이러한 설계 과제 중 상당수를 제거하며, 필요한 엔지니어링 작업의 많은 부분이 모듈 내부에서 이미 완료되어 있기 때문에 전력 및 게이트 루프 최적화가 더욱 쉬워집니다. 이는 컨버터 설계의 복잡성을 줄이고 레이아웃 변경을 간소화합니다. 디자이너는 또한 Wolfspeed의 설계 라이브러리에서 모듈 레이아웃에 대한 신뢰할 수 있는 경험 법칙을 찾을 수 있습니다.2

일반적인 실패 모드 또는 중간 전력 설계를 피하기: 간소화된 열 관리

디스크리트 디바이스는 일반적으로 열 인터페이스와 열 관리 시스템 간에 전압 절연이 필요합니다. 이는 히트싱크 또는 냉각판이 접지될 것이며, 디스크리트 구성요소는 높은 전압에 노출될 것이기 때문입니다. 파워 모듈은 디바이스를 구리 평판이 있는 적합한 세라믹(일반적으로 직접 본드된 구리 또는 DBC라고 불림)에 장착함으로써 추가 절연 설계가 필요하지 않도록 해줍니다. 파워 모듈 설계에서 사용되는 전통적인 적층 방식은 이 DBC를 금속(또는 복합 소재) 베이스플레이트에 부착하는 것입니다. 베이스플레이트에는 히트싱크 또는 냉각판에 모듈을 볼트로 고정할 수 있는 고정 지점이 포함되어 있습니다. 베이스플레이트를 장착할 때는 고르지 않은 압력이나 열 인터페이스 물질(TIM)의 불충분한 사용 또는 과다 사용이 모듈과 열 관리 시스템 간의 열 저항을 증가시킬 수 있으므로 주의해야 합니다.

이 인터페이스 간의 우수한 열 전달을 위해 필요한 두 가지 주요 요소는 열 저항(Rth)과 열 팽창 계수(CTE)입니다.

Rth는 한 인터페이스에서 다른 인터페이스로 열이 얼마나 쉽게 전달되는지를 나타내는 모델입니다. Rth이 높을수록 열원에서 추출될 수 있는 열 에너지(혹은 전력 손실)가 적어집니다. 열 저항 값은 접촉 면적, 재료의 열 전도성, 층의 두께에 따라 달라집니다. 베이스플레이트가 있는 파워 모듈에서는 트랜지스터 접합부와 케이스(베이스플레이트) 사이의 열 저항(RJC), 그리고 케이스와 히트싱크 사이의 열 저항도 고려해야 합니다. RJC를 줄이기 위해, 새로운 Wolfspeed WolfPACK 모듈은 베이스플레이트를 제거하여 DBC 기판의 직접 냉각을 가능하게 합니다. 이는 트랜지스터에서의 열 전달을 증가시켜, 특정 전력 수준에서 칩의 접합부 온도를 낮추는 효과를 제공합니다(그림 2).

A technical diagram illustrating thermal management in electronic components.

그림 2: 기존 베이스플레이트 장착 칩 토폴로지(왼쪽)와 베이스플레이트가 없는 Wolfspeed Wolfpack 모듈 토폴로지(오른쪽)의 비교.3

일반적으로 SiC 다이의 열팽창계수(CTE: 4.0 10–6/K)는 세라믹 기판의 열팽창계수와 맞춰져 있습니다. 세라믹 기판은 일반적으로 질화알루미늄(AlN: 4.5 10–6/K) 또는 산화알루미늄(Al2O3: 8.2 10–6/K)으로 구성됩니다. 그러나 베이스플레이트는 일반적으로 기계적 이유로 구리(Cu: 16.5 10–6/K) 또는 알루미늄-실리콘 카바이드 복합재(Al-SiC: 8.4 10–6/K)로 제작됩니다. 이러한 열팽창계수의 불일치와 DBC와 세라믹 간의 비탄성 접합층이 결합하면, 이러한 재료의 접합부에 높은 응력이 발생할 수 있습니다. DBC와 베이스플레이트 간의 넓은 인터페이스에 작용하는 열기계적 응력은 납땜 피로와 균열을 유발할 수 있습니다. 충분한 열 사이클은 납땜 접합부의 층간 분리를 초래할 수 있으며(이는 열 저항을 크게 증가시킴) 심지어 취성 세라믹 DBC를 파괴하여 모듈이 고장날 수 있습니다.4,5

Wolfspeed WolfPACK의 독창적인 베이스플레이트 없는 설계는 서로 다른 재료 간의 비일치한 연결을 제거함으로써 이와 관련된 기계적 결함 지점을 없앱니다. 베이스플레이트 고정 볼트는 금속 탭으로 대체되어 플라스틱 하우징을 당기는 방식이며, 힘을 기판 전체에 균일하게 분산시킵니다. DBC와 히트싱크 간의 인터페이스가 고체 납땜이 아닌 유연한 그리스로 이루어져 있어 재료 간의 확장 차이를 허용하면서도 과도한 스트레스를 야기하지 않습니다. 수동 또는 자동 납땜에 비해 (표 1 참조) 신뢰성이 향상되는 것 외에도, 이러한 프레스핏 금속 탭은 전력 모듈의 조립 비용을 크게 줄여줍니다. 이 장착 방식은 여러 모듈 및 기타 구성 요소를 단일 히트싱크나 냉각판에 장착할 수 있도록 열 시스템 설계를 간소화합니다.

```html
공정   도체 직경 (mm2) 고장률
λ ref in FIT(1)
비고:
기준/지침
납땜 수동
자동
- 0.5
0.05
IPC 6102, 클래스 2
프레스-핏   0.3 to 1 0.005 IEC 60352-5
하이브리드 회로용 와이어 본딩 알루미늄
. 0.1
0.1
28 µm / 웨지 본딩
25 µm / 웨지 본딩
권선   0.05 to 0.5 0.25 DIN EN 60352-1 /
IEC 60352-1 CORR1
크림핑 수동
자동
0.05 to 300 0.2 DIN EN 60352-1 /
IEC 60352-2 A 1+2
클립   0.1 to 0.5 0.2 DIN 41611-4
절연 피어싱 커넥터   0.05 to 1 0.25 IEC 60352-3 /
IEC 60352-4
나사   0.5 to 16 0.5 DIN EN 60999-1
단자 (스프링력)   0.5 to 16 0.5 DIN EN 60999-1
1) 1 FIT = 1 x 10-9 1/h;  (10억 개품목 시간당 하나의 고장)   |   2) PCB 수용 조건
```

표 1: 다양한 접촉 기술의 고장률. (출처: Siemens 표준 SN 29500-5/판 2004-06, Part 5)

디자이너가 Wolfspeed WolfPACK으로 전력을 어떻게 확장할 수 있을까?

Wolfspeed WolfPACK 모듈의 고출력/고전류 기능은 최대 100kW의 중간 출력 컨버터 설계를 크게 간소화합니다. 쉬운 구현은 확장성을 높이고 소형 공간은 디스크리트 구성 요소 및 기존 전력 모듈과 비교했을 때 높은 전력 밀도를 제공합니다. Wolfspeed의 WolfPACK 모듈은 다양한 사양과 구성으로 제공되므로 신속하고 다양한 유형의 전력 시스템을 개발할 수 있습니다. 이러한 시스템은 간편하게 구축 및 유지관리할 수 있으며 현장에서 매우 안정적인 성능을 자랑합니다. 최대 드레인 소스 전압(VDS) 1,200V와 DC 연속 드레인 전류(ID) 30A부터 100A에 이르기까지, 이러한 모듈은 중간 전력 시스템 설계의 기본 구성 요소를 손쉽게 형성할 수 있습니다. 또한, Wolfspeed의 WolfPACK 모듈은 시스템을 인터리빙 및 병렬 연결을 통해 확장하는 과정이 모듈 설계로 인해 훨씬 단순하여 매우 확장 가능한 솔루션입니다.

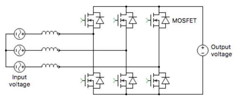
중간 출력의 DC/DC 컨버터는 EV 충전, 태양광 에너지 전송/저장, 전원 공급 장치 등 다양한 응용 분야에서 필수적입니다. 예를 들어, 다상 인터리브드 양방향 DC/DC 컨버터는 다수의 전력 위상 다리를 병렬로 연결하여 최대 출력 전류/전력 용량을 확대하고 전류 리플을 감소시킴으로써 구현할 수 있습니다(그림 3). 3상 인터리브드 DC/DC 컨버터의 스위치 게이트 신호는 저주파 고조파를 상쇄하기 위해 120°씩 위상이 이동됩니다. 인터리빙은 컨트롤러와 열 시스템에 소규모 변경만으로도 구현할 수 있습니다. 출력 전력은 60킬로와트 이상에 도달할 수 있으며, 동시에 SiC 다이의 최대 접합 온도 이하로 유지되어 시스템이 운영 수명 동안 신뢰성 있게 작동할 수 있도록 합니다. 인터리빙은 장치 병렬화의 몇 가지 문제를 피하면서 시스템 성능을 개선하고 출력 인덕터 크기를 줄이는 훌륭한 전략입니다.

A detailed schematic of an electronic circuit featuring multiple transistors arranged in a grid-like pattern.

그림 3: 기본 인터리브드 dc/dc 컨버터의 개략적 표현.

이 동일한 인터리빙 방법론은 다양한 컨버터 및 인버터 아키텍처에 적용하여 전기 및 열 성능을 희생하지 않고 안정적으로 전력을 확장할 수 있습니다. SiC 기술의 이점과 베이스플레이트가 없는 Wolfspeed WolfPACK 제품군의 간소화된 열 관리가 결합되면서, 넓은 출력 전력 범위를 가진 컨버터 제품군 배포가 그 어느 때보다 쉬워졌습니다!

간단한 확장 가능성은 Wolfspeed WolfPACK 패밀리의 베이스플레이트가 없는 전력 모듈의 정의적인 특징 중 하나입니다. 앞서 논의된 바와 같이, 모듈을 교차 배치하거나 병렬로 연결하는 것은 시스템의 전력 능력을 증가시키는 한 가지 방법입니다. 하지만 FM3 기반 시스템의 전력 등급을 확장하는 가장 간단한 방법 중 하나는 지금 여러분의 솔루션에 GM3를 추가하는 것만큼 쉽습니다. 하지만 확장 가능성은 단순히 전력에 관한 것만은 아닙니다. 그것은 옵션에 관한 것이며, 현재 사용 중인 솔루션의 성능을 향상할 수 있는 옵션에 관한 것입니다. 이는 확장 가능한 시스템으로 무엇을 달성하려고 하는지에 따라 달라집니다.

시스템 내에서 GM3를 삽입하여 제공할 수 있는 이점을 이해하기 위해, 다음 매개변수를 가진 일반적인 2단계 그리드 연계형 인버터 또는 AFE 시스템을 고려해 보겠습니다: 800 VDC 버스 전압, 480 VAC 라인 간 RMS 그리드 전압, 환경 온도 Tamb = 50 °C, 그리고 라인 인덕터 L = 100 µH. 각 브릿지 다리는 반브릿지 FM3 또는 GM3 Wolfspeed Wolfpack™ 전력 모듈을 나타냅니다.

A detailed schematic of a MOSFET-based circuit showing input voltage sources, inductors, and output voltage connections.

그림 4: 2단계 그리드 연결 인버터 또는 AFE 시스템.

이번 연구에서는 CAB011M12FM3 (11 mΩ)을 기준 FM3 기반 솔루션으로 고려할 것입니다. 위에서 정의된 시스템 파라미터와 상대적으로 높은 스위칭 주파수인 50 kHz로 작동하면서, 반도체 손실로 인해 최대 접합 온도인 150 °C에 도달하기 전까지 75 kW의 전력 등급을 달성할 수 있습니다.

CAB008M12GM3(8 mΩ)을 동일한 75 kW / 50 kHz 시스템에 삽입하면 여전히 매우 높은 시스템 효율인 98.9%를 보여주지만, 디바이스의 접합 온도를 단지 114°C로 줄입니다. 이러한 낮아진 온도에서 디바이스를 작동시키면 수명이나 신뢰성을 개선하거나 여유 및 과부하 능력을 증가시킬 수 있습니다. 또는, 접합 온도를 증가시켜 시스템의 전력 등급을 높일 수 있는 여지가 있는 것이 분명하며, 이 경우 시스템 전력을 100 kW(50 kHz / Tj = 150°C)로 증가시킬 수 있습니다.

이전에 논의된 시스템에서 추가 성능 향상이 이루어질 수 있으며, 이제 CAB006M12GM3 (6 mΩ)을 삽입하여 이를 구현할 수 있습니다. 마찬가지로, 특정 전력 등급에서 장치의 작동 접합 온도를 낮출 수 있거나, 또는 추가적인 접합 온도 여유를 활용하여 시스템의 전력 등급을 높이거나 심지어 작동 스위칭 주파수를 증가시킬 수도 있습니다. GM3 플랫폼이 제공하는 확장 가능성 옵션을 보여주기 위해 수행된 비교 연구의 요약은 아래와 같습니다.

A detailed comparison table showcasing performance metrics for CAB011M12GM3, CAB008M12GM3, and CAB006M12GM3 models.

그림 5: gm3의 확장 가능성을 보여주는 비교 연구 결과.

GM3 플랫폼을 추가하여 FM3 기반 솔루션의 전력 등급을 증가시킬 수 있다는 것은 분명하며 이미 입증된 바 있지만, 이것이 확장 가능한 솔루션에 제공할 수 있는 유일한 이점은 아닙니다. 설계 목표에 따라 시스템의 견고성을 높이기 위해 작동 접합 온도를 낮추거나, 자기 부품의 크기/비용을 줄이고 제어 대역폭을 향상시키기 위해 스위칭 주파수를 증가시키는 것 둘 다 확장 가능한 시스템에 있어 매우 바람직한 성능 개선이 될 수 있습니다. 어떠한 경우에도 GM3 플랫폼은 설계자들이 전력 전자 시스템을 쉽게 확장할 수 있는 옵션을 제공합니다.

Close-up of modular electronic components designed for scalability and efficiency.

그림 6: gm3 Wolfspeed Wolfpack™ 플랫폼으로 시스템을 손쉽게 확장하세요.

모듈 크기 또는 활성 다이 영역을 늘리는 것 외에도, 확장성을 촉진하기 위한 또 다른 전략은 파워 모듈의 소재 적층 디자인을 선택하는 것입니다. 베이스플레이트가 없는 경우 이러한 선택에 있어 실질적으로 두 가지의 자유도가 있으며, 이 둘 다 모듈의 전체 열 저항에 상당한 영향을 미칩니다. 바로 열 인터페이스 소재(TIM)와 기판 세라믹 소재입니다. 차트에서 볼 수 있듯이 TIM 층은 전체 접합부에서 히트싱크까지의 열 저항(RthJH)의 최대 60%를 차지할 수 있습니다. TIM 선택에 관해서는 최종 사용자가 많은 옵션을 가지고 있지만, 성능이 매우 뛰어난 열 페이스트 소재를 사용하더라도 TIM 층의 기여도를 크게 감소시키는 것은 어렵습니다. 하지만 다른 자유도인 세라믹 기판은 전체 열 저항 값을 극적으로 감소시킬 수 있으며, 이는 다음에 탐구할 부분입니다.

A pie chart illustrating the typical distribution of thermal resistance (RthJH) across various components.

그림 7: 일반적인 RthJH 분포

Wolfspeed WolfPACK 패밀리의 일반적인 세라믹 기판 소재는 알루미늄 산화물(Al2O3)로, 비용 대비 성능 균형이 뛰어나 이 베이스플레이트 없는 모듈 제품군에 적합합니다. 그러나 고객들은 알루미늄 나이트라이드(AlN)가 상대적으로 낮은 비용 증가로도 큰 성능 향상을 제공할 수 있다는 것을 이해합니다. Al2O3에 비해 7배 높은 열전도율을 제공하므로 이러한 성능 향상이 쉽게 이해될 수 있습니다. 즉, 열저항을 감소시키고, 주어진 손실에서 Tj를 낮추며, 주어진 손실에서 PC 수명을 향상시키고, SiC 성능을 더 높이 활용할 수 있게 합니다.

이는 다시 한번 800 VDC 버스 전압, 480 VAC 라인 간 RMS 그리드 전압, 주변 온도 Tamb = 50 °C, 그리고 라인 인덕터 L = 100 µH로 동작하는 2레벨 그리드 연결 인버터를 고려함으로써 입증됩니다. 이전 확장성 연구와 마찬가지로, 6 mΩ GM3에 알루미늄 나이트라이드(AlN) 기판을 활용함으로써 세 가지 변수인 출력, 스위칭 주파수, 접합 온도를 대상으로 확장할 수 있는 능력을 제공합니다. 이는 더 많은 가용 암페어 용량이 필요한 고객을 위한 솔루션을 가능하게 하거나, 일부 사용 사례에서 접합 온도를 낮춰 수명을 증가시키거나, 또는 더 높은 히트싱크 온도(비용 절감)를 허용할 수 있도록 합니다.

A technical comparison table showcasing specifications for two models, CAB006M12GM3 and CAB006A12GM3.

그림 8: gm3의 확장성을 보여주는 비교 연구 결과.

Wolfspeed WolfPACK은 실리콘 카바이드 기술 투자 역사를 기반으로 한 새로운 디자인을 제공합니다

Wolfspeed의 WolfPACK 전력 포트폴리오는 수십 년간의 실리콘 카바이드 연구 및 개발에 대한 투자와 함께 베이스플레이트 없는 설계를 결합하여 OEM 및 설계 엔지니어에게 다양한 산업 부문에서의 사용 사례를 지원할 수 있는 최상의 선택지를 제공합니다.

디자이너에게 더 큰 유연성과 확장성을 제공하기 위해 여러 SiC MOSFET을 외부 PCB와 인터페이스할 수 있는 납땜 없는 핀과 프레스-핏 방식의 연결단자를 제공하는 컨테이너에 넣었습니다. Wolfspeed WolfPACK 전력 모듈 제품군은 모듈 내부에 배치된 MOSFET 구성에 따라 최적화된 반응형 핀 배열을 갖추고 있으며, 하프 브리지, 풀 브리지, 식스팩, 버크/부스트 구성 등의 레이아웃을 지원합니다. 베이스플레이트 대신, Wolfspeed WolfPACK 하우징의 하단은 세라믹 기판을 사용하여 금속 장착 탭과 스프링 힘을 이용해 히트싱크와의 인터페이스를 형성하고 전기적으로 절연된 모듈 하단을 제공합니다. 이러한 방식은 모듈 하단 전체에 균등하게 압력을 분산시켜 열전달을 최적화하며 히트싱크, 모듈 및 PCB 간의 견고하고 강력한 기계적 연결을 제공합니다.

작은 베이스플레이트가 없는 풋프린트에서 고전력 밀도를 제공하고, SiC 기술과 결합하여 컴팩트한 레이아웃, 더 빠르고 깨끗한 스위칭을 가능하게 하며 디자이너에게 최대 25% 크기 감소를 제공합니다. 전력 밀도 장점 외에도, Wolfspeed WolfPACK 모듈은 시스템 레이아웃과 조립 과정을 간소화합니다. 이는 중전력 응용 분야에서 작업하는 엔지니어들에게 전력 밀도를 최대화하면서 설계 복잡성을 최소화할 수 있는 능력을 제공합니다.

Wolfspeed WolfPACK의 본질적인 단순성은 높은 수준의 확장성을 지원하여 생산 파이프라인을 가속화하고 시스템 조립 비용을 절감하며 다양한 선택의 폭을 제공합니다. 새로운 Wolfspeed WolfPACK 모듈은 모든 SiC MOSFET 하프 브리지 및 모든 SiC MOSFET 육팩 구성으로 제공되며 다양한 모듈 저항 옵션을 제공합니다.

선택과 신뢰성을 제공하는 전력 모듈

새로운 Wolfspeed WolfPACK 모듈 제품군은 오늘날의 디자이너들이 1킬로와트 설계부터 메가와트 시스템, 그 사이의 다양한 응용 분야에 이르기까지 활용할 수 있는 폭넓은 전력 포트폴리오를 제공합니다.

Wolfspeed의 업계 선도적인 실리콘 카바이드 기술을 기반으로 설계된 이 모듈은 매우 낮은 손실을 제공하며, 소형 패키지로 자동화 및 대규모 제조에 매우 적합하여 에너지 변환 시스템을 위한 깨끗하고 신뢰할 수 있는 전력을 제공합니다.

데이터 시트, 소재 내용 및 응용 자료에 대한 정보와 접근을 위해 www.wolfspeed.com/wolfpack 을 방문해 주십시오.

참고 문헌

  1. https://www.wolfspeed.com/knowledge-center/article/demystifying-pcb-layout-methodologies-for-sic-gate-drivers
  2. https://www.wolfspeed.com/downloads/dl/file/id/1971/product/745/cpwr_an45_wolfspeed_wolfpack_trade_application_note.pdf
  3. https://www.wolfspeed.com/knowledge-center/article/enabling-system-upgrades-with-sic-technology-using-industry-standard-base-plate-less-packaging
  4. A. Zeanh 외, “항공기 애플리케이션용 IGBT 모듈의 열기계 모델링 및 신뢰성 연구,” EuroSimE 2008 - 마이크로전자 및 마이크로시스템 열, 기계 및 다중 물리 시뮬레이션 및 실험 국제 컨퍼런스, 프라이부르크 임 브라이스가우, 2008, pp. 1–7.
  5. 마우로 치아파(Mauro Ciappa), “현대 전력 모듈의 선택된 고장 메커니즘,” Microelectronics Reliability, 제42권, 제4–5호, 2002, pp. 653–667, ISSN 0026-2714, https://doi.org/10.1016/S0026-2714(02)00042-2.

기사 태그

글로벌
전원
기사
WOLFSPEED, INC

관련 콘텐츠