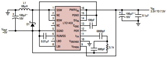
Typical Application Circuit for LTC1433 Positive-to-Negative -5V Converter

Diseño de referencia usando la pieza LTC1433CGN de Analog Devices

Fabricante

Analog Devices
  • Categoría de aplicaciones
    Suministros de energía
  • Tipo de producto
    Suministros de energía una sola salida de CC a CC

Para productos finales

  • Battery Powered Systems
  • Cellular Phone
  • Distributed Power System
  • Portable Instrumentation
  • Scanners
  • Wireless Communications
  • Wireless Modem

Descripción

  • Typical Application Circuit for LTC1433 Positive-to-Negative -5V Converter. The LTC1433 is monolithic pulse width modulated step-down DC/DC converter

Características clave

  • Conversion Type
    DC to DC
  • Input Voltage
    3.5 to 7.5 V
  • Output Voltage
    -5 V
  • Efficiency
    93 %
  • Topology
    Buck

Hemos actualizado nuestra política de privacidad. Por favor tome un momento para revisar estos cambios. Al hacer clic en Acepto, usted está de acuerdo con la Politica de Privacidad de Arrow Electronics y sus condiciones de uso.

Nuestro sitio Web coloca cookies en su dispositivo para mejorar su experiencia y nuestro sitio. Lea más sobre las cookies que utilizamos y cómo desactivarlas aquió. Es posible que se utilicen las cookies y tecnologías de seguimiento con fines de marketing.
Al hacer clic en "Aceptar", usted está consintiendo la colocación de cookies en su dispositivo y el uso de tecnologías de seguimiento. Haga clic en "Leer más" a continuación para obtener más información e instrucciones sobre cómo desactivar las cookies y tecnologías de seguimiento. Si bien la aceptación de cookies y tecnologías de seguimiento es voluntaria, la desactivación de estos puede resultar en que el sitio web no funcione correctamente, y es posible que ciertos anuncios sean menos relevantes para usted.
Respetamos su privacidad. Lea nuestra política de privacidad aquió