STEVAL-IKR002V3D, SPIRIT1 433-MHz low data rate Transceiver Daughter Board
Diseño de referencia usando la pieza SPIRIT1QTR de STMicroelectronics
Documentos asociados
Para productos finales
- Automatic Metering
- Building Automation
- Fire Alarm
- Home Automation
- Security System
- System Monitoring and Control
- Wireless
- Wireless Sensor
Descripción
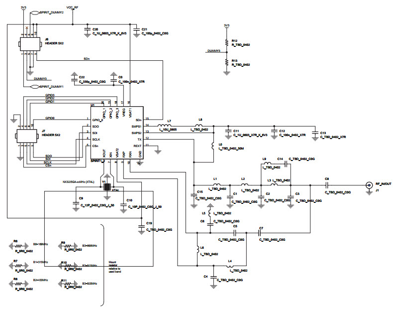
- STEVAL-IKR002V3D, SPIRIT1 433-MHz low data rate Transceiver Daughter Board. The STEVAL-IKR002V3D product evaluation board is based on the SPIRIT1 a very low-power RF transceiver intended for RF wireless applications in the sub 1 GHz frequency band
Características clave
-
Operating Frequency433 MHz
Piezas destacadas (35)
| Número de pieza | Fabricante | Tipo | Descripción | |||
|---|---|---|---|---|---|---|
|
|
NX3225GA_27.000MHZ_STD-CRG-2 | NIHON DEMPA KOGYO CO., LTD | Crystals | Crystal 27MHz ±20ppm (Tol) ±30ppm (Stability) 8pF FUND 50Ohm 4-Pin SMD | AÑADIR AL CARRITO | |
|
|
NX3225GA-14.31818M-STD-CRG-2 | NIHON DEMPA KOGYO CO., LTD | Crystals | Crystal 14.31818MHz ±20ppm (Tol) ±30ppm (Stability) 8pF FUND 80Ohm 4-Pin SMD | AÑADIR AL CARRITO | |
|
|
NX3225GA_12.000MHZ_STD-CRA-1 | NIHON DEMPA KOGYO CO., LTD | Crystals | Crystal 12MHz ±50ppm (Tol) ±150ppm (Stability) 8pF FUND 300Ohm 4-Pin SMD Automotive AEC-Q200 | AÑADIR AL CARRITO | |
|
|
NX3225GA-26MHZ-TI | NIHON DEMPA KOGYO CO., LTD | Crystals | Crystal unit | AÑADIR AL CARRITO | |
|
|
NX3225GA26.000MSTDCRG2 | NIHON DEMPA KOGYO CO., LTD | Crystals | Crystal 26MHz ±20ppm (Tol) ±30ppm (Stability) 8pF FUND 50Ohm 4-Pin SMD | AÑADIR AL CARRITO | |
|
|
NX3225GA-18.432M-STD-CRG-2 | NIHON DEMPA KOGYO CO., LTD | Crystals | Crystal 18.432MHz ±20ppm (Tol) ±30ppm (Stability) 8pF FUND 80Ohm 4-Pin SMD | AÑADIR AL CARRITO | |
|
|
NX3225GA-27M-STD-CRG-2 | NIHON DEMPA KOGYO CO., LTD | Crystals | Crystal 27MHz ±20ppm (Tol) ±30ppm (Stability) 8pF FUND 50Ohm 4-Pin SMD | AÑADIR AL CARRITO | |
|
|
NX3225GA_20.000MHZ_STD-CRG-2 | NIHON DEMPA KOGYO CO., LTD | Crystals | Crystal 20MHz ±20ppm (Tol) ±30ppm (Stability) 8pF FUND 80Ohm 4-Pin SMD | AÑADIR AL CARRITO | |
|
|
NX3225GA_12.000MHZ_STD-CRG-2 | NIHON DEMPA KOGYO CO., LTD | Crystals | Crystal 12MHz ±20ppm (Tol) ±30ppm (Stability) 8pF FUND 100Ohm 4-Pin SMD | AÑADIR AL CARRITO | |
|
|
NX3225GA-24.576M-STD-CRG-2 | NIHON DEMPA KOGYO CO., LTD | Crystals | Crystal 24.576MHz ±20ppm (Tol) ±30ppm (Stability) 8pF FUND 50Ohm 4-Pin SMD | AÑADIR AL CARRITO | |
|
|
NX3225GA-12.288M-STD-CRG-2 | NIHON DEMPA KOGYO CO., LTD | Crystals | Crystal 12.288MHz ±20ppm (Tol) ±30ppm (Stability) 8pF FUND 100Ohm 4-Pin SMD | AÑADIR AL CARRITO | |
|
|
NX3225GA_12.288MHZ_STD-CRG-2 | NIHON DEMPA KOGYO CO., LTD | Crystals | Crystal 12.288MHz ±20ppm (Tol) ±30ppm (Stability) 8pF FUND 100Ohm 4-Pin SMD | AÑADIR AL CARRITO | |